电脑桌面
添加小米粒文库到电脑桌面
安装后可以在桌面快捷访问

基础回填土密实度检测方案(外侧回填土)VIP免费

基础回填土密实度检测方案(外侧回填土)_第1页
1/34
基础回填土密实度检测方案(外侧回填土)_第2页
2/34
基础回填土密实度检测方案(外侧回填土)_第3页
3/34
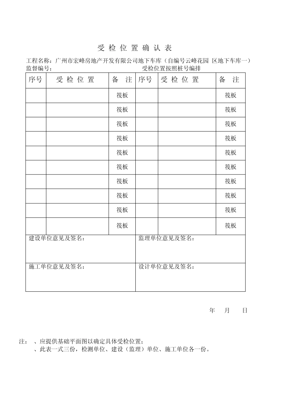
基础回填土密实度(或压实度)检测方案 一、工程概述:广州市宏峰房地产开发有限公司地下车库(自编号云峰花园D 区地下车库一),位于广州市花都区新华街镜湖路2 号 1、工程名称: 广州市宏峰房地产开发有限公司地下车库(自编号云峰花园D 区地下车库一) (监督编号:J2010110217) 2、回填土类型: 粉质粘土 回填位置(部位): 基础 回填面积: 1-7#楼条形面积约为 5765 平方米,周边部分独立基础总数为217个 。 密实度或压实度设计值: ≥94% 二、制定依据: 《建筑地基基础工程施工质量验收规范》GB50202-2002 《建筑地基处理技术规范》JGJ79-2002 《土工试验方法标准》GB/T50123-1999 及其他有关规定。 三、检测方法及数量: 1、按每个监督编号送一组(30-50Kg)回填土到检测单位做击实试验(提供监理 见证记录,要求取样要有代表性)。 2、现场检测有两种方法供选择: ○1 、环刀法□ 数量: 组(仅适用于无石粒的粘土、砂土及砂); ○2、灌砂法□ 数量: 337 组 其中 1-7#楼条形基础 120组,周边部分独立基础承台 217 组。 四、检测位置的确定: 1、具体检测位置由建设、监理、设计、施工单位等视现场情况共同选定,形成 具体的受检确认表(见附表)。 2、如特殊原因无法提供附表的有相应检测单位、会同施工和监理方视现场情况 按对应数量随机抽检。 五、检测单位名称: 建设单位意见: 监理单位意见: 项目负责人签名: 总监(代表)签名: 时间: 年 月 日 (盖章) 时间: 年 月 日 (盖章) 设计单位意见: 施工单位意见: 项目负责人签名: 项目经理签名: 时间: 年 月 日 (盖章) 时间: 年 月 日 (盖章) 受 检 位 置 确 认 表 工程名称:广州市宏峰房地产开发有限公司地下车库(自编号云峰花园D区地下车库一) 监督编号:J2010110217 受检位置按照桩号编排 序号 受 检 位 置 备 注 序号 受 检 位 置 备 注 1 280 筏板 11 680 筏板 2 740 筏板 12 701 筏板 3 750 筏板 13 711 筏板 4 765 筏板 14 823 筏板 5 276 筏板 15 808 筏板 6 310 筏板 16 338 筏板 7 717 筏板 17 888 筏板 8 815 筏板 18 207 筏板 9 240 筏板 19 210 筏板 10 320 筏板 20 350 筏板 建设单位意见及签名: 监理单位意见及签名: 施工单位意见及签名: 设计单位意见及签名: 2012...

1、当您付费下载文档后,您只拥有了使用权限,并不意味着购买了版权,文档只能用于自身使用,不得用于其他商业用途(如 [转卖]进行直接盈利或[编辑后售卖]进行间接盈利)。
2、本站所有内容均由合作方或网友上传,本站不对文档的完整性、权威性及其观点立场正确性做任何保证或承诺!文档内容仅供研究参考,付费前请自行鉴别。
3、如文档内容存在违规,或者侵犯商业秘密、侵犯著作权等,请点击“违规举报”。

碎片内容

基础回填土密实度检测方案(外侧回填土)

确认删除?
VIP
微信客服
  • 扫码咨询
会员Q群
  • 会员专属群点击这里加入QQ群
客服邮箱
回到顶部