电脑桌面
添加小米粒文库到电脑桌面
安装后可以在桌面快捷访问

安全、环保、文明生产管理考核办法.VIP免费

安全、环保、文明生产管理考核办法._第1页
1/3
安全、环保、文明生产管理考核办法._第2页
2/3
安全、环保、文明生产管理考核办法._第3页
3/3
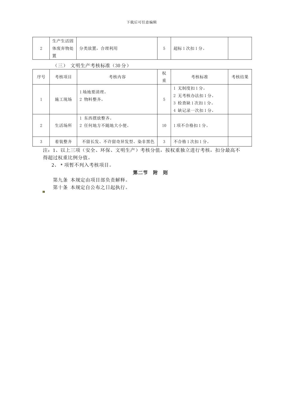
下载后可任意编辑第四十一章 安全、环保、文明生产管理考核办法第一节 总 则 第一条 为强化专业管理的监督考核职能,提升项目部安全生产、环境保护、文明生产水平,促进企业健康和谐进展,制定本办法。第二条 主管部门:安全环保部第三条 考核对象主要考核机运队、土建队、附属队、电铲队、钻爆队、修理厂、油库、尾矿及管线组、后勤组(含小车队)。第四条 考核范围安全生产、环境保护、文明生产。第五条 考核原则本着“谁主管,谁负责”的原则,被考核单位负责管辖区内的安全、环保和文明生产管理工作。第六条 考核依据考核依据根据项目部年度《安全生产目标责任书》、和《安全隐患管理及处罚标准》的规定执行。第七条 考核办法(一) 实行百分制,采纳日常检查、专业检查、月度安全大检查和不定期抽查的方式,考核结果由安全环保部汇总,当月 23 日前上报计划企管部和安全考核小组,并通报全项目部。(二) 百分制考核,其中安全生产占 40%,环境保护占 30%,文明生产占 30%。(三) 考核结果作为月度安全奖和年终评先的重要依据。第八条 考核标准(一) 安全生产考核标准(40 分)序号考核项目考核内容权重考核标准考核结果1防护用品1 防护用品的发放。2 防护用品的更新。3 防护用品的使用。 1 每缺 1 项扣 1 分。 2 无记录每项扣 1 分。下载后可任意编辑2特种作业1 新增人员办证情况。2 老员工换证情况。1 每缺 1 项扣 1 分。 2 每缺 1 人扣 1 分。 3交通安全1 车速的控制情况。2 人员进入现场必须戴安全帽,穿劳动防护用品。1 有超速现象扣 2 未按规定穿工作服 1 人次扣 1 分。 3 未戴安全帽 1 人次扣 1分。 4爆破安全1 炸药的出库情况。2 炸药的运输情况。3 现场摆放情况。4 炸药的装填、连线、警戒、起爆情况。5 检查炮区情况。5用电安全1 现场:绝缘层破损、裸线度大小,接头是否法律规范,作业要制度。2 营区:线路是否老化,插排插头法律规范,禁用电炉子、加热棒。1 未按期排查隐患 1 次扣 1分。2 未按期整改 1 项扣 1 分。3 未制定防范措施 1 项扣 1分。6违章作业1 排土间距不足 30m。2 灯光不全或不正确使用。3 超速、强行超车、疲劳驾驶。 4 作业面有鹅头石不处理冒险作业。5 铲装设备间距不足 50m 的。6 维修作业氧气、乙炔及明火间距,举斗维修不设防护的,单千斤支车的,举斗运行的,酒后作业的。7、生活车辆不插旗,不按安全行...

1、当您付费下载文档后,您只拥有了使用权限,并不意味着购买了版权,文档只能用于自身使用,不得用于其他商业用途(如 [转卖]进行直接盈利或[编辑后售卖]进行间接盈利)。
2、本站所有内容均由合作方或网友上传,本站不对文档的完整性、权威性及其观点立场正确性做任何保证或承诺!文档内容仅供研究参考,付费前请自行鉴别。
3、如文档内容存在违规,或者侵犯商业秘密、侵犯著作权等,请点击“违规举报”。

碎片内容

安全、环保、文明生产管理考核办法.

您可能关注的文档

确认删除?
VIP
微信客服
  • 扫码咨询
会员Q群
  • 会员专属群点击这里加入QQ群
客服邮箱
回到顶部