电脑桌面
添加小米粒文库到电脑桌面
安装后可以在桌面快捷访问

2025年旁路放风系统的工艺设计分析VIP免费

2025年旁路放风系统的工艺设计分析_第1页
1/8
2025年旁路放风系统的工艺设计分析_第2页
2/8
2025年旁路放风系统的工艺设计分析_第3页
3/8
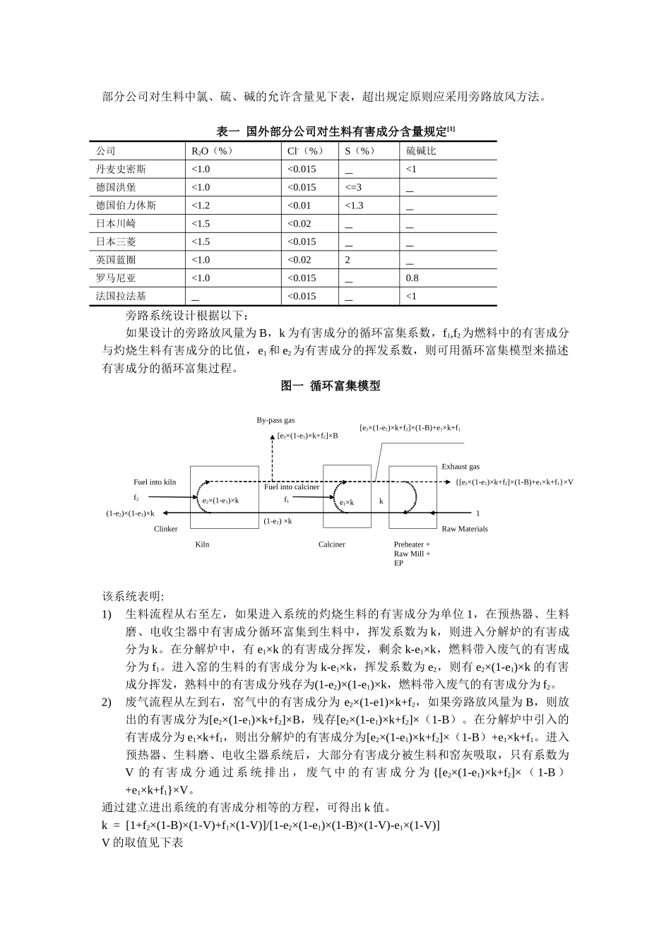
旁路放风系统的工艺设计成都建筑材料工业设计研究院 张程 彭一凡 胡恒阳摘要: 使用氯、硫、碱含量高的原料和燃料,将使系统较易发生结皮和堵塞等故障。旁路防风(通过技术手段将窑尾烟室至分解炉上升烟道的气体放出一部分)可有效缓和由于原料、燃料氯和硫偏高而引发的结皮问题。本文将以一实例阐明旁路放风系统的计算,流程及重要设备。核心词: 旁路放风 氯、硫、碱含量 循环富集模型 生料有害成分临界浓度引言在预分解窑系统中,原燃料成分对系统的影响较大。使用氯、硫、碱含量高的原料和燃料,将使系统较易发生结皮和堵塞等故障。最容易发生结皮、堵塞的部位是在窑尾烟室、下料斜坡、缩口及最下一级旋风筒的锥体、最下两级旋风筒的下料管等部位。随着环保规定的提高和燃料的日益紧张,预分解系统本身所含有的解决废弃物、二次燃料的优点也随之得到发展。但废弃物、低质燃料所含的氯和硫都偏高,这就给我们新的课题,即如何使预分解系统稳定运行,防止结皮和堵塞。旁路防风(通过技术手段将窑尾烟室至分解炉上升烟道的气体放出一部分)可有效缓和由于原料、燃料氯和硫偏高而引发的结皮问题。本文将以一实例阐明旁路放风系统的计算,流程及重要设备。1.结皮机理造成固体颗粒粘结在煅烧装置的内壁而形成结皮的因素,中外学者都有研究。比较一致的见解是,由于在窑尾和预热器内的结皮中硫酸盐和氯盐的含量都很高,而在硫酸钾、硫酸钙和氯化钾多组分系统中,最低熔点温度为 650~700℃,因此窑气中的硫酸盐和氯化钾凝聚时,会以熔态的形式沉降下来,并与入窑物料和窑内粉尘一起构成黏聚性物质。而这种在生料颗粒上形成的液相物质薄膜,会妨碍生料颗粒的流动,从而在预热器内造成黏结堵塞。 结皮的重要矿物成分,普通认为是由于大量的粉尘循环和硫酸盐、氯化物的富集而生成的一种灰硅钙石。分子式为 Ca5(SiO4)2CO3,构造式为 2C2S.CaO.CaCO3。氯盐被认为是灰硅钙石形成的矿化剂。美国波特兰水泥协会(PCA)曾做过对比实验,用四种成分不同的窑灰加入到生料中,其掺合比为窑灰 15%,生料 85%,在同样的条件下加热,成果只有一种样本有灰硅钙石的形成。该样本的窑灰含氯高,为 6.24%。该实验在一定程度上支持了氯盐是灰硅钙石形成的矿化剂的观点。[1]2.预分解窑的旁路放风系统 为解决氯、硫、碱的循环富集所造成的结皮堵塞,首先应重视原燃料的选用。当原燃料资源受到限制,有害成分超出允许程度时,必须在设计及生产中采用对应的防...

1、当您付费下载文档后,您只拥有了使用权限,并不意味着购买了版权,文档只能用于自身使用,不得用于其他商业用途(如 [转卖]进行直接盈利或[编辑后售卖]进行间接盈利)。
2、本站所有内容均由合作方或网友上传,本站不对文档的完整性、权威性及其观点立场正确性做任何保证或承诺!文档内容仅供研究参考,付费前请自行鉴别。
3、如文档内容存在违规,或者侵犯商业秘密、侵犯著作权等,请点击“违规举报”。

碎片内容

2025年旁路放风系统的工艺设计分析

您可能关注的文档

确认删除?
VIP
微信客服
  • 扫码咨询
会员Q群
  • 会员专属群点击这里加入QQ群
客服邮箱
回到顶部