电脑桌面
添加小米粒文库到电脑桌面
安装后可以在桌面快捷访问

2025年空调水系统设计VIP免费

2025年空调水系统设计_第1页
1/9
2025年空调水系统设计_第2页
2/9
2025年空调水系统设计_第3页
3/9
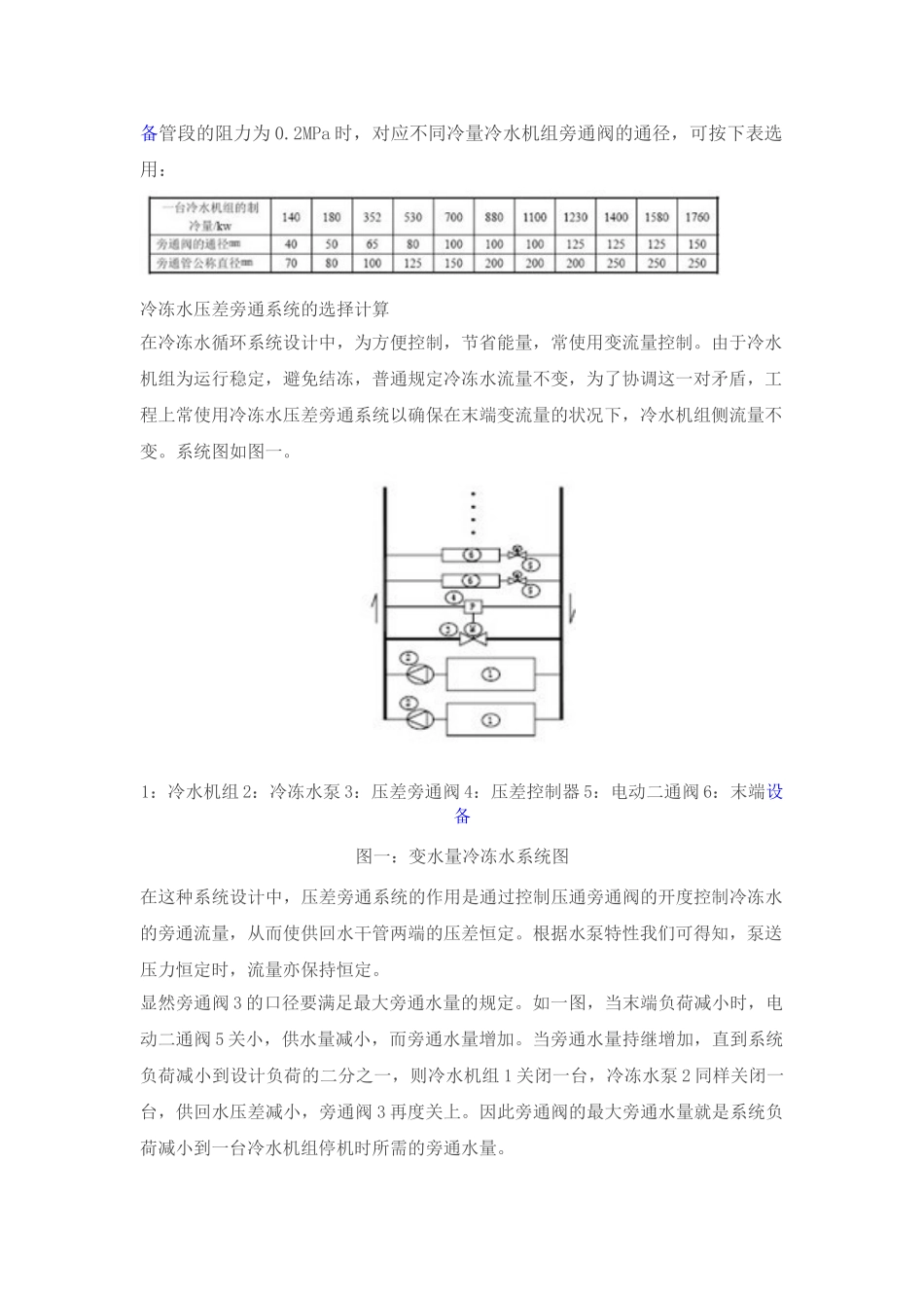
一、空调管路系统的设计原则空调管路系统设计重要原则以下: 1.空调管路系统应含有足够的输送能力,例如,在中央空调系统中通过水系统来确保渡过每台空调机组或风机盘管空调器的循环水量达成设计流量,以确保机组的正常运行;又如,在蒸汽型吸取式冷水机组中通过蒸汽系统来确保吸取式冷水机组所需要的热能动力。 2.合理布置管道:管道的布置要尽量地选用同程式系统,即使初投资略有增加,但易于保持环路的水力稳定性;若采用异程系统时,设计中应注意各支管间的压力平衡问题。 3.拟定系统的管径时,应确保能输送设计流量,并使阻力损失和水流噪声小,以获得经济合理的效果。众所周知,管径大则投资多,但流动阻力小,循环水泵的耗电量就小,使运行费用减少,因此,应当拟定一种能使投资和运行费用之和为最低的管径。同时,设计中要杜绝大流量小温差问题,这是管路系统设计的经济原则。 4.在设计中,应进行严格的水力计算,以确保各个环路之间符合水力平衡规定,使空调水系统在实际运行中有良好的水力工况和热力工况。 5.空调管路系统应满足中央空调部分负荷运行时的调节规定; 6.空调管路系统设计中要尽量多地采用节能技术方法; 7.管路系统选用的管材、配件要符合有关的规范规定; 8.管路系统设计中要注意便于维修管理,操作、调节方便。二、管路系统的管材 管路系统的管材的选择可参考下表选用:三、供回水总管上的旁通阀与压差旁通阀的选择 在变水量水系统中,为了确保流经冷水机组中蒸发器的冷冻水流量恒定,在多台冷水机组的供回水总管上设一条旁通管。旁通管上安有压差控制的旁通调节阀。旁通管的最大设计流量按一台冷水机组的冷冻水水量拟定,旁通管管径直接按冷冻水管最大允许流速选择,不应未经计算就选择与旁通阀相似规格的管径。 当空调水系统采用国产 ZAPB、ZAPC 型电动调节阀作为旁通阀,末端设备管段的阻力为 0.2MPa 时,对应不同冷量冷水机组旁通阀的通径,可按下表选用:冷冻水压差旁通系统的选择计算 在冷冻水循环系统设计中,为方便控制,节省能量,常使用变流量控制。由于冷水机组为运行稳定,避免结冻,普通规定冷冻水流量不变,为了协调这一对矛盾,工程上常使用冷冻水压差旁通系统以确保在末端变流量的状况下,冷水机组侧流量不变。系统图如图一。1:冷水机组 2:冷冻水泵 3:压差旁通阀 4:压差控制器 5:电动二通阀 6:末端设备图一:变水量冷冻水系统图在这种系统设计中,压差旁通系统的作...

1、当您付费下载文档后,您只拥有了使用权限,并不意味着购买了版权,文档只能用于自身使用,不得用于其他商业用途(如 [转卖]进行直接盈利或[编辑后售卖]进行间接盈利)。
2、本站所有内容均由合作方或网友上传,本站不对文档的完整性、权威性及其观点立场正确性做任何保证或承诺!文档内容仅供研究参考,付费前请自行鉴别。
3、如文档内容存在违规,或者侵犯商业秘密、侵犯著作权等,请点击“违规举报”。

碎片内容

2025年空调水系统设计

您可能关注的文档

读万卷书+ 关注
实名认证
内容提供者

各类经典PPT文档分享

确认删除?
VIP
微信客服
  • 扫码咨询
会员Q群
  • 会员专属群点击这里加入QQ群
客服邮箱
回到顶部