电脑桌面
添加小米粒文库到电脑桌面
安装后可以在桌面快捷访问

安全检查评分表表格版.VIP免费

安全检查评分表表格版._第1页
1/30
安全检查评分表表格版._第2页
2/30
安全检查评分表表格版._第3页
3/30
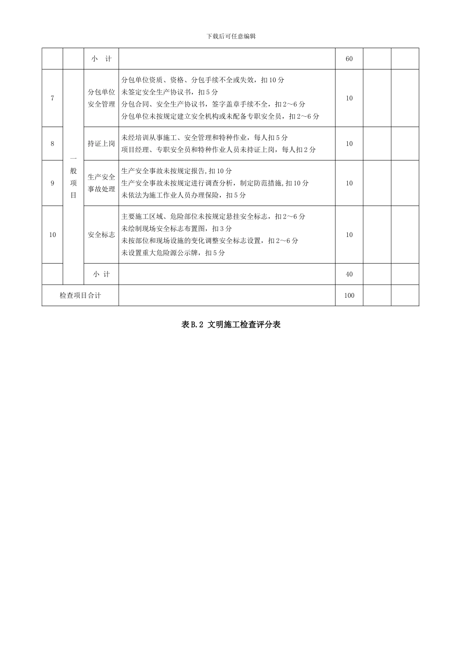
表 A 建筑施工安全检查评分汇总表企业名称: 资质等级: 年 月 日单位工程(施工现场)名 称建筑面积(m2)结构类型总计得分(满分分值100 分)项 目 名 称 及 分 值安全管理(满分 10分)文明施工(满分 15分)脚手架(满分 10分) 基坑工程(满分 10分)模板支架(满分 10分)高处作业(满分 10分)施工用电(满分10分)物料提升机与施工升降机(满分 10分)塔式起重机与起重吊装(满分 10分)施工机具(满分 5分) 评语:检查单位负责人受检项目项目经理下载后可任意编辑表 B.1 安全管理检查评分表序号检查项目扣 分 标 准应得分数扣减分数实得分数1保 证 项 目安全生产责任制未建立安全生产责任制,扣 10 分安全生产责任制未经责任人签字确认,扣 3 分未配备各工种安全技术操作规程,扣 2~10 分未按规定配备专职安全员,扣 10 分工程项目部承包合同中未明确安全生产考核指标,扣 5 分未制定安全生产资金保障制度,扣 5 分未编制安全资金使用计划或未按计划实施,扣 2~5 分未制定伤亡控制、安全达标、文明施工等管理目标,扣 5 分未进行安全责任目标分解,扣 5 分未建立安全生产责任制和责任目标的考核制度,扣 5 分未按考核制度对管理人员定期考核,扣 2~5 分102施工组织设计及专项施工方案施工组织设计中未制定安全技术措施,扣 10 分危险性较大的分部分项工程未编制安全专项施工方案,扣 10 分未按规定对超过一定规模危险性较大的分部分项工程专项施工方案进行专家论证,扣 10 分施工组织设计、专项方案未经审批,扣 10 分安全技术措施、专项施工方案无针对性或缺少设计计算,扣 2~8 分未按施工组织设计、专项施工方案组织实施,扣 2~10 分103安全技术交 底未进行书面安全技术交底,扣 10 分未按分部分项进行交底,扣 5 分交底内容不全面或针对性不强,扣 2~5 分交底未履行签字手续扣 4 分104安全检查未建立安全检查制度,扣 10 分未有安全检查记录,扣 5 分事故隐患的整改未做到定人、定时间、定措施,扣 2~6 分对重大事故隐患改通知书所列项目未按期整改和复查,扣 5~10 分105安全教育未建立安全教育培训制度,扣 10 分新工人入场未进行三级安全教育培训和考核,扣 5 分未明确具体安全教育培训内容,扣 2~8 分变换工种或采纳新技术、新工艺、新设备、新材料施工时未进行安全教育,扣 5 分施工管理人员、专职安全员未按规定进行年度...

1、当您付费下载文档后,您只拥有了使用权限,并不意味着购买了版权,文档只能用于自身使用,不得用于其他商业用途(如 [转卖]进行直接盈利或[编辑后售卖]进行间接盈利)。
2、本站所有内容均由合作方或网友上传,本站不对文档的完整性、权威性及其观点立场正确性做任何保证或承诺!文档内容仅供研究参考,付费前请自行鉴别。
3、如文档内容存在违规,或者侵犯商业秘密、侵犯著作权等,请点击“违规举报”。

碎片内容

安全检查评分表表格版.

不二商店+ 关注
实名认证
内容提供者

我是你的不二选择

相关文档

确认删除?
VIP
微信客服
  • 扫码咨询
会员Q群
  • 会员专属群点击这里加入QQ群
客服邮箱
回到顶部