电脑桌面
添加小米粒文库到电脑桌面
安装后可以在桌面快捷访问

安全检查隐患整改单VIP专享VIP免费

安全检查隐患整改单_第1页
1/10
安全检查隐患整改单_第2页
2/10
安全检查隐患整改单_第3页
3/10
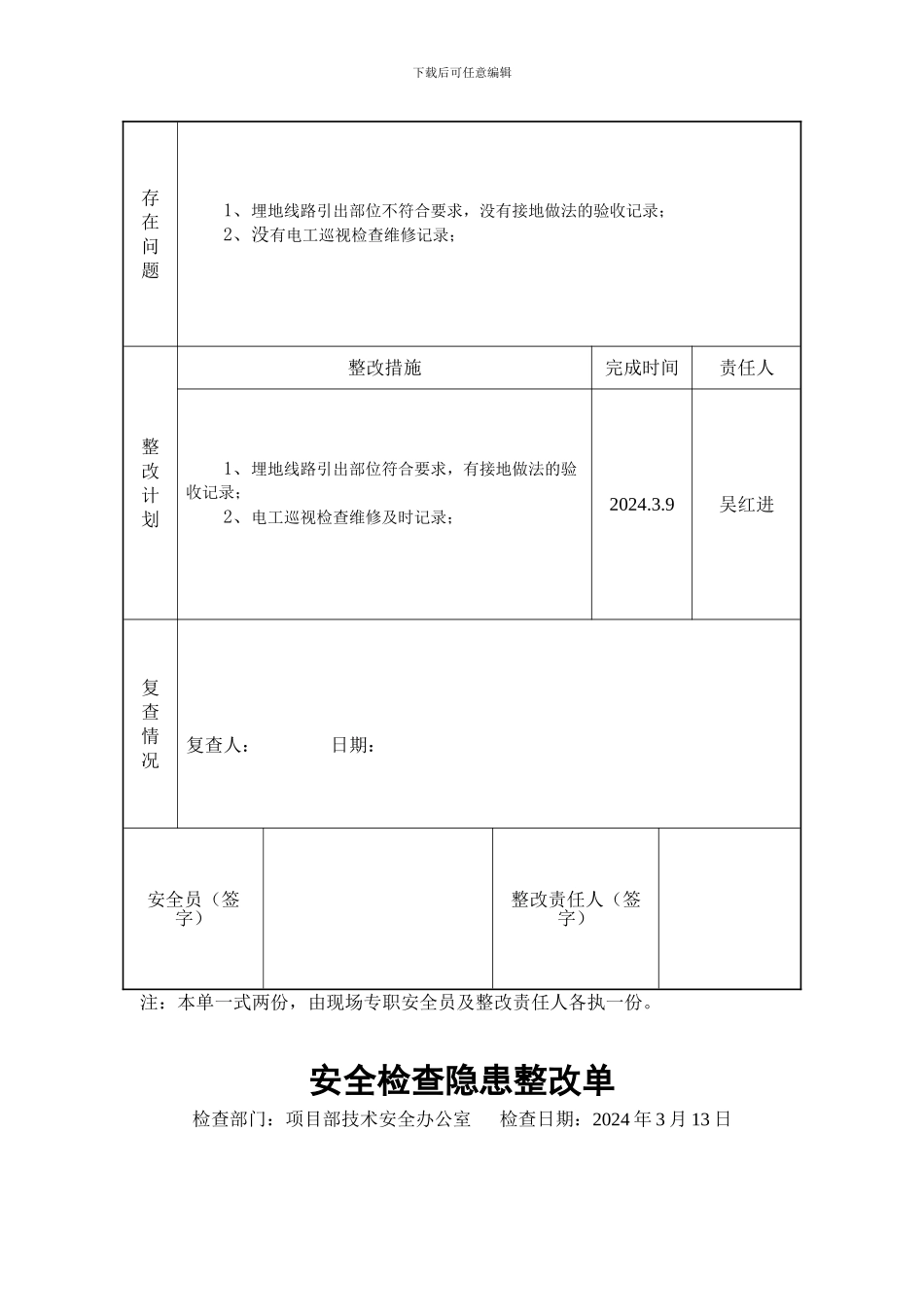
下载后可任意编辑安全检查隐患整改单检查部门:项目部技术安全办公室 检查日期:2024 年 2 月 28 日存在问题1、围挡未按法律规范要求设置,围挡边堆放重物。2、作业区及建筑物楼层内建筑垃圾未及时清理;3、施工现场没有配置消防灭火器材;4、施工现场没有必要的安全宣传标语。整改计划整改措施完成时间责任人1、围挡必须按要求连续设置,围挡边不得堆放重压物。2、作业区及建筑物楼层内建筑垃圾及时清理;3、施工现场消防平面布置图,并按图配置消防灭火器材;4、施工现场在明显处有必要的安全宣传标语。2024.3.1吴红进复查情况复查人: 日期:安全员(签字)整改责任人(签字)注:本单一式两份,由现场专职安全员及整改责任人各执一份。安全检查隐患整改单下载后可任意编辑检查部门:项目部技术安全办公室 检查日期:2024 年 3 月 5 日存在问题1、25#楼未按规定设置扫地杆;2、建筑物单元门及其他门洞口位置未按要求实行加固措施。整改计划整改措施完成时间责任人1、按规定设置扫地杆;2、建筑物单元门及其他门洞口位置按要求实行加固措施。2024.3.6吴红进复查情况复查人: 日期:安全员(签字)整改责任人(签字)注:本单一式两份,由现场专职安全员及整改责任人各执一份。安全检查隐患整改单检查部门:项目部技术安全办公室 检查日期:2024 年 3 月 8 日下载后可任意编辑存在问题1、埋地线路引出部位不符合要求,没有接地做法的验收记录;2、没有电工巡视检查维修记录;整改计划整改措施完成时间责任人1、埋地线路引出部位符合要求,有接地做法的验收记录;2、电工巡视检查维修及时记录;2024.3.9吴红进复查情况复查人: 日期:安全员(签字)整改责任人(签字)注:本单一式两份,由现场专职安全员及整改责任人各执一份。安全检查隐患整改单检查部门:项目部技术安全办公室 检查日期:2024 年 3 月 13 日下载后可任意编辑存在问题1、卸料平台未按规定设置防护栏杆;2、脚手架立杆未放在金属底座、垫木底、混凝土预制块上;3、洞口未挂安全标志;整改计划整改措施完成时间责任人1、卸料平台按规定设置防护栏杆;2、脚手架立杆放在金属底座、垫木底、混凝土预制块上;3、洞口按要求挂安全标志;2024.3.14吴红进复查情况复查人: 日期:安全员(签字)整改责任人(签字)注:本单一式两份,由现场专职安全员及整改责任人各执一份。安全检查隐患整改单检查部门:项目部技术安全办公室 检查日期:2024 年 3 月 ...

1、当您付费下载文档后,您只拥有了使用权限,并不意味着购买了版权,文档只能用于自身使用,不得用于其他商业用途(如 [转卖]进行直接盈利或[编辑后售卖]进行间接盈利)。
2、本站所有内容均由合作方或网友上传,本站不对文档的完整性、权威性及其观点立场正确性做任何保证或承诺!文档内容仅供研究参考,付费前请自行鉴别。
3、如文档内容存在违规,或者侵犯商业秘密、侵犯著作权等,请点击“违规举报”。

碎片内容

安全检查隐患整改单

确认删除?
VIP
微信客服
  • 扫码咨询
会员Q群
  • 会员专属群点击这里加入QQ群
客服邮箱
回到顶部