电脑桌面
添加小米粒文库到电脑桌面
安装后可以在桌面快捷访问

安全生产管理手册VIP免费

安全生产管理手册_第1页
1/35
安全生产管理手册_第2页
2/35
安全生产管理手册_第3页
3/35
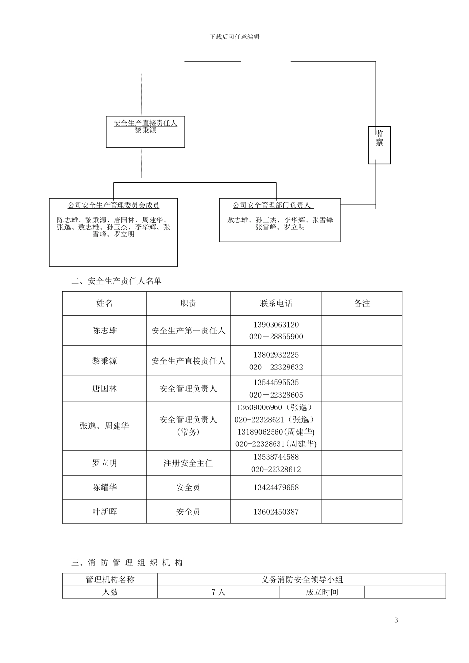
下载后可任意编辑阿波罗(中国)有限公司安全管理手册目 录一、安全生产三级管理网络图............................... ...........3二、安全生产责任人名单...............................................3三、消防管理组织机构.................................................4四、单位逐级消防安全责任人名单.......................................4五、安全工作会议制度 ................................................5六、安全上岗制度 ....................................................6七、员工安全培训规定.................................................6八、安全检查制度.....................................................7九、压力容器安全管理制度.............................................7十、气瓶安全管理制度 ...............................................9十一、厂内机动车安全管理规定.........................................10十二、起重机械安全管理规定.................. ........................12十三、新建、改建、扩建“三同时”安全管理规定.........................13十四、技术改造项目安全管理的规定.....................................14十五、技术改造项目安全卫生情况初步审批表.............................15十六、技术改造项目安全卫生情况初步审批表.............................16十七、高处作业管理制度...............................................17十八、手持电动工具的管理、使用、检查规定 ............................18十九、安全生产奖惩规定...............................................191下载后可任意编辑二十、突发事故应急预案 ..............................................22二十一、工伤事故的有关处理规定.......................................23二十二、公司内特发事故处理规定 .....................................25二十三、公司内防火安全规定...........................................25二十四、临时线路管理制度.............................................26二十五、动火安全管理规定.............................................27二十六、化学危险物品的安全管理规定...................................27二十七、外来施工员进厂施工安全管理规定 ..............................28二十八、公...

1、当您付费下载文档后,您只拥有了使用权限,并不意味着购买了版权,文档只能用于自身使用,不得用于其他商业用途(如 [转卖]进行直接盈利或[编辑后售卖]进行间接盈利)。
2、本站所有内容均由合作方或网友上传,本站不对文档的完整性、权威性及其观点立场正确性做任何保证或承诺!文档内容仅供研究参考,付费前请自行鉴别。
3、如文档内容存在违规,或者侵犯商业秘密、侵犯著作权等,请点击“违规举报”。

碎片内容

安全生产管理手册

您可能关注的文档

确认删除?
VIP
微信客服
  • 扫码咨询
会员Q群
  • 会员专属群点击这里加入QQ群
客服邮箱
回到顶部