电脑桌面
添加小米粒文库到电脑桌面
安装后可以在桌面快捷访问

安全质量标准化考核评分表.VIP免费

安全质量标准化考核评分表._第1页
1/40
安全质量标准化考核评分表._第2页
2/40
安全质量标准化考核评分表._第3页
3/40
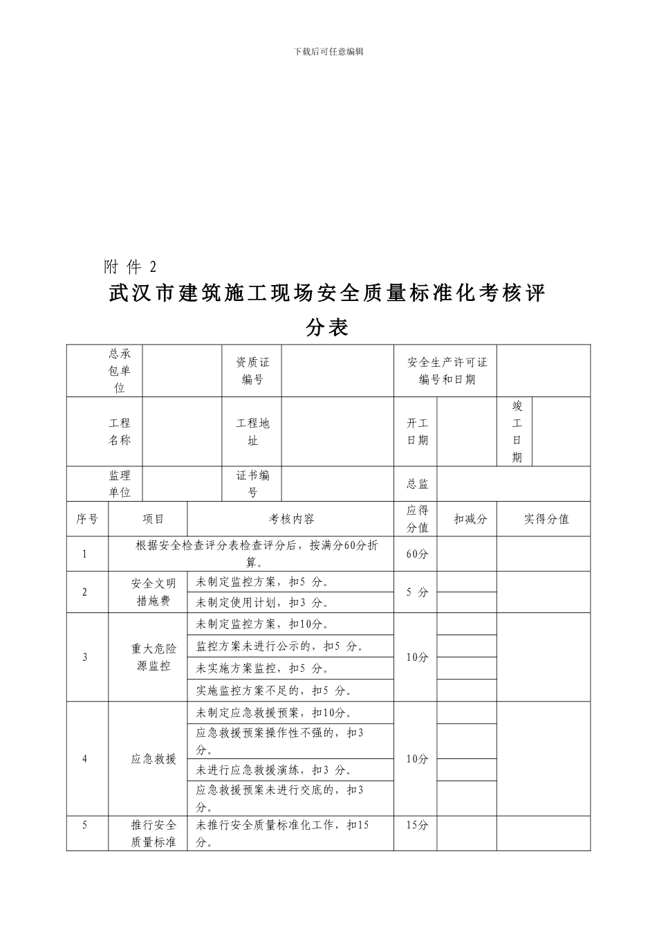
下载后可任意编辑附 件 2武 汉 市 建 筑 施 工 现 场 安 全 质 量 标 准 化 考 核 评分 表总承包单位资质证编号安全生产许可证编号和日期工程名称工程地址开工日期竣工日期监理单位证书编号总监序号项目考核内容应得分值扣减分实得分值1根据安全检查评分表检查评分后,按满分60分折算。60分 2安全文明措施费未制定监控方案,扣5 分。5 分 未制定使用计划,扣3 分。 3重大危险源监控未制定监控方案,扣10分。10分 监控方案未进行公示的,扣5 分。 未实施方案监控,扣5 分。 实施监控方案不足的,扣5 分。 4应急救援未制定应急救援预案,扣10分。10分 应急救援预案操作性不强的,扣3分。 未进行应急救援演练,扣3 分。 应急救援预案未进行交底的,扣3分。 5推行安全质量标准未推行安全质量标准化工作,扣15分。15分 下载后可任意编辑化工作未落实安全质量标准化工作制度,缺一项扣3 分。 总 计100分 5一票否决发生一起一般以上(含)生产安全事故的 被责令全面停工二次及以上的 市以上安全大检查评定为不合格施工现场,复查仍不合格的 瞒报生产安全事故,经举报查实的 施工企业自评 负责人 日期 监理单位审核意见 总监 日期 安全监督单位审核 考核负责人 日期 注:1 、申报工程如存在一票否决内容,或任一评分项目得分为0 ,则评为不合格。2 、有否决项的,在相应空格内打勾。3 、企业自评的,应有监理审核意见,并盖章。下载后可任意编辑评分方法一、安全检查评分汇总表满分为 100 分,当所检查项目有缺项时,按缺项计算其得分分值。计算公式:各项检查得分之和÷各检查项应得分之和×100%=实得分值(即百分率)二、汇总表所得分值乘以 60%记入考核评分表中序号 1内。三、《武汉市建设工程安全质量标准化达标施工现场考核评分表》满分为 100 分。70 分(含)以上为合格;80分(含)以上为优良。下载后可任意编辑下载后可任意编辑附件 2-1武汉市建筑施工现场安全质量标准化考核评分汇总表 企业名称:山河集团 资质等级:特级工 程 名称恒 大 名 都 二 期建筑面积结构层次框剪32层项 目 名 称分 表 应得 分权重实 际 得 分安 全 管 理10010%90文 明 施 工10010%90脚 手 架10010%88基 坑 支 护 与 模 板工 程10010%87“ 三 宝 ” “ 四口 ” 防 护10010%93施 工 用 电10010%90物 料 提 升 与 外 用电 梯10010%90塔 吊1001...

1、当您付费下载文档后,您只拥有了使用权限,并不意味着购买了版权,文档只能用于自身使用,不得用于其他商业用途(如 [转卖]进行直接盈利或[编辑后售卖]进行间接盈利)。
2、本站所有内容均由合作方或网友上传,本站不对文档的完整性、权威性及其观点立场正确性做任何保证或承诺!文档内容仅供研究参考,付费前请自行鉴别。
3、如文档内容存在违规,或者侵犯商业秘密、侵犯著作权等,请点击“违规举报”。

碎片内容

安全质量标准化考核评分表.

不二商店+ 关注
实名认证
内容提供者

我是你的不二选择

确认删除?
VIP
微信客服
  • 扫码咨询
会员Q群
  • 会员专属群点击这里加入QQ群
客服邮箱
回到顶部