电脑桌面
添加小米粒文库到电脑桌面
安装后可以在桌面快捷访问

2024年公路工程工地材料取样方法VIP免费

2024年公路工程工地材料取样方法_第1页
1/12
2024年公路工程工地材料取样方法_第2页
2/12
2024年公路工程工地材料取样方法_第3页
3/12
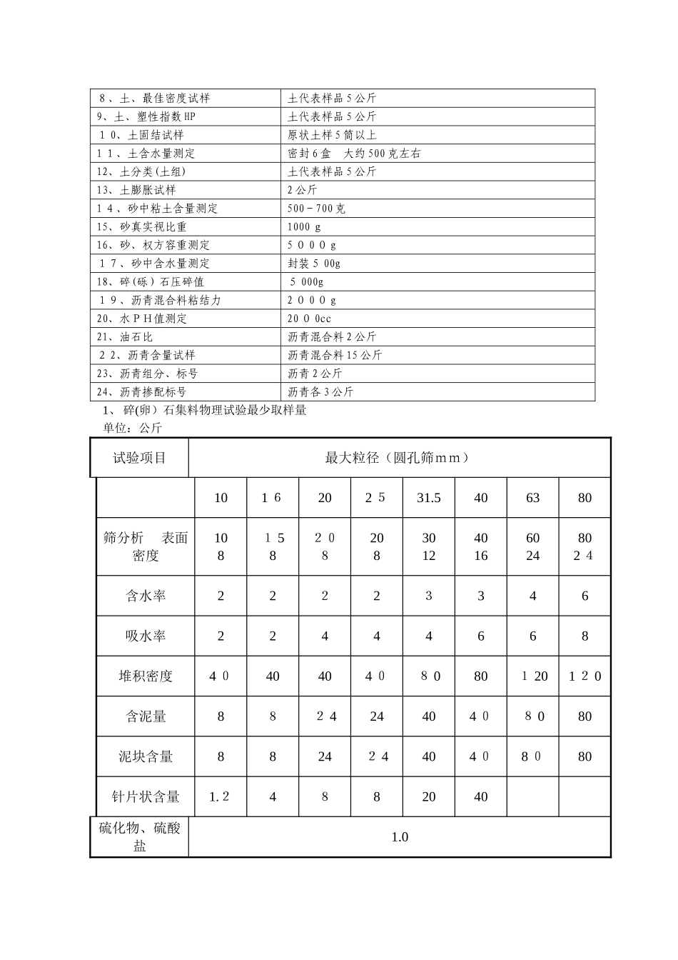
公路工程工地材料取样方法取样方法正确与否是判定材料的总体质量,至关重要。工地取样必须由试验人员或监理人员在料场或料堆中选取代表性的试样。为了帮助取样人员能正确选取代表性的样品,提供以下主要材料的取样方法。1、水泥(软炼试验)的取样,必须在同一品种水泥仓库中,在20包里每包各取05~1公斤,作为检验样品送检。2、钢筋每批20~30吨中取代表样品三根(必须在整根中取样)。短杂、不同批,不同规格的钢筋,不得作为代表样品,不同批不同规格的钢筋,应另取代表样品送检。3、砂、石集料取样,应在料堆,离地面大于20cm以上,顶部10cm以下的上、中、下三个部位选取均匀性的代表样品各5份为一样品质。4、砼拌和物取样应在拌和物机旁取样,观察。拌和物比较正常时(拌和物均匀颜色一致混合物没有离析的情况)选取样品并立即制样,在试件上标明,制作日期、路段(桩号、部位),试件编号等。5、压实土样的选取,压实土样必须在土料场选取,路基土方填土工程,如需在几个土料场取土时,不同土组亦分别取样作压实试验。6、土含水量取样在摊铺现场,取料堆中部样品(指的是压实前的样品)在工地立即测基含水量如送试验室测定时,试样应密封后立即送检。7、土、石、粉煤灰、水泥稳定层混合料,要在拌和均匀的混合料中取样,就地测出施工现场混合料含水量。核对是否符合施工最佳含水量。8、塑砼钻孔取芯样,如以随机抽样法所定出的取样部位,遇到在板边时,应移至离板边角30-40cm的位置钻取芯样。9、石材强度鉴定的取样(即鉴定石材等级)应按照石材有关规定各试件的尺寸,选取石料场中代表性的石料并具有加工磨光面的尺寸,如7.07*7.07*7.07cm应取周边70.9cm一组(三块)试件中职具备的平面则无需增加。10、桶装液体石油沥青表层到场或仓库中应对不同沥青的品种(标号)进行分别堆放在同一品种中以梅花式桶中至少在三桶中各取1-1.5公斤样品,不同标号的必须分别取样。固体石油沥青以观察脆性区分,然后分别取样。(一)路、桥建筑材料送检(试)验取样规格及数量表1试验项目取样规格及数量1、水泥软炼试验(标号)1组水泥10公斤(同品种20包中取样)2、砂浆配合比(标号)1组标号水泥一袋(50公斤)砂30斤3、水泥砼配合比砼C35以上标号水泥2包(100公斤)砂180公斤石子400公斤砼C35以下标号水泥1包砂100公斤石子250公斤4、水泥、石灰、粉扎灰稳定配合比水泥2包砂50公斤石子80公斤石灰10公斤5、沥青混合料配合比沥青50公斤碎石5-40mm150公斤粗砂40公斤细砂40公斤矿料10公斤6、钢筋抗弯拉试验钢筋在同批中取样(约20T为一批)拉力35cm+5d代表样品三根弯曲15cm+5D代表样品三根7、水泥砼试样每工作班或200m3制二组,抗弯拉小梁二组8、土、最佳密度试样土代表样品5公斤9、土、塑性指数HP土代表样品5公斤10、土固结试样原状土样5筒以上11、土含水量测定密封6盒大约500克左右12、土分类(土组)土代表样品5公斤13、土膨胀试样2公斤14、砂中粘土含量测定500-700克15、砂真实视比重1000g16、砂、权方容重测定5000g17、砂中含水量测定封装500g18、碎(砾)石压碎值5000g19、沥青混合料粘结力2000g20、水PH值测定2000cc21、油石比沥青混合料2公斤22、沥青含量试样沥青混合料15公斤23、沥青组分、标号沥青2公斤24、沥青掺配标号沥青各3公斤1、碎(卵)石集料物理试验最少取样量单位:公斤试验项目最大粒径(圆孔筛mm)1016202531.5406380筛分析表面密度1081582082083012401660248024含水率22223346吸水率22444668堆积密度404040408080120120含泥量88242440408080泥块含量88242440408080针片状含量1.24882040硫化物、硫酸盐1.0注:1、有机物含量、坚固性及压碎指标值试验,应按规定粒级要求取样。2、采用广口瓶法测定表现密度时,集料最大粒径不大于40mm者,其最少取样数量为8kg。2.土类各项物理试验最好取样量试验项目土样类别土样状态最大颗粒直径(mm)土样质量或体积备注含水量砂类土扰动300-500g在现场以铝盒取样时,必须现场称铝盒及湿土质量细粒土扰动300-400g密度砂类土原状10cm*10*10细粒土原状Ф10*20比重砂类土扰动1500g细粒土扰...

1、当您付费下载文档后,您只拥有了使用权限,并不意味着购买了版权,文档只能用于自身使用,不得用于其他商业用途(如 [转卖]进行直接盈利或[编辑后售卖]进行间接盈利)。
2、本站所有内容均由合作方或网友上传,本站不对文档的完整性、权威性及其观点立场正确性做任何保证或承诺!文档内容仅供研究参考,付费前请自行鉴别。
3、如文档内容存在违规,或者侵犯商业秘密、侵犯著作权等,请点击“违规举报”。

碎片内容

2024年公路工程工地材料取样方法

您可能关注的文档

确认删除?
VIP
微信客服
  • 扫码咨询
会员Q群
  • 会员专属群点击这里加入QQ群
客服邮箱
回到顶部