电脑桌面
添加小米粒文库到电脑桌面
安装后可以在桌面快捷访问

2025年施工企业安全生产评价标准JGJTVIP免费

2025年施工企业安全生产评价标准JGJT_第1页
1/8
2025年施工企业安全生产评价标准JGJT_第2页
2/8
2025年施工企业安全生产评价标准JGJT_第3页
3/8
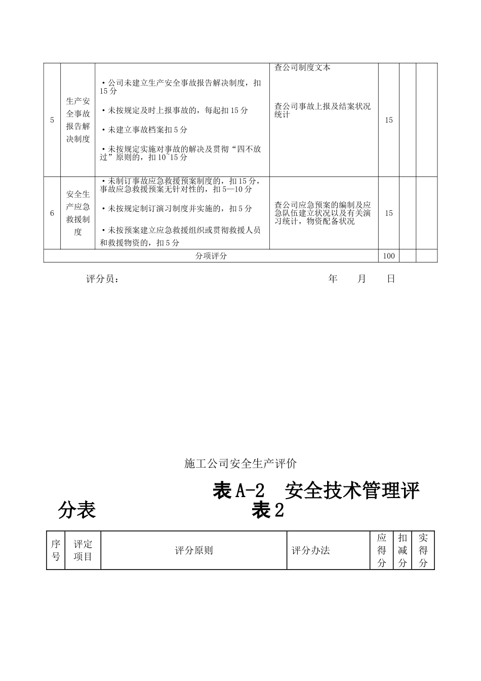
施工公司安全生产评价原则 JGJ/T77-附录 A 施工公司安全生产评价 表 A-1 安全生产管理评分表 表 1序号评定项目评分原则评分办法应得分扣减分实得分1安全生产责任制度·公司未建立安全生产责任制度,扣 20 分,各部门、各级(岗位)安全生产责任制度不健全,扣 10~15 分·公司未建立安全生产责任制考核制度,扣 10分,各部门、各级对各自安全生产责任制未执行,每起扣 2 分公司未按考核制度组织检查并考核的,扣 10分,考核不全方面扣 5~10 分·公司未建立、完善安全生产管理[b1]目的,扣 10 分,未对管理目的实施考核的,扣 5~10分·公司未建立安全生产考核、奖惩制度扣 10分,未实施考核和奖惩的,扣 5~10 分查公司有关制度文本;抽查公司各部门、所属单位有关负责人对安全生产责任制的知晓状况,查确认统计,查公司考核统计。 查公司文献,查公司对下属单位各级管理目的设立及考核状况统计;查公司安全生产奖惩制度文本和考核、奖惩统计20 2安全文明资金保障制度·公司未建立安全生产、文明施工资金保障制度扣 20 分制度无针对性和具体方法的,扣 10~15 分·未按规定对安全生产、文明施工方法费的贯彻状况进行考核,扣 10~15 分查公司制度文本、财务资金预算及使用统计20 3安全教育培训制度·公司未按规定建立安全培训教育制度,扣 15分·制度未明确公司重要负责人、项目经理、安全专职人员及其它管理人员,特种作业人员,待岗、转岗、换岗职工,新进单位从业人员安全培训教育规定的,扣 5~10 分·公司未编制年度安全培训教育计划,扣 5~10 分,公司未按年度计划实施的,扣 5~10 分 查公司制度文本、公司培训计划文本和教育的实施统计、公司年度培训教育统计和管理人员的有关证书15 4安全检查及隐患排查制度·公司未建立安全检查及隐患排查制度,扣 15分,制度不全方面、不完善的,扣 5~10 分·未按规定组织检查的,扣 15 分,检查不全方面、不及时的,扣 5~10 分·对检查出的隐患未采用定人、定时、定方法进行整治的,每起扣 3 分,无整治复查统计的,每起扣 3 分对多发或重大隐患未排摸或未采用有效治理方法的,扣 3-15 分查公司制度文本、公司检查统计、公司对隐患整治消项、处置状况统计,隐患排查统计表15 5生产安全事故报告解决制度·公司未建立生产安全事故报告解决制度,扣15 分·未按规定及时上报事故的,每起扣 15 分·未建立事故档案扣 5 分·未按规定实施对事故...

1、当您付费下载文档后,您只拥有了使用权限,并不意味着购买了版权,文档只能用于自身使用,不得用于其他商业用途(如 [转卖]进行直接盈利或[编辑后售卖]进行间接盈利)。
2、本站所有内容均由合作方或网友上传,本站不对文档的完整性、权威性及其观点立场正确性做任何保证或承诺!文档内容仅供研究参考,付费前请自行鉴别。
3、如文档内容存在违规,或者侵犯商业秘密、侵犯著作权等,请点击“违规举报”。

碎片内容

2025年施工企业安全生产评价标准JGJT

您可能关注的文档

确认删除?
VIP
微信客服
  • 扫码咨询
会员Q群
  • 会员专属群点击这里加入QQ群
客服邮箱
回到顶部