电脑桌面
添加小米粒文库到电脑桌面
安装后可以在桌面快捷访问

2025年铸铁铸件技术标准及接收准则VIP免费

2025年铸铁铸件技术标准及接收准则_第1页
1/7
2025年铸铁铸件技术标准及接收准则_第2页
2/7
2025年铸铁铸件技术标准及接收准则_第3页
3/7
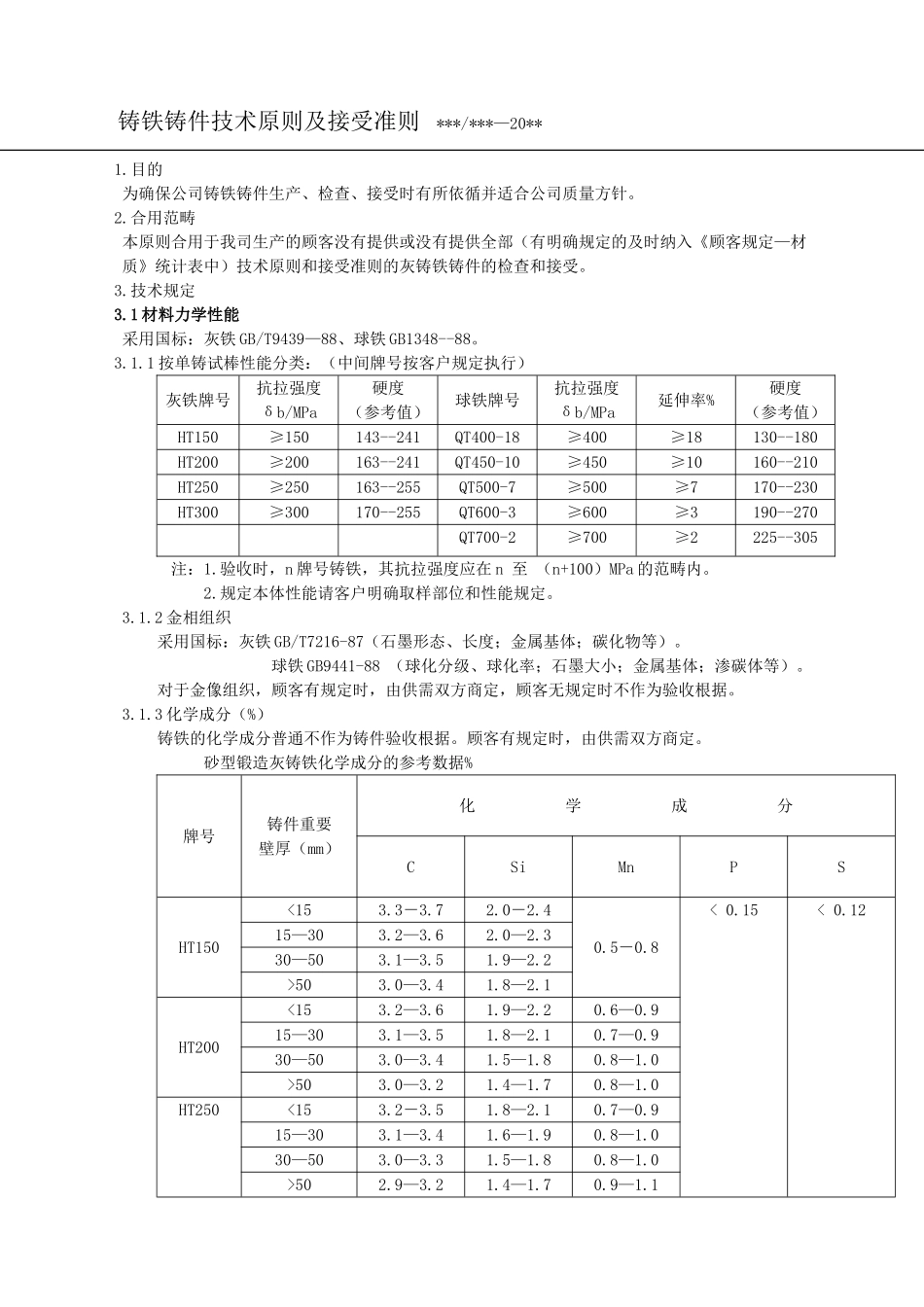
铸铁铸件技术原则及接受准则 ***/***—20**1.目的为确保公司铸铁铸件生产、检查、接受时有所依循并适合公司质量方针。2.合用范畴 本原则合用于我司生产的顾客没有提供或没有提供全部(有明确规定的及时纳入《顾客规定—材质》统计表中)技术原则和接受准则的灰铸铁铸件的检查和接受。3.技术规定3.1 材料力学性能采用国标:灰铁 GB/T9439—88、球铁 GB1348--88。3.1.1 按单铸试棒性能分类:(中间牌号按客户规定执行)灰铁牌号抗拉强度δb/MPa硬度(参考值)球铁牌号抗拉强度δb/MPa延伸率%硬度(参考值)HT150≥150143--241QT400-18≥400≥18130--180HT200≥200163--241QT450-10≥450≥10160--210HT250≥250163--255QT500-7≥500≥7170--230HT300≥300170--255QT600-3≥600≥3190--270QT700-2≥700≥2225--305注:1.验收时,n 牌号铸铁,其抗拉强度应在 n 至 (n+100)MPa 的范畴内。 2.规定本体性能请客户明确取样部位和性能规定。 3.1.2 金相组织采用国标:灰铁 GB/T7216-87(石墨形态、长度;金属基体;碳化物等)。 球铁 GB9441-88 (球化分级、球化率;石墨大小;金属基体;渗碳体等)。对于金像组织,顾客有规定时,由供需双方商定,顾客无规定时不作为验收根据。3.1.3 化学成分(%)铸铁的化学成分普通不作为铸件验收根据。顾客有规定时,由供需双方商定。砂型锻造灰铸铁化学成分的参考数据%牌号铸件重要壁厚(mm)化 学 成 分CSiMnPSHT150<153.3-3.72.0-2.40.5-0.8< 0.15< 0.1215—303.2—3.62.0—2.330—503.1—3.51.9—2.2>503.0—3.41.8—2.1HT200<153.2—3.61.9—2.20.6—0.915—303.1—3.51.8—2.10.7—0.930—503.0—3.41.5—1.80.8—1.0>503.0—3.21.4—1.70.8—1.0HT250<153.2-3.51.8—2.10.7—0.915—303.1—3.41.6—1.90.8—1.030—503.0—3.31.5—1.80.8—1.0>502.9—3.21.4—1.70.9—1.1HT300<153.1—3.41.5—1.80.8—1.015—303.0—3.31.4—1.70.8—1.030—502.9—3.21.4—1.70.9—1.1>502.8—3.11.3—1.61.0—1.2砂型锻造球墨铸铁化学成分的参考数据%球铁种类CSiMnPSCuMoMg 残RE 残铁素体QT400-18QT450-10铸态3.5-4.02.5-3.0≤0.3≤0.07≤0.02不 适宜 含V、Ti、 Cu、W、Mo、Cr0.03-0.060.02-0.04退火3.5-3.92.0-2.7≤0.5铁素体+珠光体QT500-7铸态3.5-3.82.2-2.7≤0.5退火2.0-2.5≤0.6珠光体QT600-3QT700-2铸态3.5-3.82.1-2.50.3-0.50.5-1.00.0-0.2热解决3.5-3.72.0-2.40.4-0.80.0-1.0在确...

1、当您付费下载文档后,您只拥有了使用权限,并不意味着购买了版权,文档只能用于自身使用,不得用于其他商业用途(如 [转卖]进行直接盈利或[编辑后售卖]进行间接盈利)。
2、本站所有内容均由合作方或网友上传,本站不对文档的完整性、权威性及其观点立场正确性做任何保证或承诺!文档内容仅供研究参考,付费前请自行鉴别。
3、如文档内容存在违规,或者侵犯商业秘密、侵犯著作权等,请点击“违规举报”。

碎片内容

2025年铸铁铸件技术标准及接收准则

您可能关注的文档

读万卷书+ 关注
实名认证
内容提供者

各类经典PPT文档分享

确认删除?
VIP
微信客服
  • 扫码咨询
会员Q群
  • 会员专属群点击这里加入QQ群
客服邮箱
回到顶部