电脑桌面
添加小米粒文库到电脑桌面
安装后可以在桌面快捷访问

常用建筑图例构件表示方法VIP免费

常用建筑图例构件表示方法_第1页
1/9
常用建筑图例构件表示方法_第2页
2/9
常用建筑图例构件表示方法_第3页
3/9
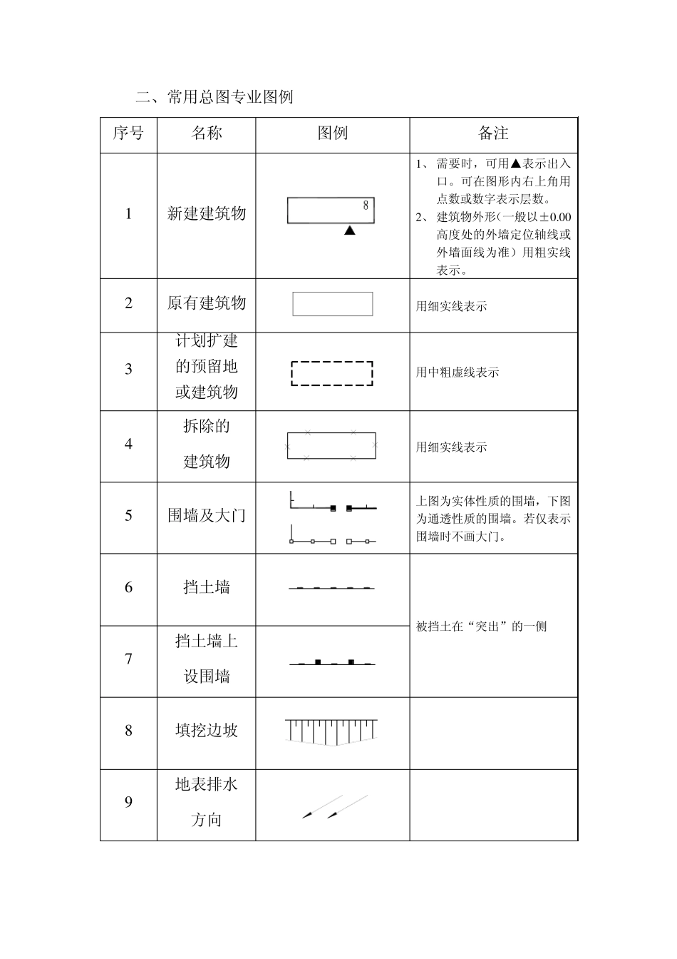
一、常用建筑材料图例 序号 名称 图例 备注 1 自然土壤 2 素土夯实 3 毛石 4 普通砖 包括实心砖、多孔砖、砌块等砌体。断面较小不易绘出图例线时,可涂黑。 5 混凝土 1 、 本图例指能承重的混凝土和钢筋混凝土。 2 、 包括各种强度等级、材料、外加剂的混凝土。 3 、 在剖面图上画出钢筋时,不画图例线。 4 、 断面图形小,不易画出图例线时,可涂黑。 6 钢筋混凝土 7 木材 1 、 上图为横断面,上左图为垫木、木砖或木龙骨。 2 、 下图为纵断面。 8 多孔材料 包括水泥珍珠岩、泡沫混凝土、软木等。 9 金属 1 、 包括各种金属。 2 、 图形小时,可涂黑。 1 0 防水材料 1 1 粉刷 二、常用总图专业图例 序号 名称 图例 备注 1 新建建筑物 1 、 需要时,可用▲表示出入口。可在图形内右上角用点数或数字表示层数。 2 、 建筑物外形(一般以±0 .0 0高度处的外墙定位轴线或外墙面线为准)用粗实线表示。 2 原有建筑物 用细实线表示 3 计划扩建 的预留地 或建筑物 用中粗虚线表示 4 拆除的 建筑物 用细实线表示 5 围墙及大门 上图为实体性质的围墙,下图为通透性质的围墙。若仅表示围墙时不画大门。 6 挡土墙 被挡土在“突出”的一侧 7 挡土墙上 设围墙 8 填挖边坡 9 地表排水 方向 三、常用建筑专业图例 序号 名称 图例 备注 1 墙体 应加注文字或填充图例表示墙体材料,或在项目建筑设计说明中给予说明。 2 坡道 上图为长坡道,下图为门口坡道。 3 平面高差 适用于高差小于 100 的两个地面或楼面相接处。 4 孔洞 5 坑槽 6 空门洞 h为门洞高度。 7 竖向卷帘门 1、 门的名称代号用 M。 2、 图例中剖面图左为外、右为内,平面图下为外、上为内。 3、 立面形式按实际情况绘制。 续表 序号 名称 图例 备注 8 单扇门(包括平开或单面弹簧) 1、 门的名称代号用M 。 2、 图例中剖面图左为外、右为内,平面图下为外、上为内。 3、 立面图上开启方向线交角的一侧为安装合页的一侧,实线为外开、虚线为内开。 4、 平面图上门线应90°或45°开启,开启弧线宜画出。 5、 立面图上的开启线在一般设计图中可不表示,在详图或室内设计图上应表示。 6、 立面形式按实际情况绘制。 9 双扇门(包括平开或单面弹簧) 10 单扇双面 弹簧门 11 双扇双面 弹簧门 12 新建的窗 1、 本图以小型砌块为图例,绘图...

1、当您付费下载文档后,您只拥有了使用权限,并不意味着购买了版权,文档只能用于自身使用,不得用于其他商业用途(如 [转卖]进行直接盈利或[编辑后售卖]进行间接盈利)。
2、本站所有内容均由合作方或网友上传,本站不对文档的完整性、权威性及其观点立场正确性做任何保证或承诺!文档内容仅供研究参考,付费前请自行鉴别。
3、如文档内容存在违规,或者侵犯商业秘密、侵犯著作权等,请点击“违规举报”。

碎片内容

常用建筑图例构件表示方法

小辰2+ 关注
实名认证
内容提供者

出售各种资料和文档

相关文档

确认删除?
VIP
微信客服
  • 扫码咨询
会员Q群
  • 会员专属群点击这里加入QQ群
客服邮箱
回到顶部