电脑桌面
添加小米粒文库到电脑桌面
安装后可以在桌面快捷访问

常用标准件新旧标准对照表VIP免费

常用标准件新旧标准对照表_第1页
1/11
常用标准件新旧标准对照表_第2页
2/11
常用标准件新旧标准对照表_第3页
3/11
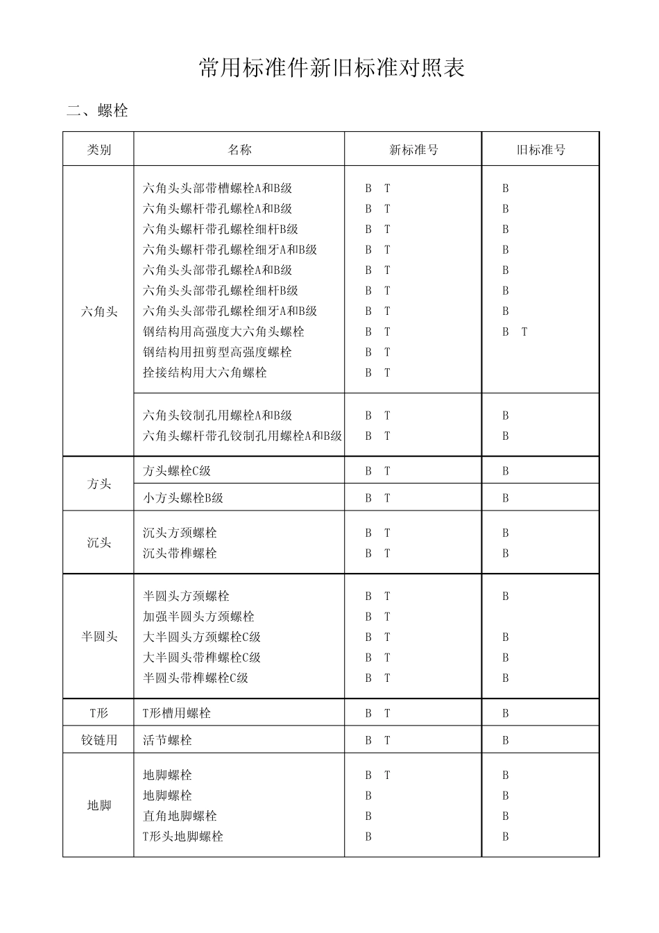
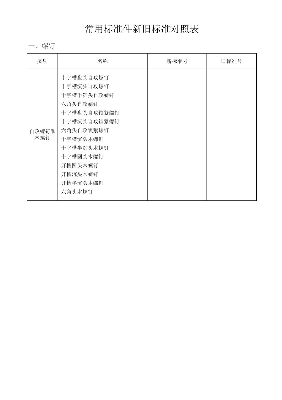
类别名称新标准号旧标准号 十字槽盘头螺钉 GB/T 818-2000 GB 818-85 十字槽半沉头螺钉 GB/T 820-2000 GB 820-85 十字槽沉头螺钉 GB/T 819.1-2000 十字槽沉头螺钉 GB/T 819.2-1997 十字槽圆柱头螺钉 GB/T 822-2000 GB 822-88 开槽圆柱头螺钉 GB/T 65-2000 GB 65-85 开槽盘头螺钉 GB/T 67-2000 GB 67-85 开槽沉头螺钉 GB/T 68-2000 GB 68-85 开槽半沉头螺钉 GB/T 69-2000 内六角圆柱头螺钉 GB/T 70.1-2000 GB/T 70-85 内六角平圆头螺钉 GB/T 70.2-2000 内六角沉头螺钉 GB/T 70.3-2000 开槽锥端紧定螺钉 GB/T 71-1985 GB 71-85 开槽平端紧定螺钉 GB/T 73-1985 GB 73-85 开槽凹端紧定螺钉 GB/T 74-1985 GB 74-85 开槽长圆柱端紧定螺钉 GB/T 75-1985 GB 75-85 内六角平端紧定螺钉 GB/T 77-2000 GB/T 77-1985 内六角锥端紧定螺钉 GB/T 78-2000 GB/T 78-1985 内六角凹端紧定螺钉 GB/T 80-2000 GB/T 80-1985 内六角圆柱端紧定螺钉 GB/T 79-2000 GB/T 79-1985 方头长圆柱球面端紧定螺钉 GB/T 83-1988 GB 83-88 方头凹端紧定螺钉 GB/T 84-1988 GB 84-88 方头长圆柱端紧定螺钉 GB/T 85-1988 GB 85-88 方头倒角端紧定螺钉 GB/T 821-1988 GB 821-88 方头短圆柱锥端紧定螺钉 GB/T 86-1988 GB 86-88定位螺钉 开槽锥端定位螺钉 GB/T 72-1988 GB 72-88六角头不脱出螺钉 GB/T 838-1988 GB 838-88开槽沉头不脱出螺钉 GB/T 948-1988 GB 948-88 GB/T 825-1988 GB 825-88 无替代 JB/ZQ 4353-1986吊环螺钉吊环螺钉一、螺钉 紧定螺钉常用标准件新旧标准对照表不脱出螺钉机螺钉常用标准件新旧标准对照表类别名称新标准号旧标准号 十字槽盘头自攻螺钉 GB/T 845-1985 GB 845-85 十字槽沉头自攻螺钉 GB/T 846-1985 GB 846-85 十字槽半沉头自攻螺钉 GB/T 847-1985 GB 847-85 六角头自攻螺钉 GB/T 5285-1985 十字槽盘头自攻锁紧螺钉 GB/T 6560-1986 GB 6560-86 十字槽沉头自攻锁紧螺钉 GB/T 6561-1986 GB 6561-86 六角头自攻锁紧螺钉 GB/T 6563-1986 十字槽沉头木螺钉 GB/T 951-1986 GB 951-86 十字槽半沉头木螺钉 GB/T 952-1986 GB 952-86 十字槽圆头木螺钉 GB/T 950-1986 GB 950-86 开槽圆头木螺钉 GB/T 99-1986 GB 99-86 开槽沉头木螺钉 GB/T 100-1986 GB 100-86 开槽半...

1、当您付费下载文档后,您只拥有了使用权限,并不意味着购买了版权,文档只能用于自身使用,不得用于其他商业用途(如 [转卖]进行直接盈利或[编辑后售卖]进行间接盈利)。
2、本站所有内容均由合作方或网友上传,本站不对文档的完整性、权威性及其观点立场正确性做任何保证或承诺!文档内容仅供研究参考,付费前请自行鉴别。
3、如文档内容存在违规,或者侵犯商业秘密、侵犯著作权等,请点击“违规举报”。

碎片内容

常用标准件新旧标准对照表

您可能关注的文档

确认删除?
VIP
微信客服
  • 扫码咨询
会员Q群
  • 会员专属群点击这里加入QQ群
客服邮箱
回到顶部