电脑桌面
添加小米粒文库到电脑桌面
安装后可以在桌面快捷访问

常见事故现场应急处置告知卡(34项)VIP免费

常见事故现场应急处置告知卡(34项)_第1页
1/52
常见事故现场应急处置告知卡(34项)_第2页
2/52
常见事故现场应急处置告知卡(34项)_第3页
3/52
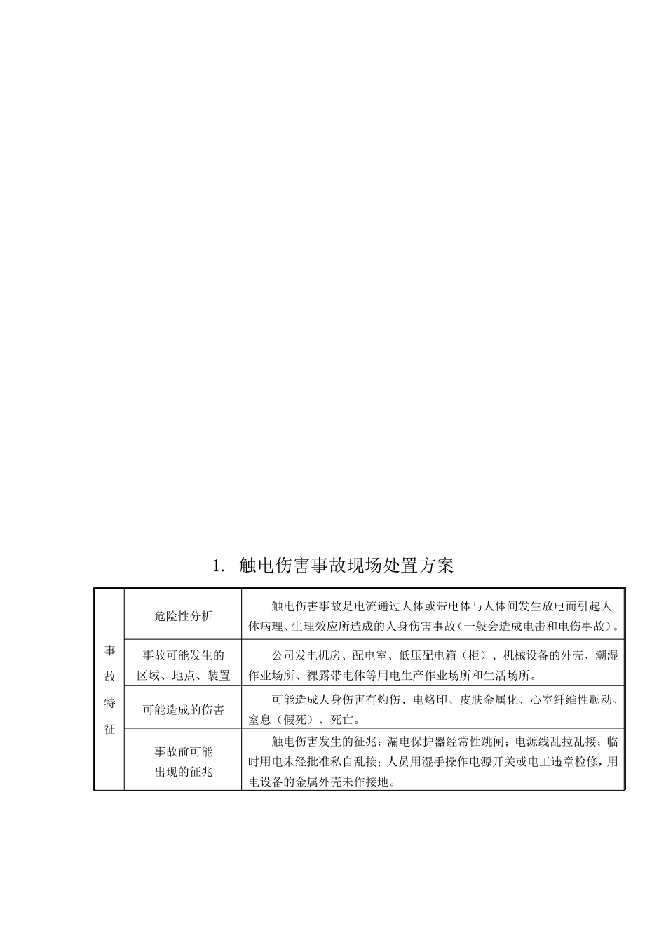
目录 1、触电伤害事故现场处置方案......................................... 2 2、机械伤害事故现场处置方案......................................... 4 3、物体打击伤害事故现场处置方案..................................... 6 4、火灾事故现场处置方案............................................. 8 5、危险化学品(中转仓及使用区)泄漏事故现场处置方案................ 10 6、灼烫伤害事故现场处置方案........................................ 12 7、高处坠落伤害事故现场处置方案.................................... 14 8、中毒伤害事故现场处置方案........................................ 16 9、特种设备事故现场处置方案........................................ 18 10、压力容器爆炸事故现场处置方案................................... 20 11、职业危害事故现场处置方案....................................... 22 12、污水处理现场淹溺事故现场处置方案............................... 24 13、电梯事故现场处置方案........................................... 26 15、有限空间作业事故现场处置方案................................... 29 16、装置区着火应急处置............................................. 31 17、空压机房着火应急处置........................................... 32 18、罐区着火应急处置............................................... 33 19、化验室着火应急处置............................................. 34 20、配电室着火应急处置............................................. 35 21、人员伤害类突发事件(机械)..................................... 36 23、高空坠落伤害应急处置........................................... 37 22、触电伤害应急处置............................................... 38 24、车辆伤害应急处置............................................... 39 25、人员中暑应急处置............................................... 40 26、人员中毒应急处置............................................... 41 27、装置区管线泄漏应急处置......................................... 42 28、罐区管线泄漏应急处置........................................... 43 29、装车区管线泄漏应...

1、当您付费下载文档后,您只拥有了使用权限,并不意味着购买了版权,文档只能用于自身使用,不得用于其他商业用途(如 [转卖]进行直接盈利或[编辑后售卖]进行间接盈利)。
2、本站所有内容均由合作方或网友上传,本站不对文档的完整性、权威性及其观点立场正确性做任何保证或承诺!文档内容仅供研究参考,付费前请自行鉴别。
3、如文档内容存在违规,或者侵犯商业秘密、侵犯著作权等,请点击“违规举报”。

碎片内容

常见事故现场应急处置告知卡(34项)

您可能关注的文档

确认删除?
VIP
微信客服
  • 扫码咨询
会员Q群
  • 会员专属群点击这里加入QQ群
客服邮箱
回到顶部