电脑桌面
添加小米粒文库到电脑桌面
安装后可以在桌面快捷访问

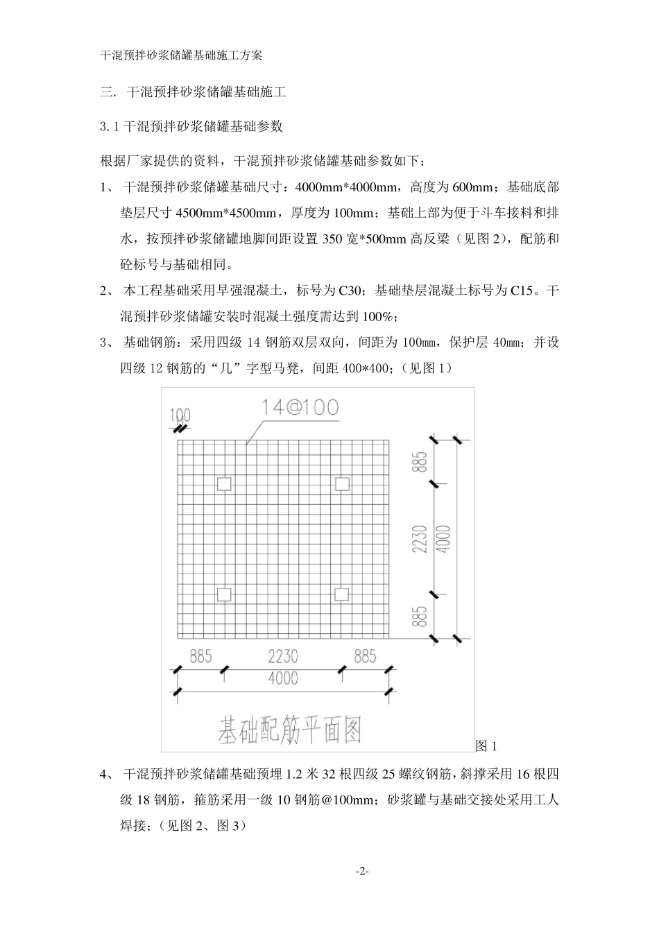
干混预拌砂浆储罐基础施工方案VIP免费

干混预拌砂浆储罐基础施工方案_第1页
1/6
干混预拌砂浆储罐基础施工方案_第2页
2/6
干混预拌砂浆储罐基础施工方案_第3页
3/6
干混预拌砂浆储罐基础施工方案 -1 - 目录 一.工程概况.................................................................................................................. 1 二.平面布置.................................................................................................................. 1 三. 干混预拌砂浆储罐基础施工................................................................................ 2 3.1 干混预拌砂浆储罐基础参数 ......................................................................... 2 3.2 干混预拌砂浆储罐基础施工.......................................................................... 3 四、文明施工................................................................................................................ 3 五、预拌砂浆机操作规程............................................................................................ 3 干 混 预 拌 砂 浆 储 罐 基 础 施 工 方 案 -1 - 一 .工 程 概 况 本 项 目 用 地 位 于 长 沙 岳 麓 区 洋 湖 街 道 , 坪 塘 大 道 及 连 江 路 交 汇 处 东 北 角 。 用地 西 临 坪 塘 大 道 , 西 北 角 临 三 环 线 辅 道 , 北 面 临 岳 麓 区 第 三 小 学 , 东 临 连 塘 路 。项 目 用 地 总 面 积 81063 ㎡ , 净 用 地 面 积 73009 ㎡ , 整 体 呈 不 规 则 型 , 南 北 向 长 约309m, 东 西 向 长 约 350m,沿 连 塘 路 一 侧 地 势 最 高 , 沿 西 三 环 辅 道 一 侧 最 低 , 目 前用 地 内 多 为 农 田 和 农 舍 。 项 目 由 湖 南 湘 江 新 区 投 资 集 团 有 限 公 司 开 发 , 设 计 由1 栋 单 层 门 卫 楼 ( 1#栋 ), 3#栋 多 层 综 合 楼 ( 2#-4#栋 ), 1 栋 多 层 体 育 馆 ( 5#栋 ), 1 座 垃 圾 收 集 站 ( 6#栋 ) ,3 栋 多 层 教 学 楼 ( 7#-9#栋 ), 3 栋 多 层 宿 舍 楼 ( 10#-12#栋 ), 一 个 室 外 运 动场 组 成, 地 下室 工4 处 , 2#-4#栋 的地 下室 为 车库及 设 备用 房,...

1、当您付费下载文档后,您只拥有了使用权限,并不意味着购买了版权,文档只能用于自身使用,不得用于其他商业用途(如 [转卖]进行直接盈利或[编辑后售卖]进行间接盈利)。
2、本站所有内容均由合作方或网友上传,本站不对文档的完整性、权威性及其观点立场正确性做任何保证或承诺!文档内容仅供研究参考,付费前请自行鉴别。
3、如文档内容存在违规,或者侵犯商业秘密、侵犯著作权等,请点击“违规举报”。

碎片内容

干混预拌砂浆储罐基础施工方案

确认删除?
VIP
微信客服
  • 扫码咨询
会员Q群
  • 会员专属群点击这里加入QQ群
客服邮箱
回到顶部