电脑桌面
添加小米粒文库到电脑桌面
安装后可以在桌面快捷访问

明挖隧道防水施工方案剖析VIP免费

明挖隧道防水施工方案剖析_第1页
1/12
明挖隧道防水施工方案剖析_第2页
2/12
明挖隧道防水施工方案剖析_第3页
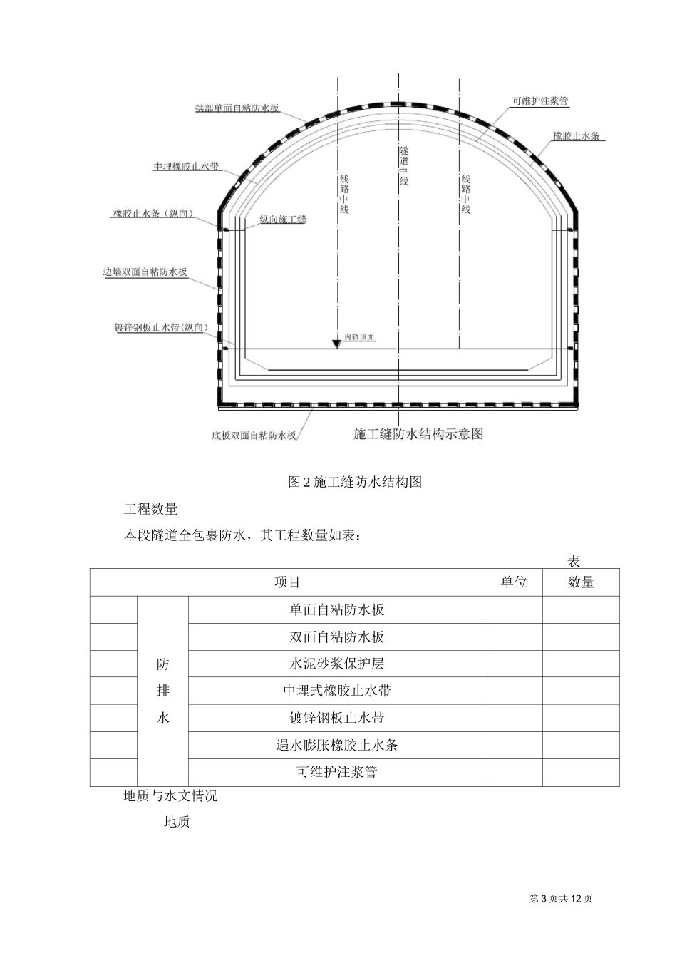
3/12
第 1 页共 12 页隧道防水施工方案编制说明、依据及原则编制说明在认真研究施工图纸的基础上,根据双流机场隧道 D1K178+570〜D1K178+870 段下穿滑行跑道工程的特点,结合我公司施工实力和完成类似工程的施工经验,以及技术、机具设备配套能力等方面因素,按照业主及规范要求,编写成了本工程的施工组织设计文件。合理提出施工组织计划和稳妥的施工方案及相应的管理、保证体系,最大限度地运用新技术、新工艺、新设备等,有针对性地制订了项目施工方案、施工方法和组织管理,能达到确保工期和安全、保证工程质量的目的。编制依据()双流机场隧道〜段下穿滑行跑道段设计图。()施工合同合同及补充协议中的通用条款、专用条款、技术规范。()我公司现有的施工机械设备及施工技术力量及多年从事类似工程所积累的施工经验和成熟的施工工艺。()现行有效的国家隧道工程设计、施工规范和规程等;()施工现场实际情况、现场勘察资料及业主相关要求。编制原则确保方案安全可行;技术方案针对性、操作性强;施工方案经济、合理。坚持技术先进性、科学合理性、经济实用性与实际相结合。根据工程地质、水文地质、地下管线、周边环境及工期要求等条件选择具有实用性的施工方案和机具设备。以确保工期并适当提前为原则,安排施工进度计划。以确保质量为目标,选择专业化的施工队伍,配合配套的机械设备,采用先进、合理的施工方案。以确保安全生产、文明施工为原则制定各项措施,严格执行操作规程。以有利于生产、方便生活为目标布置施工总平面图。采用先进的量测仪器和软件进行信息化施工和管理,以优化施工工艺、提高效率为原则,降低施工成本。工程概况工程概述第 2 页共 12 页118H58 隧道主体结构衬砌采用直墙平底拱形明洞衬砌,全隧道衬砌拱部、边墙及底板采用防水混凝土,抗渗等级不低于 P8。全隧采用全包防水,衬砌外缘均铺设自粘式防水板,拱部采用单面自粘式防水板,边墙及底板采用双面自粘式防水板,拱部防水板外铺 2cm 厚聚合物(丙烯酸酯共聚乳液)防水砂浆保护层。衬砌防水断面如图 1:的防水措施;纵向施工缝设遇水膨胀橡胶止水条中埋式镀锌钢板止水带可维护注浆管的防水措施。环向数量按 12m 一道计列,纵向数量按道计列。施工缝防水及诱导缝防水如图 2:第 3 页共 12 页图 2 施工缝防水结构图工程数量本段隧道全包裹防水,其工程数量如表:表项目单位数量单面自粘防水板双面自粘防水板防水泥砂浆保护层排中埋式橡胶止水带水镀...

1、当您付费下载文档后,您只拥有了使用权限,并不意味着购买了版权,文档只能用于自身使用,不得用于其他商业用途(如 [转卖]进行直接盈利或[编辑后售卖]进行间接盈利)。
2、本站所有内容均由合作方或网友上传,本站不对文档的完整性、权威性及其观点立场正确性做任何保证或承诺!文档内容仅供研究参考,付费前请自行鉴别。
3、如文档内容存在违规,或者侵犯商业秘密、侵犯著作权等,请点击“违规举报”。

碎片内容

明挖隧道防水施工方案剖析

您可能关注的文档

确认删除?
VIP
微信客服
  • 扫码咨询
会员Q群
  • 会员专属群点击这里加入QQ群
客服邮箱
回到顶部