电脑桌面
添加小米粒文库到电脑桌面
安装后可以在桌面快捷访问

桩基工程合同VIP免费

桩基工程合同_第1页
1/9
桩基工程合同_第2页
2/9
桩基工程合同_第3页
3/9
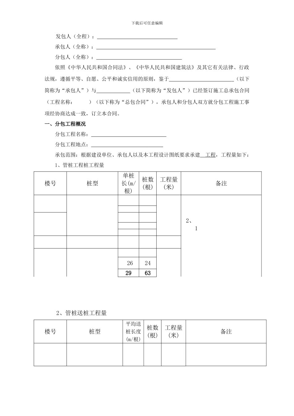
下载后可任意编辑 建设工程施工专业分包合同下载后可任意编辑中华人民共和国建设部国家工商行政管理总局2014 年 12 月 28 日下载后可任意编辑发包人(全程): 承包人(全称): 分包人(全称): 依照《中华人民共和国合同法》、《中华人民共和国建筑法》及其它有关法律、行政法规,遵循平等、自愿、公平和诚实信用的原则,鉴于 (以下简称为“承包人”)与 (以下简称为“发包人”)已经签订施工总承包合同(工程名称: )(以下称为“总包合同”),承包人和分包人双方就分包工程施工事项经协商达成一致,订立本合同。一、分包工程概况 分包工程名称: 分包工程地点: 承包范围:根据建设单位、承包人以及本工程设计图纸要求承建 工程,工程量如下:1、管桩工程桩工程量楼号桩型单桩长(m/根)桩数(根)工程量(米)备注2、 1 2624 29 63 2、管桩送桩工程量楼号桩型平均送桩长度(m/根)桩数(根)工程量(米)备注 下载后可任意编辑 3、灌注桩工程量楼号桩型桩长度(m/根)桩数(根)工程量(米)备注工作内容:分包人完成上述承包范围所需的打(压)桩、接桩、送桩;可由分包人自由配桩,施工工艺为静力压桩机施工。工程量按实际施工为结算基准。二、分包合同价款 金额(大写): ¥: 三、工期 开工日期:以总监理工程师签发的开工报告中载明的开工日期和承包人的书面开工令为准 竣工日期: 工 期: 天四、工程质量标准 本分包工程质量标准双方约定为:合格。五、双方的权利义务 1、承包人的工作 (1)施工场地与公共道路的通道开通时间和要求:开工前完成,满足施工要求。 (2)向分包人提供施工场地和施工所需的证件、批件的名称和完成时间:开工前完成并满足施工要求。 (3)将施工所需的水、电、电讯线路接至施工场地的时间、地点和供应要求:承包人提下载后可任意编辑供桩基施工所需临时用电、用水接驳点,并满足桩基施工要求。若承包人提供的临时用电 、 用水无法满足施工要求需使用发电机时,增加的费用由承包人另行补偿给分包人。 (4)承包人向分包人提供图纸的日期和套数:开工前 5 天,叁套 。 (5)工程地质和地下管线资料的提供时 间:开工前提供给分包人。 (6)水准点与座标控制点交验要求:开工前以书面方式提供给分包人。 (7)协调处理施工场地周围地下管线和邻近建筑物、构筑物(含文物保护建筑)、古树名木的保护工作:承包人负责处理或委托分包人完成,但由此产生的费用由承包人承担。 (8)组织分包人参...

1、当您付费下载文档后,您只拥有了使用权限,并不意味着购买了版权,文档只能用于自身使用,不得用于其他商业用途(如 [转卖]进行直接盈利或[编辑后售卖]进行间接盈利)。
2、本站所有内容均由合作方或网友上传,本站不对文档的完整性、权威性及其观点立场正确性做任何保证或承诺!文档内容仅供研究参考,付费前请自行鉴别。
3、如文档内容存在违规,或者侵犯商业秘密、侵犯著作权等,请点击“违规举报”。

碎片内容

桩基工程合同

您可能关注的文档

确认删除?
VIP
微信客服
  • 扫码咨询
会员Q群
  • 会员专属群点击这里加入QQ群
客服邮箱
回到顶部