电脑桌面
添加小米粒文库到电脑桌面
安装后可以在桌面快捷访问

2025年工程变更程序文件VIP专享VIP免费

2025年工程变更程序文件_第1页
1/3
2025年工程变更程序文件_第2页
2/3
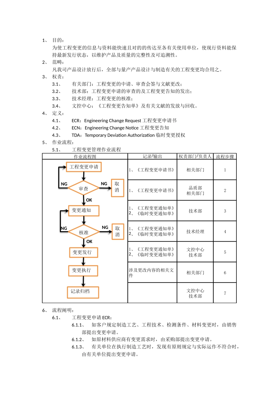
1、 目的:为使工程变更的信息与资料能快速且对的的传达至各有关使用单位,使现行资料能保持最新发行状态,以维护产品及质量的完整性及可追溯性。2、 范畴:凡我司产品设计放行后,全部与量产产品设计与制造有关的工程变更均合用之。3、 权责:3.1、有关部门:工程变更的中请、审查会签与文献更改;3.2、技术部:工程变更申请的审查的及工程变更告知的发出;3.3、技术经理:工程变更的核准;3.4、文控中心:《工程变更告知单》及有关文献的发放与回收。4、 定义:4.1、ECR:Engineering Change Request 工程变更申请书4.2、ECN:Engineering Change Notice 工程变更告知4.3、TDA:Temporary Deviation Authorization 临时变更授权5、 作业流程:5.1、工程变更管理作业流程 作业流程图记录/输出权责部门/负责人流程步骤1、《工程变更申请书》相关部门11、《工程变更申请书》品质部相关部门21、《工程变更通知单》2、《临时变更通知单》技术部31、《工程变更通知单》2、《临时变更通知单》技术经理41、《工程变更通知单》2、《临时变更通知单》文控中心技术部5涉及更改内容的相关文件相关部门6文控中心技术部7工程变更申请审查取消变更通知核准取消变更发行变更执行记录归档NGNGNGNGOKOK6、 流程阐明:6.1、工程变更申请 ECR:6.1.1、如客户规定制造工艺、工程技术、检测条件、材料变更时,由销售部提出变更申请。6.1.2、如原材料供应商有变更需求时,由采购部提出变更申请。6.1.3、有关单位在执行制造工艺时,发现有原则规定与实际运作不符合时,由有关单位提出变更申请。6.1.4、工程变更提案人规定根据收集到的资讯提出工程变更需求申请,并填写《工程变更申请单》经部门经理核准后交有关单位审查及会签;根据各部门评审或会签的意见,由总经理做出最后裁决。6.1.5、经最后裁决 ECR 申请有效,申请单位将 ECR 递交给受理单位(技术部)进行评审。6.1.6、已经申请并获得了认证的产品(如 3C/CE/FCC 认证等),对于核心材料在正式工程变更前需提前告知认证机构,在获得其同意或与其达成一致意见后方可执行。6.2、工程变更告知 ECN:6.2.1、根据 ECR 提案,由技术部根据有关论证材料决定与否转为工程变更告知;6.2.2、技术部对工程变更的提出(如图纸、技术资料等的修订)可直接发出ECN《工程变更告知》供有关单位会审与会签,无需填写《工程变更申请书》。6.2.3、ECN 编号原则:XX-XX-XXX-XXXX阐明:临时尚未拟定编码原则6...

1、当您付费下载文档后,您只拥有了使用权限,并不意味着购买了版权,文档只能用于自身使用,不得用于其他商业用途(如 [转卖]进行直接盈利或[编辑后售卖]进行间接盈利)。
2、本站所有内容均由合作方或网友上传,本站不对文档的完整性、权威性及其观点立场正确性做任何保证或承诺!文档内容仅供研究参考,付费前请自行鉴别。
3、如文档内容存在违规,或者侵犯商业秘密、侵犯著作权等,请点击“违规举报”。

碎片内容

2025年工程变更程序文件

您可能关注的文档

静心书店+ 关注
实名认证
内容提供者

专注于各类考试试卷和真题。

确认删除?
VIP
微信客服
  • 扫码咨询
会员Q群
  • 会员专属群点击这里加入QQ群
客服邮箱
回到顶部