电脑桌面
添加小米粒文库到电脑桌面
安装后可以在桌面快捷访问

施工测量放线VIP免费

施工测量放线_第1页
1/8
施工测量放线_第2页
2/8
施工测量放线_第3页
3/8
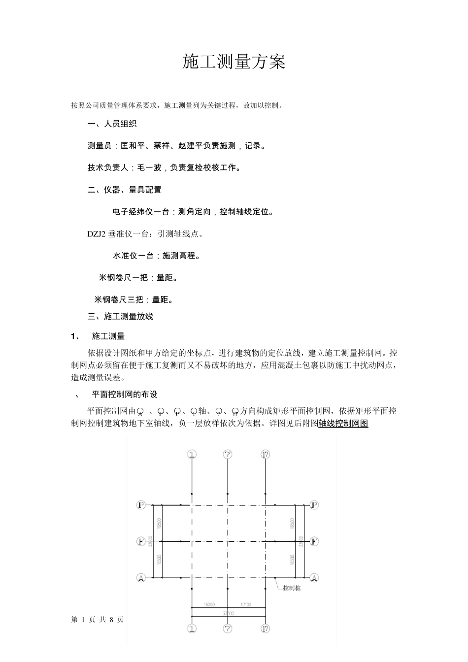
第 1 页 共 8 页 施工测量方案 按照公司质量管理体系要求,施工测量列为关键过程,故加以控制。 一、人员组织 测 量 员 : 匡 和 平 、蔡祥、赵建平 负责施测 ,记录。 技术负责人: 毛一波,负责复检校核工作。 二、仪器、量具配置 ET-02电子经纬仪一台: 测 角定向,控制轴线定位。 DZJ2 垂准仪一台:引测轴线点。 DS-24水准仪一台: 施测 高程。 50米钢卷尺一把: 量 距。 5米钢卷尺三把: 量 距。 三、施工测量放线 1 、 施工测量 依据设计图纸和甲方给定的坐标点,进行建筑物的定位放线,建立施工测量控制网。控制网点必须留在便于施工复测而又不易破坏的地方,应用混凝土包裹以防施工中扰动网点,造成测量误差。 2、 平面控制网的布设 平面控制网由○A 、○F 、○P 、○1 轴、○7 、○17 方向构成矩形平面控制网,依据矩形平面控制网控制建筑物地下室轴线,负一层放样依次为依据。详图见后附图轴线控制网图 控制桩第 2 页 共 8 页 由于在负一层以上分成两段施工,所以控制网要加密,平面控制网,距○1 、○4 、○13 、○17 轴0.8m 平行线和距○A 、○C、○K、○P 轴0.8m 平行线的交点构成矩形控制网,控制放样。整个建筑物的控制点上层留置200mm×200mm预留洞,传递各轴线位置祥放线孔平面布置图。 3、 高程测量 标高控制根据建设单位提供的水准点,利用水准仪、塔尺、钢尺传递至底板来控制标高。注意结构与建筑标高的不同。对于建设单位所提供的水准点应就近引测一较为永久的标高复测点,标注其绝对标高值。建设单位所提供水准点及标高复测点应有书面记录,并应有建设单位及监理单位现场代表签字认证。 水准点及绝对标高由甲方提供。相对高程以一期工程负一层地面为基准点并用红油漆标注,用来控制高程测量。 在一层墙壁上各设置一永久性标高点,即每层永久性的楼层标高基准点+0.500m 标高点,用红油漆标注,不经许可,不得覆盖或破坏。以后每层依次为依据向上引测,在此竖向方向引一通长直线,以消除钢尺的垂直误差。为了尽可能避免因传导的次数而造成累计误差,在施工中高程每3 层用钢尺复测一次,及时纠正误差。标高允许偏差:层高不大于±3mm ,全高不大于±20mm 。如图。 标高基准点设置 4、 各施工细部点详细放样 大模板施工技术与组合钢模施工技术有所不同。组合钢模施工常常采用墙、柱、梁、板一次成型浇筑;大模板施工其工艺特点是墙、柱与梁、板必...

1、当您付费下载文档后,您只拥有了使用权限,并不意味着购买了版权,文档只能用于自身使用,不得用于其他商业用途(如 [转卖]进行直接盈利或[编辑后售卖]进行间接盈利)。
2、本站所有内容均由合作方或网友上传,本站不对文档的完整性、权威性及其观点立场正确性做任何保证或承诺!文档内容仅供研究参考,付费前请自行鉴别。
3、如文档内容存在违规,或者侵犯商业秘密、侵犯著作权等,请点击“违规举报”。

碎片内容

施工测量放线

您可能关注的文档

确认删除?
VIP
微信客服
  • 扫码咨询
会员Q群
  • 会员专属群点击这里加入QQ群
客服邮箱
回到顶部