电脑桌面
添加小米粒文库到电脑桌面
安装后可以在桌面快捷访问

热水供暖设计说明VIP免费

热水供暖设计说明_第1页
1/7
热水供暖设计说明_第2页
2/7
热水供暖设计说明_第3页
3/7
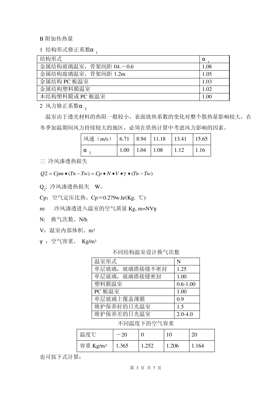
第 1 页 共 7 页 热水供暖设计说明 一 温室采暖热负荷计算 A 室内、外设计温度 温室采暖是为了保证作物正常生产而配置的属于生产工艺配置,必须满足生产工艺的要求,如果没有特定种植品种的计划,采暖室内设计温度应以喜温作物为设计对象,一般可将室内设计温度设定为15℃,花卉品种对温度要求范围较宽,从 10-20℃不等,一般考虑在 15-18℃。 B 室外设计温度 民用建筑热工设计规程是按多年最低温度的平均值和极端最低温度的加权平均,根据建筑的热惰性指标确定采暖室外设计温度,一般计算按近 30 年气象资料统计确定,这种计算方法排除了极端最低温度,可以减少温室的采暖热负荷,由于在确定室内采暖设计温度时已考虑到一定的安全度,所以,即使外界气温下降的极端最低温度时,室内温度也不致下降太大,况且极端最低温度持续时间不会太长,因此不至于严重影响室内温度, 室外设计温度推荐值℃ 城市 推荐值 城市 推荐值 城市 推荐值 城市 推荐值 哈尔滨 -29 吉林 -29 沈阳 -21 锦州 -17 克拉玛依 -24 兰州 -23 银川 -18 西安 -8 石家庄 -12 天津 -11 济南 -10 连云港 -7 徐州 -8 郑州 -7 洛阳 -8 太原 -14 乌鲁木齐 -26 北京 -12 青岛 -9 重庆 4 二 维护结构传热计算: A 基本传热量 )(1TwTnFiKiQ Q1:通过维护结构的总传热量,包括屋面、墙面、门、窗等外维护结构的传热量。W Ki: 温室维护结构的传热系数 W/(m2. ℃) Fi: 温室维护结构(屋面、墙面、门、窗)等的传热面积 m2 Tn Tw : 分别为室内外采暖设计温度 ℃ 第 2 页 共 7 页 温室屋面尺寸(计算屋面Ki) 拱形温室 8.0m跨 9.0m跨 9.6m跨 拱梁展长L 9150mm 10300mm 10970mm 备注 薄膜覆盖,计算长度L+500 三角屋面温室 8.0m三角温室 9.0m三角温室 9.6m纹络温室 10.8m纹络温室 单侧屋面长度 4470 mm 5030 mm 1790 mm 2010 mm 温室端面面积 温室形式 8m三角 9m三角 9.6m纹络 10.8m纹络 8m拱形 9m拱形 9.6拱形 端面面积m2 8.6 10.8 1.3 1.6 11 14 16 温室常用维护结构材料传热系数(W/m2.℃) 材料 传热系数 材料 传热系数 材料 传热系数 24 墙 2.24 24 墙外抹灰 2.12 24墙内外抹灰 2.03 37 墙 1.65 37 墙外抹灰 1.58 37墙内外抹灰 1.53 空气间层 6 6mmPC 板 3.5 8mmPC 板 3.3 单层玻璃 ...

1、当您付费下载文档后,您只拥有了使用权限,并不意味着购买了版权,文档只能用于自身使用,不得用于其他商业用途(如 [转卖]进行直接盈利或[编辑后售卖]进行间接盈利)。
2、本站所有内容均由合作方或网友上传,本站不对文档的完整性、权威性及其观点立场正确性做任何保证或承诺!文档内容仅供研究参考,付费前请自行鉴别。
3、如文档内容存在违规,或者侵犯商业秘密、侵犯著作权等,请点击“违规举报”。

碎片内容

热水供暖设计说明

确认删除?
VIP
微信客服
  • 扫码咨询
会员Q群
  • 会员专属群点击这里加入QQ群
客服邮箱
回到顶部