电脑桌面
添加小米粒文库到电脑桌面
安装后可以在桌面快捷访问

2024年机房建设技术要求VIP免费

2024年机房建设技术要求_第1页
1/24
2024年机房建设技术要求_第2页
2/24
2024年机房建设技术要求_第3页
3/24
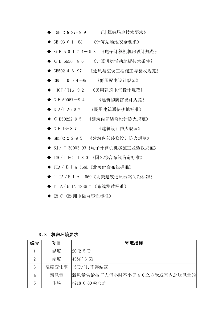
机房工程建设技术要求1.项目概述1.1项目概况机房是计算机网络系统的中枢,因此机房建设直接影响着整个网络的安全稳定运行。根据佛山市社会保险管理信息系统数据集中、系统集中的要求,佛山市社会保险基金管理局必需对信息系统机房重新进行规划和建设。建设内容包括:进行内墙面、门窗、地坪等土建内部装修;对机房环境的空调系统进行建设;配电系统建设、网络布线、照明设备建设;设门禁系统、闭路电视监控系统、气体灭火系统等。1.2机房工程主要内容本机房工程建设包括以下部分:(1)主机房、操作区域、UPS室和灭火气瓶室装修、装饰工程(2)机房电气工程(含市电配电、UPS电源系统、照明系统、机房接地)(3)机房防雷系统(4)机房精密空调和新、排风系统(5)机房场地监控系统(含机房门禁、动力环境监控、安防监控及消防报警监控)(6)KVM系统(7)机房消防系统(8)机房网络布线系统(含布线、机柜、桥架等)(9)门禁系统(10)闭路电视监控系统2.产品一般要求凡列入《中华人民共和国实施强制性产品认证的产品目录》的产品在验收时必须出具CCC认证证书复印件,并在产品外部加施认证标志作为验收依据之一。3.技术要求3.1机房建设总体要求由于计算机机房的环境必须满足计算机等各种电子设备和工作人员对温度、湿度、洁净度、电磁场强度、噪音干扰、安全保安、防漏、电源质量、振动、防雷和接地等要求。一个合格的现代化计算机机房,应该是一个安全可靠、舒适实用、节能高效和具有可扩充性的机房。因此,机房设计总体要求如下:a.机房区按A级机房标准和一级防火标准设计。b.机房分区功能合理,机房设备布置既要满足机房工艺流程的需要,又要满足机房防火规范的要求。c.室内棚顶上安装的灯具、风口、火灾探测器等应协调布置,并应满足各专业的技术要求。d.机房围护结构的构造和材料应满足保温、隔热、防火、隔音等要求。e.机房的耐火等级应符合现行国家标准GB9361-88《计算站场地安全要求》和GBZ16-87《建筑设计防火规范》的规定。机房的装饰材料选用非燃烧材料或难燃烧材料。机房室内装饰选用气密性好、不起尘、易清洁,并在温、湿度变化作用下变形小的材料,具体的技术要求应符合GB50174-93《电子计算机机房设计规范》的规定。f.机房使用抗静电活动地板,地板的规格、性能应符合SJ/T10796-1996《计算机机房用抗静电活动地板技术条件》的规定。活动地板下的建筑面应平整、光洁、防潮、防尘,下送风区应进行隔热处理以防结露。g.工作区中各类管线应采用铝合金管槽走上行线方式,强电弱电使用不同的走线桥架。h、机房接地合并使用原有机房接地。I、必须考虑目前楼板承重480kg/M2的客观条件,在机房设计方案中必须采用承重加固措施。3.2规范与标准机房工程的建设涉及内容多且广,有专有的规范标准,也有通用的规范标准,具体见下:◆GB2887-89《计算站场地技术要求》◆GB9361-88《计算站场地安全要求》◆GB50174-93《电子计算机机房设计规范》◆GB6650-86《计算机房活动地板技术条件》◆GB50243-97《通风与空调工程施工与验收规范》◆GB50054-95《低压配电设计规范》◆JGJ/T16-92《民用建筑电气设计规范》◆GB50057-94《建筑物防雷设计规范》◆EIA/TIA607《民用建筑通信接地标准》◆GB50222-95《建筑内部装修设计防火规范》◆GB16-87《建筑设计防火规范》◆GB50222-95《建筑内部装修设计防火规范》◆SJ/T30003-93《电子计算机机房施工及验收规范》◆ISO/IEC11801《国际综合布线信道标准》◆TIA/EIA568B《北美综合布线标准》◆TIA/EIA569《北美建筑通讯线路间距标准》◆TIA/EIATSB67《布线测试标准》◆EMC《欧洲电磁兼容性标准》3.3机房环境要求编号项目环境指标1温度20~25℃2湿度45%~65%3温度变化率<5℃/时,不得结露4新风量新风量供给按每人每小时不小于40立方米或室内总送风量的5%5尘埃≤18000粒/cm36噪音主操作员位置≤65dBA7照度机房300-500Lux,应急≥5Lux,8直流工作接地≤1欧,接地地位差≤1V9交流工作交流工作接地系统接地电阻:<4Ω、零地电压<1V10安全保护计算机系统安全保护接地电阻及静电接地电阻:...

1、当您付费下载文档后,您只拥有了使用权限,并不意味着购买了版权,文档只能用于自身使用,不得用于其他商业用途(如 [转卖]进行直接盈利或[编辑后售卖]进行间接盈利)。
2、本站所有内容均由合作方或网友上传,本站不对文档的完整性、权威性及其观点立场正确性做任何保证或承诺!文档内容仅供研究参考,付费前请自行鉴别。
3、如文档内容存在违规,或者侵犯商业秘密、侵犯著作权等,请点击“违规举报”。

碎片内容

2024年机房建设技术要求

山水人家+ 关注
实名认证
内容提供者

读万卷书,行万里路。

确认删除?
VIP
微信客服
  • 扫码咨询
会员Q群
  • 会员专属群点击这里加入QQ群
客服邮箱
回到顶部