电脑桌面
添加小米粒文库到电脑桌面
安装后可以在桌面快捷访问

新版预检工程检查记录模板VIP免费

新版预检工程检查记录模板_第1页
1/5
新版预检工程检查记录模板_第2页
2/5
新版预检工程检查记录模板_第3页
3/5
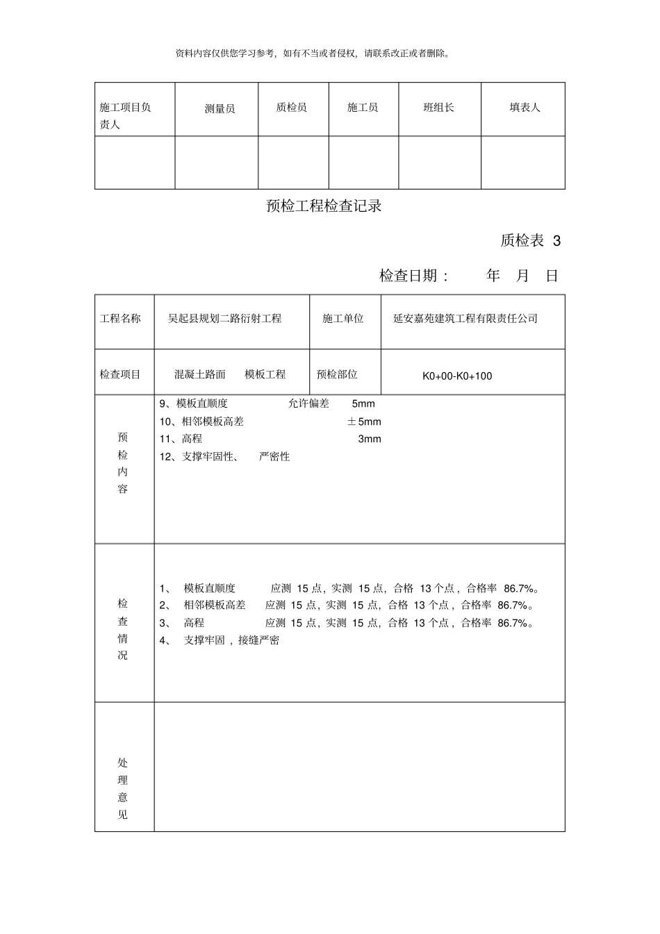
资料内容仅供您学习参考,如有不当或者侵权,请联系改正或者删除。预检工程检查记录质检表 3检查日期 : 年月日工程名称吴起县规划二路衍射工程施工单位延安嘉苑建筑工程有限责任公司检查项目混凝土路面模板工程预检部位K0+00-K0+100 预检内容1、模板直顺度允许偏差5mm 2、相邻模板高差±5mm 3、高程3mm 4、支撑牢固性、严密性检查情况1、 模板直顺度应测 15 点, 实测 15 点, 合格 13 个点 , 合格率 86.7%。2、 相邻模板高差应测 15 点, 实测 15 点, 合格 13 个点 , 合格率 86.7%。3、 高程应测 15 点, 实测 15 点, 合格 13 个点 , 合格率 86.7%。4、 支撑牢固 , 接缝严密处理意见参加检查人签字施工项目负责人测量员质检员施工员班组长填表人资料内容仅供您学习参考,如有不当或者侵权,请联系改正或者删除。预检工程检查记录质检表 3检查日期 : 年月日工程名称吴起县规划二路衍射工程施工单位延安嘉苑建筑工程有限责任公司检查项目混凝土路面模板工程预检部位K0+00-K0+100 预检内容5、模板直顺度允许偏差5mm 6、相邻模板高差±5mm 7、高程3mm 8、支撑牢固性、严密性检查情况1、 模板直顺度应测 15 点, 实测 15 点, 合格 13 个点 , 合格率 86.7%。2、 相邻模板高差应测 15 点, 实测 15 点, 合格 13 个点 , 合格率 86.7%。3、 高程应测 15 点, 实测 15 点, 合格 13 个点 , 合格率 86.7%。4、 支撑牢固 , 接缝严密处理意见参加检查人签字资料内容仅供您学习参考,如有不当或者侵权,请联系改正或者删除。施工项目负责人测量员质检员施工员班组长填表人预检工程检查记录质检表 3检查日期 : 年月日工程名称吴起县规划二路衍射工程施工单位延安嘉苑建筑工程有限责任公司检查项目混凝土路面模板工程预检部位K0+00-K0+100 预检内容9、模板直顺度允许偏差5mm 10、相邻模板高差±5mm 11、高程3mm 12、支撑牢固性、严密性检查情况1、 模板直顺度应测 15 点, 实测 15 点, 合格 13 个点 , 合格率 86.7%。2、 相邻模板高差应测 15 点, 实测 15 点, 合格 13 个点 , 合格率 86.7%。3、 高程应测 15 点, 实测 15 点, 合格 13 个点 , 合格率 86.7%。4、 支撑牢固 , 接缝严密处理意见资料内容仅供您学习参考,如有不当或者侵权,请联系改正或者删除。参加检查人签字施工项目负责人测量员质检员施工员班组长填表人预检工...

1、当您付费下载文档后,您只拥有了使用权限,并不意味着购买了版权,文档只能用于自身使用,不得用于其他商业用途(如 [转卖]进行直接盈利或[编辑后售卖]进行间接盈利)。
2、本站所有内容均由合作方或网友上传,本站不对文档的完整性、权威性及其观点立场正确性做任何保证或承诺!文档内容仅供研究参考,付费前请自行鉴别。
3、如文档内容存在违规,或者侵犯商业秘密、侵犯著作权等,请点击“违规举报”。

碎片内容

新版预检工程检查记录模板

您可能关注的文档

确认删除?
VIP
微信客服
  • 扫码咨询
会员Q群
  • 会员专属群点击这里加入QQ群
客服邮箱
回到顶部