电脑桌面
添加小米粒文库到电脑桌面
安装后可以在桌面快捷访问

10kV电力线路施工作业指导书VIP免费

10kV电力线路施工作业指导书_第1页
1/9
10kV电力线路施工作业指导书_第2页
2/9
10kV电力线路施工作业指导书_第3页
3/9
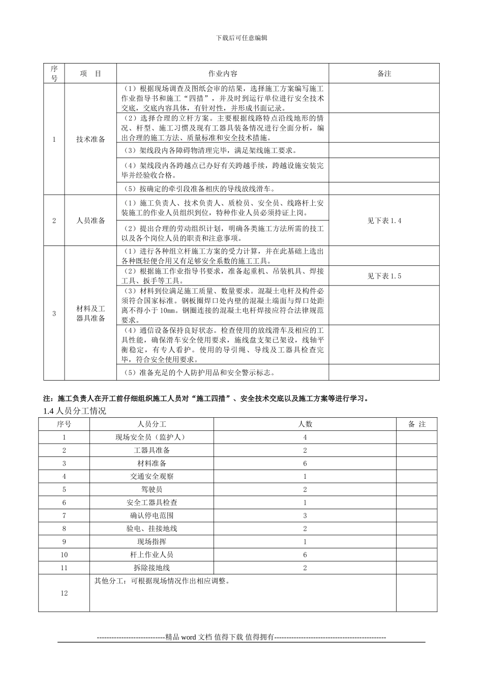
下载后可任意编辑10kV 及以下架空线路施工标准化作业指导书 一、适用范围:本指导书适用于 10kv 及以下电网升级改造工程的杆塔基础、立杆、放线、紧线等施工(其他项目施工可参照执行)。二、引用标准:《电气装置安装工程 10kV 及以下架空线路施工及验收法律规范》《建筑电气工程施工质量验收法律规范》《电气装置安装工程质量检验及评定规程》《电力建设安全工作规程》(架空电力线路部分)《国家电网工程施工工艺控制法律规范》三、施工流程控制:1.准备阶段1.1 工作任务施工单位施工队负责人施工任务工作日期 年 月 日 年 月 日1.2 施工作业现场简图: 1.3 施工准备----------------------------精品 word 文档 值得下载 值得拥有----------------------------------------------下载后可任意编辑注:施工负责人在开工前仔细组织施工人员对“施工四措”、安全技术交底以及施工方案等进行学习。1.4 人员分工情况序号人员分工人数备 注1现场安全员(监护人)42工器具准备23材料准备64交通安全观察15驾驶员26安全工器具检查17确认停电范围38验电、挂接地线29现场指挥110杆上作业人员611拆除接地线212其他分工:可根据现场情况作出相应调整。----------------------------精品 word 文档 值得下载 值得拥有----------------------------------------------序号项 目作业内容备注1技术准备(1)根据现场调查及图纸会审的结果,选择施工方案编写施工作业指导书和施工“四措”,并及时到运行单位进行安全技术交底,交底内容具体,有针对性,并形成书面记录。(2)选择合理的立杆方案。主要根据线路特点沿线地形的情况、杆型、施工习惯及现有工器具装备情况进行全面分析,编出合理的施工方法、质量标准和安全技术措施。(3)架线段内各障碍物清理完毕,满足架线施工要求。(4)架线段内各跨越点已办好有关跨越手续,跨越设施安装完毕并经验收合格。(5)按确定的牵引段准备相庆的导线放线滑车。2人员准备(1)施工负责人、技术负责人、质检员、安全员、线路杆上安装施工的作业人员组织到位,特种作业人员必须持证上岗。见下表 1.4(2)提出合理的劳动组织计划,明确各类施工方法所需的技工以及各个岗位人员的职责和注意事项。3材料及工 器具准备(1)进行各种组立杆施工方案的受力计算,并在此基础上选出各种既轻便合用又有足够安全系数的施工工具。(2)根据施工作业指导书要求,准备起重机、吊装机具、焊接工具、扳手等...

1、当您付费下载文档后,您只拥有了使用权限,并不意味着购买了版权,文档只能用于自身使用,不得用于其他商业用途(如 [转卖]进行直接盈利或[编辑后售卖]进行间接盈利)。
2、本站所有内容均由合作方或网友上传,本站不对文档的完整性、权威性及其观点立场正确性做任何保证或承诺!文档内容仅供研究参考,付费前请自行鉴别。
3、如文档内容存在违规,或者侵犯商业秘密、侵犯著作权等,请点击“违规举报”。

碎片内容

10kV电力线路施工作业指导书

确认删除?
VIP
微信客服
  • 扫码咨询
会员Q群
  • 会员专属群点击这里加入QQ群
客服邮箱
回到顶部