电脑桌面
添加小米粒文库到电脑桌面
安装后可以在桌面快捷访问

11扩大基础施工作业指导书VIP专享VIP免费

11扩大基础施工作业指导书_第1页
1/13
11扩大基础施工作业指导书_第2页
2/13
11扩大基础施工作业指导书_第3页
3/13
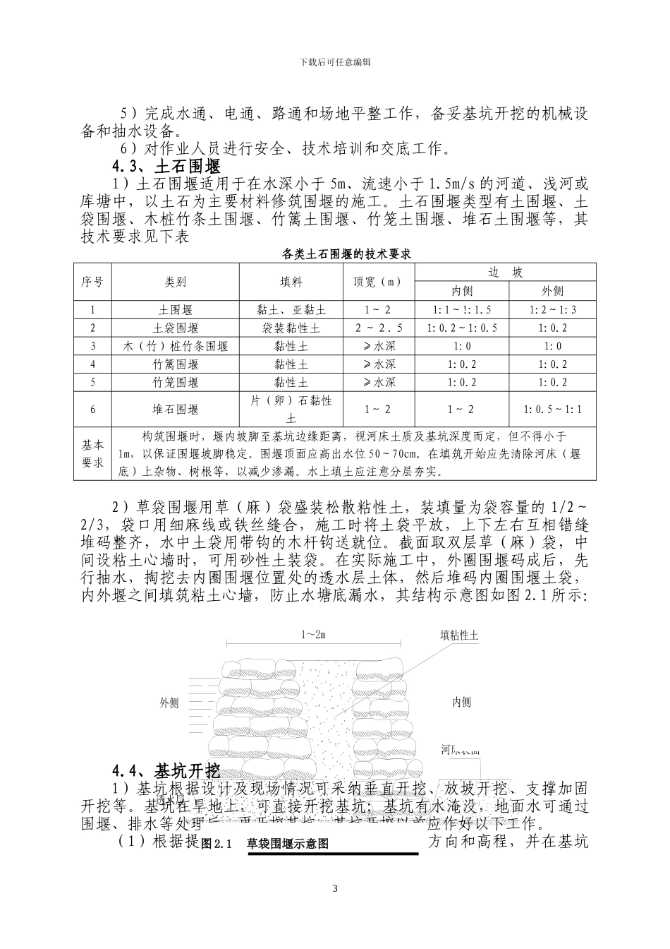
下载后可任意编辑京沪高速铁路 JHTJ-3 标段扩大基础施工作业指导书(报批稿)批 准 审 核 编 制 中国水电集团京沪高速铁路土建工程三标段项目经理部 扩大基础施工作业指导书1、适用的条件、范围本作业指导书适用于中水京沪高铁三标内的桥梁的扩大基础开挖和混凝土浇筑施工。1下载后可任意编辑2、作业内容主要作业内容:施工准备、测量放线、外部引截排水、基坑开挖、基坑排水、边坡防护、基坑清理、基坑报检、测量放线、安装模板、安装钢筋及预埋件、钢筋模板报检、浇筑混凝土、拆模 养护、基坑回填。3、施工工艺扩大基础施工工艺流程图 4、基坑开挖 4.1 施工机械及工艺装备 基坑开挖可根据地质情况和边坡防护类型,采纳人工开挖、人工配合机械开挖、挖掘机开挖等。基坑抽水设备:抽水机。4.2 施工准备1)基坑开挖前必须做好施工测量,测定桥墩、台的中心桩、基础纵横边线、中线和临时水准基点。同时还必须做好断面测量,放出基坑边桩,经核对无误后,方可施工。2)根据基坑施工要求,清除地面堆土及阻碍基坑开挖的障碍物;对受影响的架空线和地下管线,应实行迁改或保护措施。3)根据施工图标示的地质、水文资料结合现场具体条件确定基坑的开挖方案:开挖方法、放坡形式或边坡防护方案、机械设备、基坑尺寸,以及安全、环保、水保、质量措施等的制定。4)基坑开挖前还必须搞好防水排水工作,应在基坑顶部边缘外四周挖好防水排水沟拦截雨水。2钢筋制作拆模养护 浇筑混凝土基坑排水边坡防护测量放线基坑报检基坑清理安装模板 安装钢筋 监理检查 施工准备外部引截排水测量放线基坑开挖基坑回填 扩大基础施工工艺流程图 外侧内侧河床表面透水层不透水层1~2m填粘性土下载后可任意编辑5)完成水通、电通、路通和场地平整工作,备妥基坑开挖的机械设备和抽水设备。6)对作业人员进行安全、技术培训和交底工作。4.3、土石围堰1)土石围堰适用于在水深小于 5m、流速小于 1.5m/s 的河道、浅河或库塘中,以土石为主要材料修筑围堰的施工。土石围堰类型有土围堰、土袋围堰、木桩竹条土围堰、竹篱土围堰、竹笼土围堰、堆石土围堰等,其技术要求见下表 各类土石围堰的技术要求序号类别填料顶宽(m)边 坡内侧外侧1土围堰黏土、亚黏土1~21:1~!:1.51:2~1:32土袋围堰袋装黏性土2~2.51:0.2~1:0.51:0.23木(竹)桩竹条围堰黏性土≥水深1:01:04竹篱围堰黏性土≥水深1:0.21:0.25竹笼围堰黏性土≥水深1:0.21:0.26堆石围堰片(卵)石...

1、当您付费下载文档后,您只拥有了使用权限,并不意味着购买了版权,文档只能用于自身使用,不得用于其他商业用途(如 [转卖]进行直接盈利或[编辑后售卖]进行间接盈利)。
2、本站所有内容均由合作方或网友上传,本站不对文档的完整性、权威性及其观点立场正确性做任何保证或承诺!文档内容仅供研究参考,付费前请自行鉴别。
3、如文档内容存在违规,或者侵犯商业秘密、侵犯著作权等,请点击“违规举报”。

碎片内容

11扩大基础施工作业指导书

确认删除?
VIP
微信客服
  • 扫码咨询
会员Q群
  • 会员专属群点击这里加入QQ群
客服邮箱
回到顶部