电脑桌面
添加小米粒文库到电脑桌面
安装后可以在桌面快捷访问

2024塔吊单桩基础施工计算VIP免费

2024塔吊单桩基础施工计算_第1页
1/8
2024塔吊单桩基础施工计算_第2页
2/8
2024塔吊单桩基础施工计算_第3页
3/8
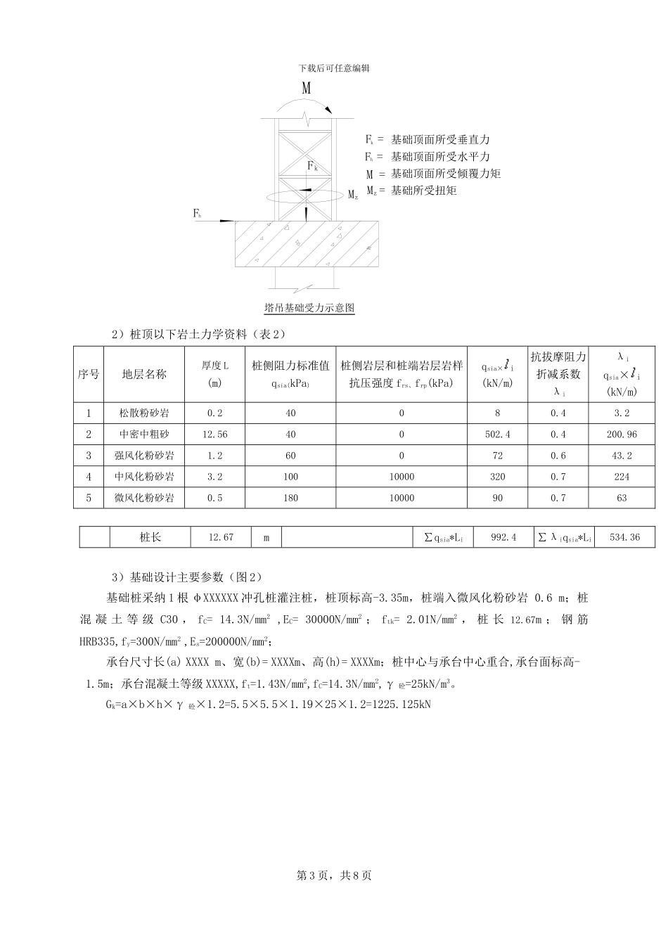
下载后可任意编辑塔吊基础施工方案一、编制依据1.《建筑地基基础设计法律规范》(GB50007-2024);2.《建筑结构荷载法律规范》(GB 50009-2024);3.《混凝土结构设计法律规范》(GB 50010-2024);4. 建筑、结构设计图纸、总平面布置图及地勘报告;5. 塔式起重机使用说明书。二、工程概况:XXXXXX 工程项目, 位于 XXXXX。由 XXXX 设计院设计, 建筑面积:XXXX3m2,冲孔灌注桩基础,X 框架结构,层高为 XXX 米, 长度为 XXX 米, 宽为 XX 米, 屋顶标高为 XX 米,总高度为 36.00 米,梯屋高度为 41.10 米,±0.000绝对高程为 62.00m。根据工程需要安装壹台塔吊,所装塔机型号为: ,生产厂家为: ,最大起重量: T 塔机起重臂长度 m。塔吊采纳冲孔灌注桩承台基础,桩径为 XXXmm,承台尺寸为 XXXXXXXX ,桩混凝土等级为 XXXXXX , 承台混凝土等级为 XXXXXXX , 塔吊安装位置为 XXXXXX轴 , 详见附图: 塔吊基础平面图。三、施工前准备工作、施工工艺、施工方法详见本工程项目冲孔桩基础工程施工方案,以及施组的砼施工方案。四、保证工程质量措施:4.1、开工前技术负责人和施工场地主管施工员、辅助施工员进行施工技术、质量要求交底,并在交底书上签名。做到严要求、勤管理、精操作。4.2、仔细分析施工图,多次复核测量轴线和桩位,杜绝各种错漏。4.3、严格执行冲孔桩的施工工序,各项工序执行“三检”仔细执行冲孔桩施工操作法律规范,不能贪图方便,简化操作程序。4.4、工程材料均要有出厂合格证,并经监理检验合格后,才能使用,未经检验合格的一律不得使用。五、保证安全生产措施:5.1、开工时对操作人员进行施工安全交底和安全教育,并在有关责任书上签名。5.2、施工人员进入现场必须戴安全帽,严禁穿拖鞋,高空作业须戴安全带,严禁高空作业工具、物品往下抛掷。5.3、健全安全管理制度和交接班检查制度,在夜间施工时,每台桩机不能少于 2 人。5.4、作业前,工长要向班组进行全面交底,并有签证手续。各个工序均遵守安全操作规程。第 1 页,共 8 页下载后可任意编辑班机长作业前,要明确分工,统一信号,统一指挥。在打桩作业区,非生产人员不得靠近。起吊桩构件不得碰撞,吊物下面不得有人通行。桩机移位时,场地需平坦、坚实、畅通。季节施工按有关规定执行,夜班施工要有足够的照明。双班作业要有安全交接班记录。多机多工种作业时,按方案流水段施工,以保证安全生产。打桩作业人员禁止饮酒,操作...

1、当您付费下载文档后,您只拥有了使用权限,并不意味着购买了版权,文档只能用于自身使用,不得用于其他商业用途(如 [转卖]进行直接盈利或[编辑后售卖]进行间接盈利)。
2、本站所有内容均由合作方或网友上传,本站不对文档的完整性、权威性及其观点立场正确性做任何保证或承诺!文档内容仅供研究参考,付费前请自行鉴别。
3、如文档内容存在违规,或者侵犯商业秘密、侵犯著作权等,请点击“违规举报”。

碎片内容

2024塔吊单桩基础施工计算

人从众+ 关注
实名认证
内容提供者

欢迎光临小店,本店以公文和教育为主,希望符合您的需求。

确认删除?
VIP
微信客服
  • 扫码咨询
会员Q群
  • 会员专属群点击这里加入QQ群
客服邮箱
回到顶部