电脑桌面
添加小米粒文库到电脑桌面
安装后可以在桌面快捷访问

2024年9月份考试工程招投标第三次作业VIP免费

2024年9月份考试工程招投标第三次作业_第1页
1/13
2024年9月份考试工程招投标第三次作业_第2页
2/13
2024年9月份考试工程招投标第三次作业_第3页
3/13
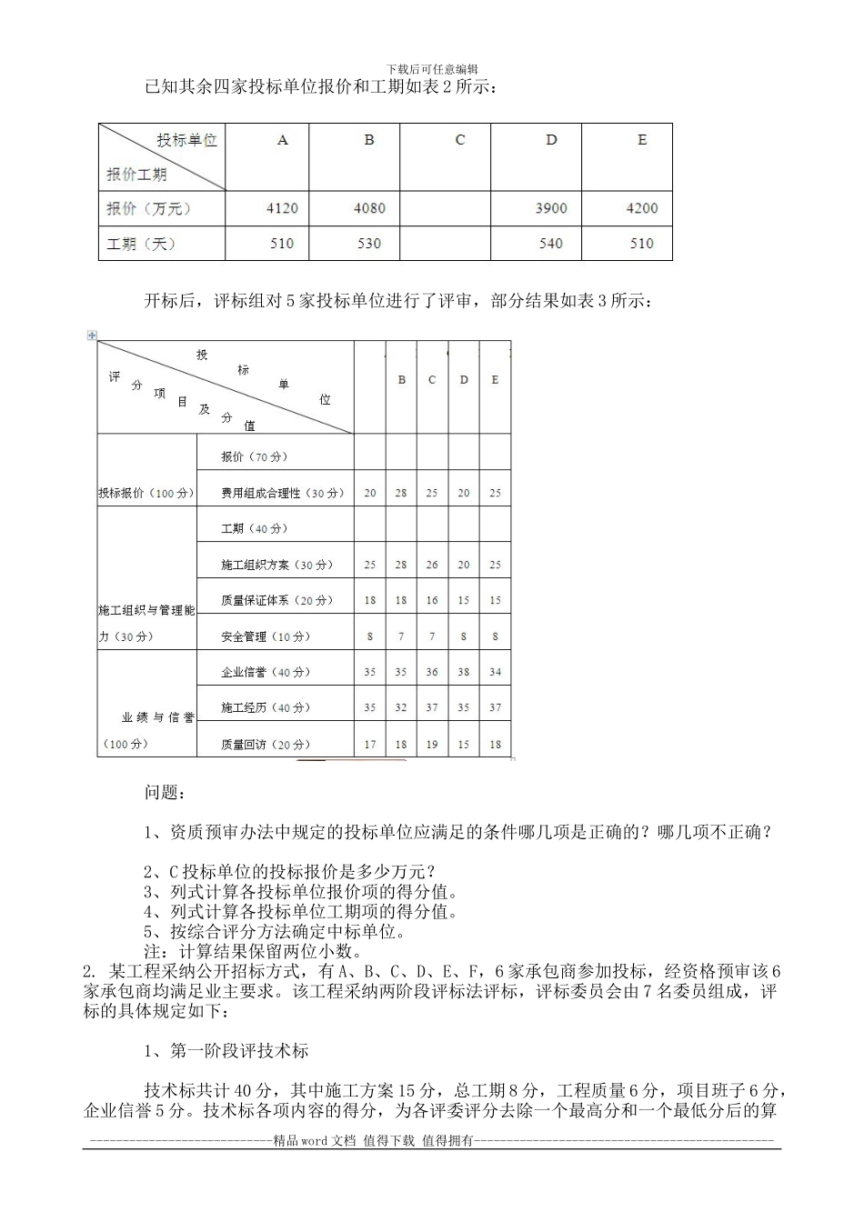
下载后可任意编辑2024 年 9 月份考试工程招投标第三次作业一、计算题(本大题共 20 分,共 2 小题,每小题 10 分)1. 某土建工程项目确定采纳公开招标的方式招标,造价工程师测算确定该工程标底为 4000万元,定额工期为 540 天。 在本工程招标的资格预审办法里规定投标单位应满足以下条件: 1、取得营业执照的建筑施工企业法人; 2、二级以上施工企业; 3、有两项以上同类工程的施工经验; 4、本专业系统隶属企业; 5、近三年内没有违约被起诉历史; 6、技术、管理人员满足工程施工要求; 7、技术装备满足工程施工要求; 8、具有不少于合同价 20%的可为业主垫支的资金。 经招标小组讨论后确定采纳综合评分法评标,评分方法及原则如下: (1)“投标报价”满分为 100 分,按如下两个方面评分: ① 报价与标底的偏差程度 70 分,按表 1 标准评分: ② 报价费用组成的合理性 30 分,评分结果见表 3。 (2)“施工组织与管理能力”满分为 100 分,其中工期 40 分,按以下方法评定:投标人所报工期比定额工期提前 30 天及 30 天以上者为满分,以比定额工期提前 30 天为准,每增加 1 天,扣减 1 分。其他项目评分结果见表 3。 (3)“业绩与信誉“满分为 100 分,评分结果见表 3。评标方法中还规定,“投标报价”、“施工组织与管理能力”和“业绩与信誉”三方面的得分值均不得低于 60 分,低于 60 分者淘汰。 对以上三方面进行综合评分时,投标报价的权重为 0.5,施工组织与管理能力的权重为 0.3,业绩与信誉的权重为 0.2。 共有 A、B、C、D、E 五家单位参加投标,其中 C 投标单位在投标截止日前一天,实行突然降价方法,将直接费由 3290 万元降到了 3230 万元,并相应地调整了部分费率;其他直接费费率 4.10%;现场经费费率 5.63%;间接费费率 4.39%;利润率 3.93%,税率 3.51%。C单位根据以上数据进行了报价(取整到 10 万元)。并确定了工期为 520 天。----------------------------精品 word 文档 值得下载 值得拥有----------------------------------------------下载后可任意编辑 已知其余四家投标单位报价和工期如表 2 所示: 开标后,评标组对 5 家投标单位进行了评审,部分结果如表 3 所示: 问题: 1、资质预审办法中规定的投标单位应满足的条件哪几项是正确的?哪几项不正确? 2、C 投标单位的投标报价是多少万元? 3、列式计算各投...

1、当您付费下载文档后,您只拥有了使用权限,并不意味着购买了版权,文档只能用于自身使用,不得用于其他商业用途(如 [转卖]进行直接盈利或[编辑后售卖]进行间接盈利)。
2、本站所有内容均由合作方或网友上传,本站不对文档的完整性、权威性及其观点立场正确性做任何保证或承诺!文档内容仅供研究参考,付费前请自行鉴别。
3、如文档内容存在违规,或者侵犯商业秘密、侵犯著作权等,请点击“违规举报”。

碎片内容

2024年9月份考试工程招投标第三次作业

确认删除?
VIP
微信客服
  • 扫码咨询
会员Q群
  • 会员专属群点击这里加入QQ群
客服邮箱
回到顶部