电脑桌面
添加小米粒文库到电脑桌面
安装后可以在桌面快捷访问

组合式空调、新风机组招标文件技术条款VIP免费

组合式空调、新风机组招标文件技术条款_第1页
1/15
组合式空调、新风机组招标文件技术条款_第2页
2/15
组合式空调、新风机组招标文件技术条款_第3页
3/15
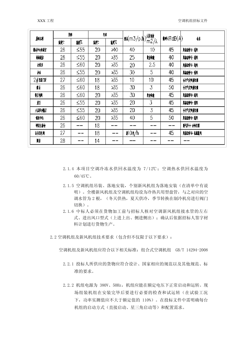
X X X 工程 空调机组招标文件 空 调 机 组 、 新 风 机 组 技 术 条 款 1. 总 则 本 技 术 条 款 是 招 标 文 件 的 重 要 组 成 部 分 , 内 容 包 括 货 物 的 规 格 、 参 数 和 技 术 要求 , 投 标 人 所 提 供 的 货 物 应 符 合 技 术 条 款 的 要 求 。 1.1 货 物 供 应 范 围 1.1.1 投 标 人 须 提 供 清 单 上 列 明 的 货 物 及 附 件 、 备 件 、 并 负 责 包 装 、 运 输 ,指 导 安 装 、 调 试 和 最 终 验 收 , 以 及 操 作 维 修 人 员 的 培 训 。 1.1.2 投 标 人 须 说 明 其 在 货 物 的 生 产 集 成 过 程 中 , 所 采 用 的 主 要 组 件 、 货 物的 名 称 及 制 造 厂 家 , 并 提 供 相 应 的 技 术 说 明 书 及 质 量 证 明 文 件 。 1.1.3 设 备 品 牌 要 求 : 投 标 人 在 投 标 文 件 中 须 明 确 投 标 产 品 的 品 牌 , 注 明 投标 的 空 调 机 组 、 新 风 机 组 、 热 回 收 式 空 调 机 组 所 采 用 的 主 要 组 件 、 货物 的 名 称 及 制 造 厂 家 , 并 提 供 相 应 的 技 术 说 明 书 及 质 量 证 明 文 件 。 1.1.4 此 次 投 标 报 价 的 量 单 不 能 作 为 加 工 生 产 的 依 据 , 它 只 是 一 个 确 定 单价 以 及 暂定 总 价 的 依 据 。 中 标 的 投 标 单 位的 唯一 生 产 供 货 依 据 就是 施工 单 位提 供 的 签字齐全的 材料设 备 计划单 , 中 标 方并 且必须 严格 按照计划进行生 产 供 货 (包 括 保质 保量 以 及 保证 供 货 日期)。 1.2 设 备 选型技 术 标 准 1.2.1 投 标 人 须 提 供 保证 货 物 在 保修 期内 正常运 转所 必需的 附 件 、 备 件 、 工具、 消耗品 、 人 员 服务费用 和 日常检查、 维 护、 保养费用 等, 在 投 标书 中 “货 物 备 品 备 件 及 专用 工 具明 细表”列 出清 单 , 提 供 名 称 、 用途、 制 造 厂 和 产 地, 其 价 格 含在 总 价 中 。 1.2.2 投 标 人 还须 保证 ,...

1、当您付费下载文档后,您只拥有了使用权限,并不意味着购买了版权,文档只能用于自身使用,不得用于其他商业用途(如 [转卖]进行直接盈利或[编辑后售卖]进行间接盈利)。
2、本站所有内容均由合作方或网友上传,本站不对文档的完整性、权威性及其观点立场正确性做任何保证或承诺!文档内容仅供研究参考,付费前请自行鉴别。
3、如文档内容存在违规,或者侵犯商业秘密、侵犯著作权等,请点击“违规举报”。

碎片内容

组合式空调、新风机组招标文件技术条款

小辰6+ 关注
实名认证
内容提供者

出售各种资料和文档

确认删除?
VIP
微信客服
  • 扫码咨询
会员Q群
  • 会员专属群点击这里加入QQ群
客服邮箱
回到顶部