电脑桌面
添加小米粒文库到电脑桌面
安装后可以在桌面快捷访问

给排水竣工资料VIP免费

给排水竣工资料_第1页
1/21
给排水竣工资料_第2页
2/21
给排水竣工资料_第3页
3/21
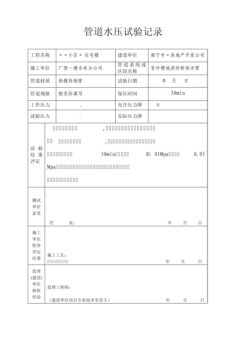
管道水压试验记录 工程名称 ××小区×#住宅楼 建设单位 南宁市×房地产开发公司 施工单位 广西一建水电分公司 管道系统或区段名称 室外埋地给水管 管道材质 热镀锌钢管 试验日期 2003年 6月 19日 管道规格 DN100 保压时间 10min 工作压力 0.3 Mpa 允许压力降 ≦0.02 Mpa 试验压力 1.0 Mpa 实际压力降 0.01 Mpa 试 验结 果评定 试验管段灌满水后,在不大于工作压力的条件下充分浸泡后,关闭所有进出水口,用试压水泵向管道内加压,先将管内压力升至试验压力稳压10min,压力降为0。 01Mpa,不大于0.02 Mpa,然后由试验压力降至工作压力作外观检查,不渗不漏,符合设计及施工规范要求。 测试单位意见 代 表: 年 月 日 施工单位检查评定结果 施工工长: 项目专业质量检查员: 年 月 日 监理(建设)单位 验收 结论 监理工程师: (建设单位项目专业技术负责人) 年 月 日 管道水压试验记录 工程名称 ××小区×#住宅楼 建设单位 南宁市×房地产开发公司 施工单位 广西一建水电分公司 管道系统或区段名称 室外埋地消防栓给水管 管道材质 热镀锌钢管 试验日期 2003年 6月 19日 管道规格 按实际填写 保压时间 30min 工作压力 0。3Mpa 允许压力降 ≦0.05 Mpa 试验压力 1.0Mpa 实际压力降 0.01 Mpa 试 验结 果评定 试验管段灌满水后,在不大于工作压力的条件下充分浸泡后,关闭所有进出水口,用试压水泵向管道内加压,先将管内压力升至试验压力稳压30min,压力降为0。 01Mpa,不大于0.05 Mpa,然后由试验压力降至工作压力作外观检查,不渗不漏,符合设计及施工规范要求。 测试单位意见 代 表: 年 月 日 施工单位检查评定结果 施工工长: 项目专业质量检查员: 年 月 日 监理(建设)单位 验收 结论 监理工程师: (建设单位项目专业技术负责人) 年 月 日 管道水压试验记录 工程名称 ××小区×#住宅楼 建设单位 南宁市×房地产开发公司 施工单位 广西一建水电分公司 管道系统或区段名称 第一单元消防栓给水管 管道材质 热镀锌钢管 试验日期 2003年 6月 19日 管道规格 DN70 保压时间 30min 工作压力 0.3 Mpa 允许压力降 ≦0.05 Mpa 试验压力 1.0 Mpa 实际压力降 0.01 Mpa 试 验结 果评定 试验管段灌满水后,关闭所有进出水口,用试压水泵向管道内加压,先将管内压力升至试验压力稳压30min,压力降为0。...

1、当您付费下载文档后,您只拥有了使用权限,并不意味着购买了版权,文档只能用于自身使用,不得用于其他商业用途(如 [转卖]进行直接盈利或[编辑后售卖]进行间接盈利)。
2、本站所有内容均由合作方或网友上传,本站不对文档的完整性、权威性及其观点立场正确性做任何保证或承诺!文档内容仅供研究参考,付费前请自行鉴别。
3、如文档内容存在违规,或者侵犯商业秘密、侵犯著作权等,请点击“违规举报”。

碎片内容

给排水竣工资料

您可能关注的文档

确认删除?
VIP
微信客服
  • 扫码咨询
会员Q群
  • 会员专属群点击这里加入QQ群
客服邮箱
回到顶部