电脑桌面
添加小米粒文库到电脑桌面
安装后可以在桌面快捷访问

给水排水制图标准GBT501062001VIP专享VIP免费

给水排水制图标准GBT501062001_第1页
1/13
给水排水制图标准GBT501062001_第2页
2/13
给水排水制图标准GBT501062001_第3页
3/13
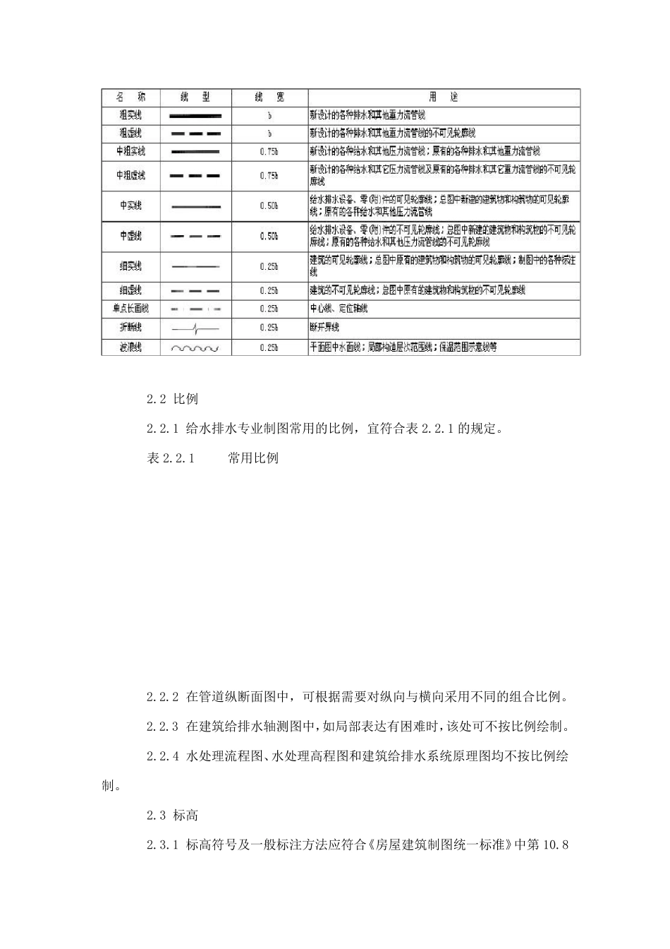
1 总则 1.0.1 为了统一给水排水专业制图规则,保证制图质量,提高制图效率,做到图面清晰、简明,符合设计、施工、存档的要求,适应工程建设的需要,制定本标准。 1.0.2 本标准适用于下列制图方式绘制的图样: 1 手工制图; 2 计算机制图。 1.0.3 本标准适用于给水排水专业的下列工程制图: 1 新建、改建、扩建工程的各阶段设计图、竣工图; 2 总平面设计图、竣工图; 3 原有建筑物、构筑物、总平面图的实测图; 4 通用设计图、标准设计图。 1.0.4 给水排水专业制图,除应遵守本标准外,还应符合《房屋建筑制图统一标准》(GB/T 50001-2001)以及国家现行的有关强制性标准的规定。 2 一般规定 2.1 图线 2.1.1 图线的宽度 b,应根据图纸的类别、比例和复杂程度,按《房屋建筑制图统一标准》中第 3.0.1 条的规定选用。线宽 b 宜为0.7 或 1.0mm。 2.1.2 给水排水专业制图,常用的各种线型宜符合表 2.1.2 的规定。 表 2.1.2 线型 2.2 比例 2.2.1 给水排水专业制图常用的比例,宜符合表2.2.1 的规定。 表2.2.1 常用比例 2.2.2 在管道纵断面图中,可根据需要对纵向与横向采用不同的组合比例。 2.2.3 在建筑给排水轴测图中,如局部表达有困难时,该处可不按比例绘制。 2.2.4 水处理流程图、水处理高程图和建筑给排水系统原理图均不按比例绘制。 2.3 标高 2.3.1 标高符号及一般标注方法应符合《房屋建筑制图统一标准》中第 10.8节的规定。 2.3.2 室内工程应标注相对标高;室外工程宜标注绝对标高,当无绝对标高资料时,可标注相对标高,但应与总图专业一致。 2.3.3 压力管道应标注管中心标高;沟渠和重力流管道宜标注沟(管)内底标高。 2.3.4 在下列部位应标注标高: 1 沟渠和重力流管道的起讫点、转角点、连接点、变坡点、变尺寸(管径)点及交叉点; 2 压力流管道中的标高控制点; 3 管道穿外墙、剪力墙和构筑物的壁及底板等处; 4 不同水位线处; 5 构筑物和土建部分的相关标高。 2.3.5 标高的标注方法应符合下列规定: 1 平面图中,管道标高应按图2.3.5-1 的方式标注。 3 剖面图中,管道及水位的标高应按图2.3.5-3 的方式标注。 4 轴测图中,管道标高应按图2.3.5-4 的方式标注。 2.3.6 在建筑工程中,管道也可注相对本层建筑地面的标高,标注方法为h+×.×××,h 表示本层建筑地面标高(如 h+0.250)。 2.4 管径 2.4.1 管径应以 mm 为单位。 2.4.2 管径...

1、当您付费下载文档后,您只拥有了使用权限,并不意味着购买了版权,文档只能用于自身使用,不得用于其他商业用途(如 [转卖]进行直接盈利或[编辑后售卖]进行间接盈利)。
2、本站所有内容均由合作方或网友上传,本站不对文档的完整性、权威性及其观点立场正确性做任何保证或承诺!文档内容仅供研究参考,付费前请自行鉴别。
3、如文档内容存在违规,或者侵犯商业秘密、侵犯著作权等,请点击“违规举报”。

碎片内容

给水排水制图标准GBT501062001

确认删除?
VIP
微信客服
  • 扫码咨询
会员Q群
  • 会员专属群点击这里加入QQ群
客服邮箱
回到顶部