电脑桌面
添加小米粒文库到电脑桌面
安装后可以在桌面快捷访问

绝缘摇测记录表VIP专享VIP免费

绝缘摇测记录表_第1页
1/6
绝缘摇测记录表_第2页
2/6
绝缘摇测记录表_第3页
3/6
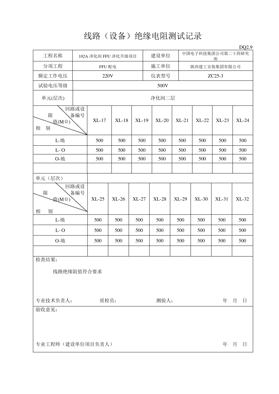
线路(设备)绝缘电阻测试记录 DQ2.9 工程名称 102A 净化间FFU 净化升级项目 建设单位 中国电子科技集团公司第二十四研究所 分项工程 FFU 配电 施工单位 陕西建工安装集团有限公司 额定工作电压 220V 仪表型号 ZC25-3 试验电压等级 500V 单元(层次) 净化间二层 回路或设 限 备编号 值(MΩ) 相 别 XL-1 XL-2 XL-3 XL-4 XL-5 XL-6 XL-7 XL-8 L-地 500 500 500 500 500 500 500 500 L- O 500 500 500 500 500 500 500 500 O-地 500 500 500 500 500 500 500 500 单元(层次) 回路或设 限 备编号 值(MΩ) 相 别 XL-9 XL-10 XL-11 XL-12 XL-13 XL-14 XL-15 XL-16 L-地 500 500 500 500 500 500 500 500 L- O 500 500 500 500 500 500 500 500 O-地 500 500 500 500 500 500 500 500 检查结果: 线路绝缘阻值符合要求 专业技术负责人: 质检员: 测验人: 年 月 日 验收意见: 专业工程师(建设单位项目负责人) 年 月 日 线路(设备)绝缘电阻测试记录 DQ2.9 工程名称 102A 净化间FFU 净化升级项目 建设单位 中国电子科技集团公司第二十四研究所 分项工程 FFU 配电 施工单位 陕西建工安装集团有限公司 额定工作电压 220V 仪表型号 ZC25-3 试验电压等级 500V 单元(层次) 净化间二层 回路或设 限 备编号 值(MΩ) 相 别 XL-17 XL-18 XL-19 XL-20 XL-21 XL-22 XL-23 XL-24 L-地 500 500 500 500 500 500 500 500 L- O 500 500 500 500 500 500 500 500 O-地 500 500 500 500 500 500 500 500 单元(层次) 回路或设 限 备编号 值(MΩ) 相 别 XL-25 XL-26 XL-27 XL-28 XL-29 XL-30 XL-31 XL-32 L-地 500 500 500 500 500 500 500 500 L- O 500 500 500 500 500 500 500 500 O-地 500 500 500 500 500 500 500 500 检查结果: 线路绝缘阻值符合要求 专业技术负责人: 质检员: 测验人: 年 月 日 验收意见: 专业工程师(建设单位项目负责人) 年 月 日 线路(设备)绝缘电阻测试记录 DQ2.9 工程名称 102A 净化间FFU 净化升级项目 建设单位 中国电子科技集团公司第二十四研究所 分项工程 FFU 配电 施工单位 陕西建工安装集团有限公司 额定工作电压 220V 仪表型号 ZC25-3 试验电压等级...

1、当您付费下载文档后,您只拥有了使用权限,并不意味着购买了版权,文档只能用于自身使用,不得用于其他商业用途(如 [转卖]进行直接盈利或[编辑后售卖]进行间接盈利)。
2、本站所有内容均由合作方或网友上传,本站不对文档的完整性、权威性及其观点立场正确性做任何保证或承诺!文档内容仅供研究参考,付费前请自行鉴别。
3、如文档内容存在违规,或者侵犯商业秘密、侵犯著作权等,请点击“违规举报”。

碎片内容

绝缘摇测记录表

确认删除?
VIP
微信客服
  • 扫码咨询
会员Q群
  • 会员专属群点击这里加入QQ群
客服邮箱
回到顶部