电脑桌面
添加小米粒文库到电脑桌面
安装后可以在桌面快捷访问

统计过程控制(SPC)案例分析(20040324)VIP专享VIP免费

统计过程控制(SPC)案例分析(20040324)_第1页
1/18
统计过程控制(SPC)案例分析(20040324)_第2页
2/18
统计过程控制(SPC)案例分析(20040324)_第3页
3/18
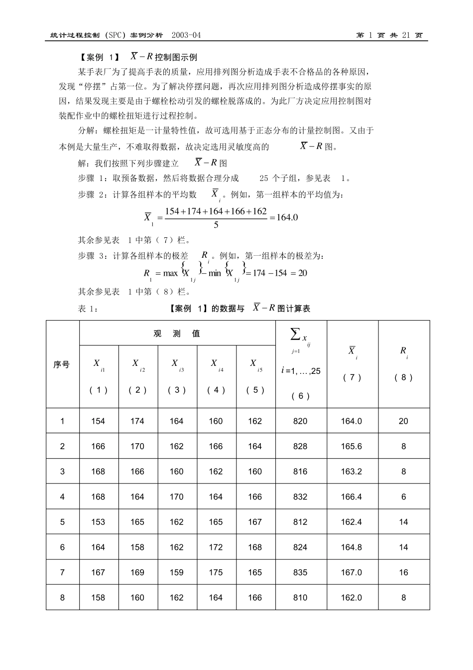
统计过程控制(SPC)案例分析 2003-04 第 1 页 共 21 页 【案例 1】 RX 控制图示例 某手表厂为了提高手表的质量,应用排列图分析造成手表不合格品的各种原因,发现“停摆”占第一位。为了解决停摆问题,再次应用排列图分析造成停摆事实的原因,结果发现主要是由于螺栓松动引发的螺栓脱落成的。为此厂方决定应用控制图对装配作业中的螺栓扭矩进行过程控制。 分解:螺栓扭矩是一计量特性值,故可选用基于正态分布的计量控制图。又由于本例是大量生产,不难取得数据,故决定选用灵敏度高的RX 图。 解:我们按照下列步骤建立RX 图 步骤 1:取预备数据,然后将数据合理分成25 个子组,参见表1。 步骤 2:计算各组样本的平均数iX 。例如,第一组样本的平均值为: 0.16451621661641741541X 其余参见表1 中第( 7)栏。 步骤 3:计算各组样本的极差iR 。例如,第一组样本的极差为:   20154174minmax111jjXXR 其余参见表1 中第( 8)栏。 表1: 【 案 例1】 的 数 据 与RX 图 计 算 表 序 号 观 测 值 51jijx i =1, …,25 (6) iX (7) iR (8) 1iX (1) 2iX (2) 3iX (3) 4iX (4) 5iX (5) 1 154 174 164 160 162 820 164.0 20 2 166 170 162 166 164 828 165.6 8 3 168 166 160 162 160 816 163.2 8 4 168 164 170 164 166 832 166.4 6 5 153 165 162 165 167 812 162.4 14 6 164 158 162 172 168 824 164.8 14 7 167 169 159 175 165 835 167.0 16 8 158 160 162 164 166 810 162.0 8 统计过程控制(SPC)案例分析 2003-04 第 2 页 共 21 页 序 号 观 测 值 51jijx i =1, …,25 (6) iX (7) iR (8) 1iX (1) 2iX (2) 3iX (3) 4iX (4) 5iX (5) 9 156 162 164 152 164 798 159.6 12 10 174 162 162 156 174 828 165.6 18 11 168 174 166 160 166 934 166.8 14 12 148 160 162 164 170 804 160.8 22 13 165 159 147 153 151 775 155.0 18 14 164 166 164 170 164 828 165.6 6 15 162 158 154 168 172 814 162.8 18 16 158 162 156 164 152 792 158.4 12 17 151 158 154 181 168 812 162.4 30 18 166 166...

1、当您付费下载文档后,您只拥有了使用权限,并不意味着购买了版权,文档只能用于自身使用,不得用于其他商业用途(如 [转卖]进行直接盈利或[编辑后售卖]进行间接盈利)。
2、本站所有内容均由合作方或网友上传,本站不对文档的完整性、权威性及其观点立场正确性做任何保证或承诺!文档内容仅供研究参考,付费前请自行鉴别。
3、如文档内容存在违规,或者侵犯商业秘密、侵犯著作权等,请点击“违规举报”。

碎片内容

统计过程控制(SPC)案例分析(20040324)

确认删除?
VIP
微信客服
  • 扫码咨询
会员Q群
  • 会员专属群点击这里加入QQ群
客服邮箱
回到顶部