电脑桌面
添加小米粒文库到电脑桌面
安装后可以在桌面快捷访问

玻璃采光顶铺装质量验收规范标准VIP免费

玻璃采光顶铺装质量验收规范标准_第1页
1/8
玻璃采光顶铺装质量验收规范标准_第2页
2/8
玻璃采光顶铺装质量验收规范标准_第3页
3/8
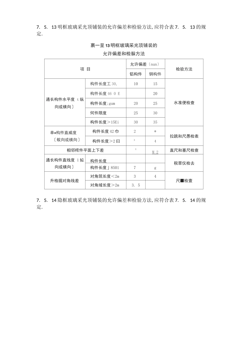
玻璃采光顶铺装质量验收标准标准7. 5. 1 玻璃采光顶的预埋件应位置准确,安装应牢固.7. 5. 2 采光顶玻璃及玻璃组件的制作,应符合现行行业标准?建筑玻璃采光顶? JG /T 231 的有关规定.7. 5. 3 采光顶玻璃外表应平整、洁净,颜色应均匀一致.7. 5. 4 玻璃采光顶与周边墙体之间的连接,应符合设计要求.工主控工程7. 5. 5 采光顶玻璃及其配套材料的质量,应符合设计要求.检验方法:检查出厂合格证和质量检验报告.7. 5. 6 玻璃采光顶不得有渗漏现象.检验方法:雨后观察或淋水试验.7. 5. 7 硅酮耐候密封胶的打注应密实、连续、饱满,粘结应牢固,不得有气泡、 开裂、脱落等缺陷.检验方法:观察检查.口 一般工程7. 5. 8 玻璃采光顶铺装应平整、顺直;排水坡度应符合设计要求.检验方法:观察和坡度尺检查.7. 5. 9 玻璃采光顶的冷凝水收集和排除构造,应符合设计要求.检验方法:观察检查.7. 5. 10 明框玻璃采光顶的外露金属框或压条应横平竖直,压条安装应牢固; 隐框玻璃采光顶的玻璃分格拼缝应横平竖直,均匀一致.检验方法:观察和手扳检查.7. 5. 11 点支承玻璃采光顶的支承装置应安装牢固,配合应严密;支承装置不 得与玻璃直接接触.检验方法:观察检查.7. 5. 12 采光顶玻璃的密封胶缝应横平竖直,深浅应一致,宽窄应均匀,应光 滑顺直.检验方法:观察检查.7. 5. 13 明框玻璃采光顶铺装的允许偏差和检验方法,应符合表 7. 5. 13 的规 定.裹一呈 13 明框玻璃采光顶铺装的允许偏差和检躲方法项 目允许偏差〔nun〕检验方法铝构件钢构件通长构件水平度 t 纵向或横向〕构件长度工 30,1015水准便检查构件长度 46 0 E20构件长度;gum2025何件限度2530构件长度>15Ei3035单♦构件直威度〔蚁向或横向〕构件长度 42 巾2*拉跳和尺愚检表构件长度>2 曰34相邻樗件平面上下差1M 2 直尺和塞尺检查通长构件直线度 1 姒向或横向〕构件长度税罪仪检去构件长度」85017g升格掘对角线差对角筑长度<2m34尺■检壹对角域长度>2m3. 57. 5. 14 隐框玻璃采光顶铺装的允许偏差和检验方法,应符合表 7. 5. 14 的规 定.果 7,5.14 障梅成璃采光顶铺装的允许偏差和检验方法顺 目允许儡差 〔〔nm〕检验方法通长接轼水平度 〔纵向或横向〕接疆长度皿10水准仪检查接缝艮度〔防皿IS接缝长度20接缢长健 41 帕巾25接装长携>15.巾勃相邻板块的平面上下差1直尺和塞尺检浅槌籍板块的接建宜绕段a. s拉线和尺量拉膏通长接...

1、当您付费下载文档后,您只拥有了使用权限,并不意味着购买了版权,文档只能用于自身使用,不得用于其他商业用途(如 [转卖]进行直接盈利或[编辑后售卖]进行间接盈利)。
2、本站所有内容均由合作方或网友上传,本站不对文档的完整性、权威性及其观点立场正确性做任何保证或承诺!文档内容仅供研究参考,付费前请自行鉴别。
3、如文档内容存在违规,或者侵犯商业秘密、侵犯著作权等,请点击“违规举报”。

碎片内容

玻璃采光顶铺装质量验收规范标准

确认删除?
VIP
微信客服
  • 扫码咨询
会员Q群
  • 会员专属群点击这里加入QQ群
客服邮箱
回到顶部