电脑桌面
添加小米粒文库到电脑桌面
安装后可以在桌面快捷访问

无支护基坑开挖作业指导书汇总VIP免费

无支护基坑开挖作业指导书汇总_第1页
1/13
无支护基坑开挖作业指导书汇总_第2页
2/13
无支护基坑开挖作业指导书汇总_第3页
3/13
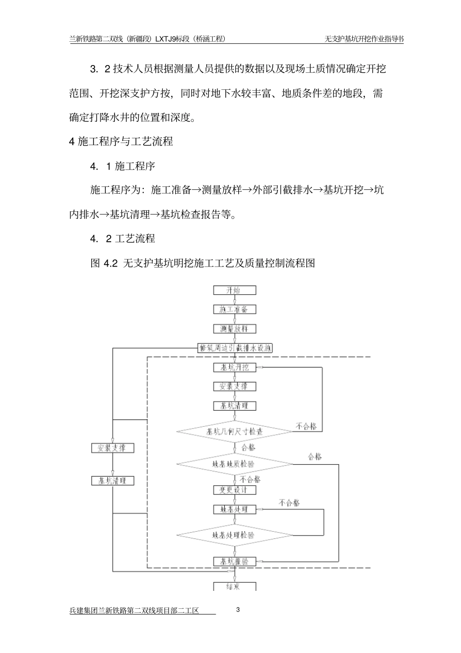
兰新铁路第二双线(新疆段)LXTJ9标段(桥涵工程)无支护基坑开挖作业指导书兵建集团兰新铁路第二双线项目部二工区1 兵 建 集 团 兰 新 铁 路 第 二 双 线项 目 部 二 工 区无支护基坑开挖作业指导书兰新铁路第二双线(新疆段)LXTJ9标段(桥涵工程)无支护基坑开挖作业指导书兵建集团兰新铁路第二双线项目部二工区2 无支护基坑开挖作业指导书1 适用范围本作业指导书适用于埋置深度5m以内(地质条件好或放坡开挖不受周围条件限制时,深度可以大于5m)浅基础的基坑开挖施工。因其施工简便,工程措施灵活,施工中普遍采用。2 作业准备2.1 内业技术准备2.1.1 编制作业指导书、操作规程,组织技术交流、技术培训。2.1.2 根据施工图标的地质、水纹资料并结合现场具体条件确定基坑开挖方按,包括开挖方放坡形机械设备、坑底尺寸以及安全质量措施等。2.2 外业技术准备2.2.1 须做好施工测量,测定桥墩、台的中心桩、基础纵横边中心和临时水准基点,同时还必须做好断面测量,放出基本边桩,经核对无误后。方可施工。2.2.2 按基坑施工要求清楚地面土堆及防碍基坑开挖的障碍物,对受开挖影响的架空线和底下管线,应采取迁改或保护措施。2.2.3 基坑开挖前还必须搞好防水、排水工作,应在基坑顶部边缘外四周挖好防水、排水沟以拦截雨水。若基坑在低凹处或河床中,为可排干积水,必须准备足够的排水机具。3 技术要求3.1 基坑开挖前安排测量人员进行承台放样和标高测量。兰新铁路第二双线(新疆段)LXTJ9标段(桥涵工程)无支护基坑开挖作业指导书兵建集团兰新铁路第二双线项目部二工区3 3.2 技术人员根据测量人员提供的数据以及现场土质情况确定开挖范围、开挖深支护方按,同时对地下水较丰富、地质条件差的地段,需确定打降水井的位置和深度。4 施工程序与工艺流程4.1 施工程序施工程序为:施工准备→测量放样→外部引截排水→基坑开挖→坑内排水→基坑清理→基坑检查报告等。4.2 工艺流程图 4.2 无支护基坑明挖施工工艺及质量控制流程图兰新铁路第二双线(新疆段)LXTJ9标段(桥涵工程)无支护基坑开挖作业指导书兵建集团兰新铁路第二双线项目部二工区4 5 施工要求5.1 测量放样首先利用控制测量网通过全站仪器=或 GPS仪器定出墩、台基础的中心位置以及轮廓尺寸,并打上木桩作为标志,桩标必须位于基坑开挖范围以外的可靠地点。应特别注意在曲线桥梁上墩台的纵向中心与线路中心、两端不等跨时墩的横向...

1、当您付费下载文档后,您只拥有了使用权限,并不意味着购买了版权,文档只能用于自身使用,不得用于其他商业用途(如 [转卖]进行直接盈利或[编辑后售卖]进行间接盈利)。
2、本站所有内容均由合作方或网友上传,本站不对文档的完整性、权威性及其观点立场正确性做任何保证或承诺!文档内容仅供研究参考,付费前请自行鉴别。
3、如文档内容存在违规,或者侵犯商业秘密、侵犯著作权等,请点击“违规举报”。

碎片内容

无支护基坑开挖作业指导书汇总

您可能关注的文档

确认删除?
VIP
微信客服
  • 扫码咨询
会员Q群
  • 会员专属群点击这里加入QQ群
客服邮箱
回到顶部