电脑桌面
添加小米粒文库到电脑桌面
安装后可以在桌面快捷访问

时控开关说明书技术VIP免费

时控开关说明书技术_第1页
1/3
时控开关说明书技术_第2页
2/3
时控开关说明书技术_第3页
3/3
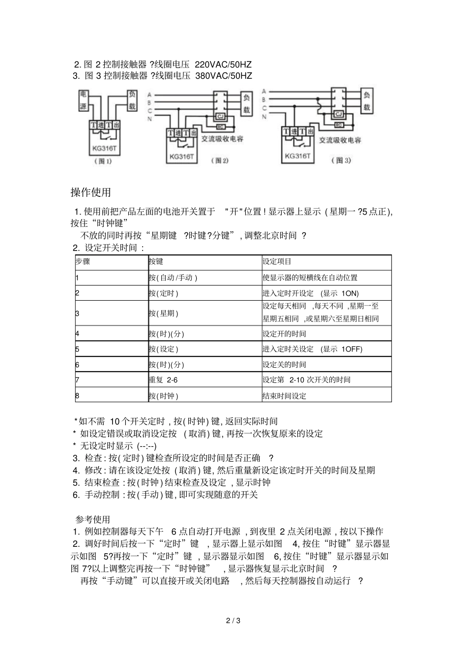
1 / 3 KG316T微电脑时控开关说明书特点1. 理想的节能 ?延长照明器件的使用寿命?应在天暗时用定时自动打开, 半夜时用定时自动关闭 ?是路灯 ?灯箱?霓虹灯 ?生产设备 ?农业养殖 ?仓库排风除湿 ?自动预热 ?广播电视等最理想的控制产品? 2. 内置可充电池 ?外置电池开关 , 高精度 , 工业级芯片 , 强抗干扰 ?特性型号KG316T 电源电压220VAC 50-60HZ ±15% 内部电池电压3.6VDC 电力消耗约 1.5VA 控制输出25A 250VAC( 阻性负载 ) 显示输出LCD 显示走时误差小于 1 秒 /天开关次数日/周循环 12 次开关环境温度-25℃至 60℃环境湿度45 至 85%RH 机械寿命最少 3000,000 次重量 ?尺寸约 410 克 ,120 ×74×52mm 安装方式装置式中英文周日标志对照表MO TU WE TH FR SA SU 星期一星期二星期三星期四星期五星期六星期日接线 1. 图 1 直接控制方式2 / 3 2. 图 2 控制接触器 ?线圈电压 220VAC/50HZ 3. 图 3 控制接触器 ?线圈电压 380VAC/50HZ操作使用1. 使用前把产品左面的电池开关置于"开"位置 ! 显示器上显示 ( 星期一 ?5 点正),按住“时钟键”不放的同时再按“星期键 ?时键?分键” , 调整北京时间 ? 2. 设定开关时间 :步骤按键设定项目1 按(自动 /手动 ) 使显示器的短横线在自动位置2 按(定时 ) 进入定时开设定(显示 1ON) 3 按(星期 ) 设定每天相同 ,每天不同 ,星期一至星期五相同 ,或星期六至星期日相同4 按(时)(分) 设定开的时间5 按(设定 ) 进入定时关设定(显示 1OFF) 6 按(时)(分) 设定关的时间7 重复 2-6 设定第 2-10 次开关的时间8 按(时钟 ) 结束时间设定*如不需 10 个开关定时 , 按( 时钟) 键, 返回实际时间 * 如设定错误或取消设定按 ( 取消) 键, 再按一次恢复原来的设定 * 无设定时显示 (--:--) 3. 检查 : 按( 定时) 键检查所设定的时间是否正确? 4. 修改 : 请在该设定处按 ( 取消 ) 键, 然后重量新设定该定时开关的时间及星期 5. 结束检查 : 按( 时钟 ) 结束检查及设定 , 显示时钟 6. 手动控制 : 按( 手动 ) 键, 即可实现随意的开关参考使用 1. 例如控制器每天下午6 点自动打开电源 , 到夜里 2 点关闭电源 , 按以下操作 2. 调好时间后按一下“定时”键, 显示器上显示如图4, 按住“时键”显示器显示如图 5?再按一下“定时”键 , 显示器显示如图6, 按住“时键”显示器显示如图 7?以上调整完再按一下“时钟键”, 显示器恢复显示北京时间?再按“手动键”可以直接开或关闭电路, 然后每天控制器按自动运行?3 / 3 注意事项 1. 为防强电流下融点发热 , 接线时务必拧紧接线柱的螺钉 2. 控制器进线 220VAC/50-60HZ电源, 切勿接到 380VAC 3. 控制器红灯亮有电进入 , 红绿灯同时亮开关有电输出 4. 设定的时间 , 不能交叉设定 , 应按时间的顺序设定

1、当您付费下载文档后,您只拥有了使用权限,并不意味着购买了版权,文档只能用于自身使用,不得用于其他商业用途(如 [转卖]进行直接盈利或[编辑后售卖]进行间接盈利)。
2、本站所有内容均由合作方或网友上传,本站不对文档的完整性、权威性及其观点立场正确性做任何保证或承诺!文档内容仅供研究参考,付费前请自行鉴别。
3、如文档内容存在违规,或者侵犯商业秘密、侵犯著作权等,请点击“违规举报”。

碎片内容

时控开关说明书技术

您可能关注的文档

爱的疯狂+ 关注
实名认证
内容提供者

该用户很懒,什么也没介绍

确认删除?
VIP
微信客服
  • 扫码咨询
会员Q群
  • 会员专属群点击这里加入QQ群
客服邮箱
回到顶部