电脑桌面
添加小米粒文库到电脑桌面
安装后可以在桌面快捷访问

明挖隧道敞开段高大侧墙单侧模板施工VIP免费

明挖隧道敞开段高大侧墙单侧模板施工_第1页
1/6
明挖隧道敞开段高大侧墙单侧模板施工_第2页
2/6
明挖隧道敞开段高大侧墙单侧模板施工_第3页
3/6
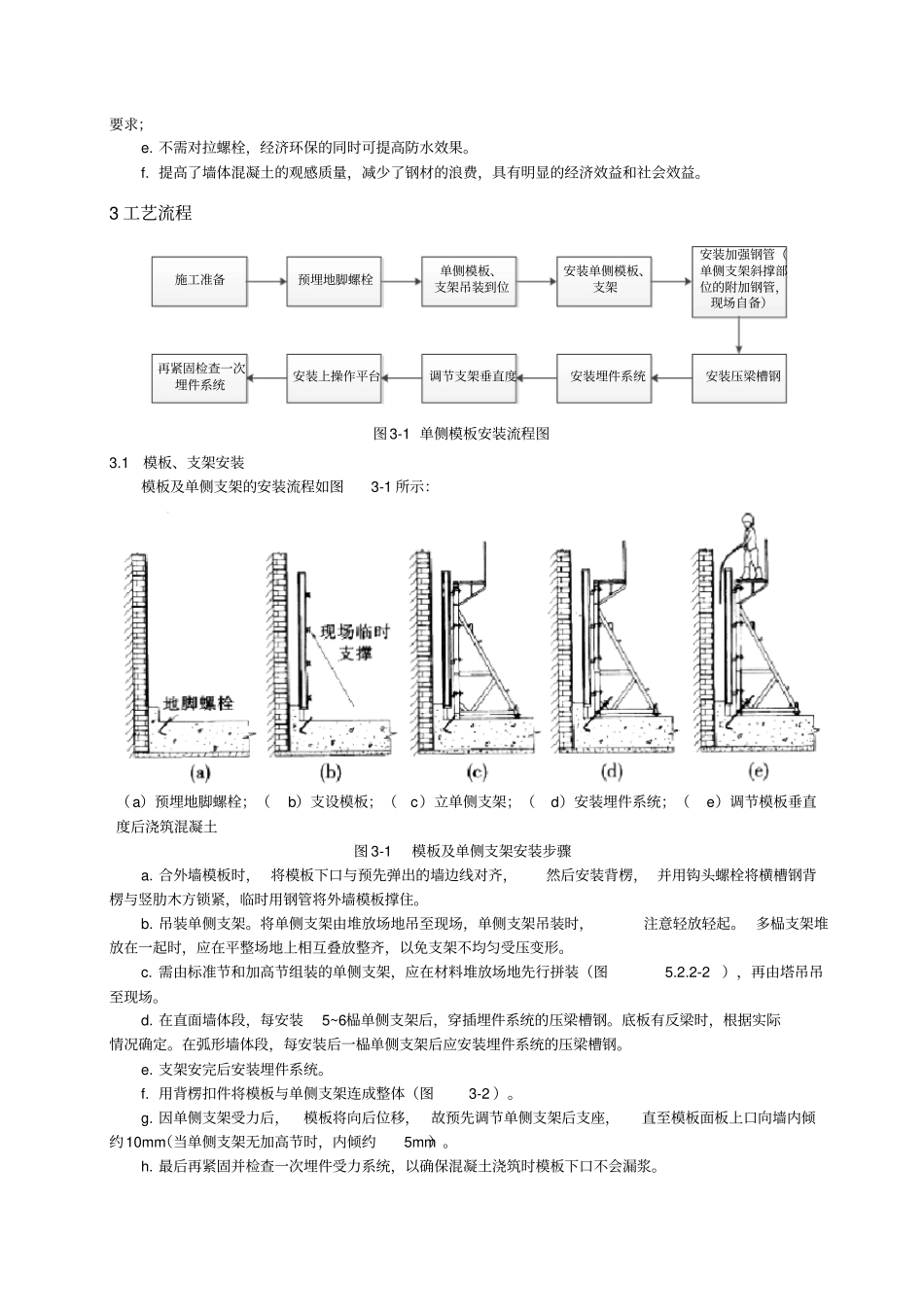
阳澄湖隧道敞开段高大侧墙单侧支模施工董仲月 中铁十四局集团隧道工程有限公司摘要:随着深基坑支护技术的发展,垂直支护被广泛采用,地下工程的外墙施工采用双侧支模无法实现,必须采用单侧支模。 在阳澄湖隧道敞开段高大侧墙施工中采用了型钢三角桁架和预埋件作为模板支撑系统的单侧支模工艺。关键词: 单侧支模高大侧墙三角桁架1 工程概况阳澄湖隧道敞开段起讫里程为k79+630~k79+880,共计 250m。侧墙高度从小里程到大里程逐渐增大,其侧墙高度最高可达8980mm,属于高大侧墙。横断面结构尺寸如图1-1 所示。图 1-1 侧墙横断面尺寸由于该基坑采用垂直支护,所以在结构侧墙施工中无法采用双侧支模,故必须采用单侧支模。传统的单侧支模工艺是采用钢管搭设排架作为模板的支撑体系,该工艺使用钢管数量大,搭设周期长, 一次支模高度较低,且易出现模板上浮、胀模、混凝土墙面平整度、垂直度差等缺陷,由于需对拉螺栓,对侧墙防水造成隐患,施工质量难以保证。对于高度较大墙体支模,施工难度更大。2 工艺原理及特点2.1 工艺原理单侧支模主要是利用型钢三角桁架和预埋件,作为模板的支撑系统,将模板固定牢固。如图2-1 所示。单侧支架通过一个 45° 角的高强受力螺栓, 一端与预埋在基础中的地脚螺栓连接,一端斜拉住单侧模架,高强螺栓受的斜拉锚力F可分解为水平力F1和垂直力F2,F1抵制模架侧移, F2抵制模架上浮。 高强度的模板支架在混凝土浇筑过程中抵抗了混凝土的侧向压力。2.2 工艺特点a. 单侧支模模架装拆方便,支设速度快,省时省力;b. 有效保证了墙体的垂直度、平整度, 克服了常见的胀模、漏浆、错台等质量通病;c. 可一次性支设模板高度3.4 米,对于较高墙体可减少水平施工缝的留置数量,利于墙体防水;d. 对超高墙体来讲,底部混凝土侧压力很大,模板体系的设计要求非常高,模板的刚度要满足使用FFF12图 2-1 模板搭设示意图要求;e. 不需对拉螺栓,经济环保的同时可提高防水效果。f. 提高了墙体混凝土的观感质量,减少了钢材的浪费,具有明显的经济效益和社会效益。3 工艺流程施工准备预埋地脚螺栓单侧模板、支架吊装到位安装单侧模板、支架安装加强钢管(单侧支架斜撑部位的附加钢管,现场自备)安装压梁槽钢安装埋件系统调节支架垂直度安装上操作平台再紧固检查一次埋件系统图3-1 单侧模板安装流程图3.1 模板、支架安装模板及单侧支架的安装流程如图3-1 所示:(a)预埋地脚螺栓;(b)支设模板;(...

1、当您付费下载文档后,您只拥有了使用权限,并不意味着购买了版权,文档只能用于自身使用,不得用于其他商业用途(如 [转卖]进行直接盈利或[编辑后售卖]进行间接盈利)。
2、本站所有内容均由合作方或网友上传,本站不对文档的完整性、权威性及其观点立场正确性做任何保证或承诺!文档内容仅供研究参考,付费前请自行鉴别。
3、如文档内容存在违规,或者侵犯商业秘密、侵犯著作权等,请点击“违规举报”。

碎片内容

明挖隧道敞开段高大侧墙单侧模板施工

您可能关注的文档

确认删除?
VIP
微信客服
  • 扫码咨询
会员Q群
  • 会员专属群点击这里加入QQ群
客服邮箱
回到顶部