电脑桌面
添加小米粒文库到电脑桌面
安装后可以在桌面快捷访问

智能水表使用说明书VIP专享VIP免费

智能水表使用说明书_第1页
1/6
智能水表使用说明书_第2页
2/6
智能水表使用说明书_第3页
3/6
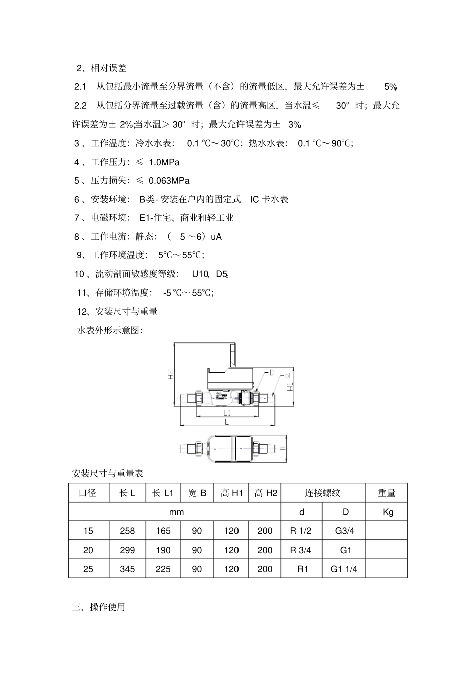
智能水表使用说明书目录一、概述二、技术参数三、操作(使用)说明四、安装说明五、 故障处理说明六、附件一、概述系列智能表是按照 CJ/T133-2007 中华人民共和国城镇建设行业标准《IC卡冷水水表》 和中华人民共和国国家标准 GB/T778-2007 《饮用冷水水表和热水水表》的技术要求,由公司设计生产制造。该系列智能表技术先进、性能优良、结构合理、计量准确、可靠。该智能表具有以下显著特点:1、始动好;2、基表采用四位指针、五位字轮,明确、易读;3、阀门采用悬浮结构、开关扭矩小;寿命长、可靠;4、表阀一体,结构合理;二、主要技术参数1、流量范围水表代号公称口径DNmm 计量特性过载流量Q4 常用流量Q3 分界流量Q2 最小流量 Q1 立方米 / 小时DN15 15 R80 3.125 2.5 0.05 0.031 DN20 20 R80 5 4.0 0.08 0.05 DN25 25 R80 7.875 6.3 0.126 0.079 2、相对误差 2.1 从包括最小流量至分界流量(不含)的流量低区,最大允许误差为±5%; 2.2 从包括分界流量至过载流量(含)的流量高区,当水温≤30° 时;最大允许误差为± 2%;当水温> 30° 时;最大允许误差为±3%。 3 、工作温度:冷水水表: 0.1 ℃~ 30℃;热水水表: 0.1 ℃~ 90℃; 4 、工作压力:≤ 1.0MPa 5 、压力损失:≤ 0.063MPa 6 、安装环境: B类- 安装在户内的固定式IC 卡水表 7 、电磁环境: E1-住宅、商业和轻工业 8 、工作电流:静态:( 5 ~6)uA 9、工作环境温度: 5℃~55℃; 10 、流动剖面敏感度等级:U10、D5。11、存储环境温度: -5 ℃~ 55℃;12、安装尺寸与重量水表外形示意图:安装尺寸与重量表口径长 L 长 L1 宽 B 高 H1 高 H2 连接螺纹重量mm d D Kg 15 258 165 90 120 200 R 1/2 G3/4 20 299 190 90 120 200 R 3/4 G1 25 345 225 90 120 200 R1 G1 1/4 三、操作使用用户使用本表时应到管理部门营业处去开户、建档,购买相应的水量的用户卡。用户卡在初次使用时必需在指定的表上使用,否则可能造成不必要的损失。将射频卡靠近水表塑料壳体的读卡标志区处,按动按键, 听到”嘀”的一声表示刷卡成功 . 在按按键的同时液晶显示 “rd IC ”表示检测到射频卡, 如显示“END”表示卡操作正常,如显示“ Err XXX” 表示可能有问题 . 请重新放一下卡的位置 ,再试一下 , 如还有问题请与管理部门联系. 当水表剩余量小于设定的报...

1、当您付费下载文档后,您只拥有了使用权限,并不意味着购买了版权,文档只能用于自身使用,不得用于其他商业用途(如 [转卖]进行直接盈利或[编辑后售卖]进行间接盈利)。
2、本站所有内容均由合作方或网友上传,本站不对文档的完整性、权威性及其观点立场正确性做任何保证或承诺!文档内容仅供研究参考,付费前请自行鉴别。
3、如文档内容存在违规,或者侵犯商业秘密、侵犯著作权等,请点击“违规举报”。

碎片内容

智能水表使用说明书

确认删除?
VIP
微信客服
  • 扫码咨询
会员Q群
  • 会员专属群点击这里加入QQ群
客服邮箱
回到顶部