电脑桌面
添加小米粒文库到电脑桌面
安装后可以在桌面快捷访问

A匝道桥桩基施工方案VIP免费

A匝道桥桩基施工方案_第1页
1/27
A匝道桥桩基施工方案_第2页
2/27
A匝道桥桩基施工方案_第3页
3/27
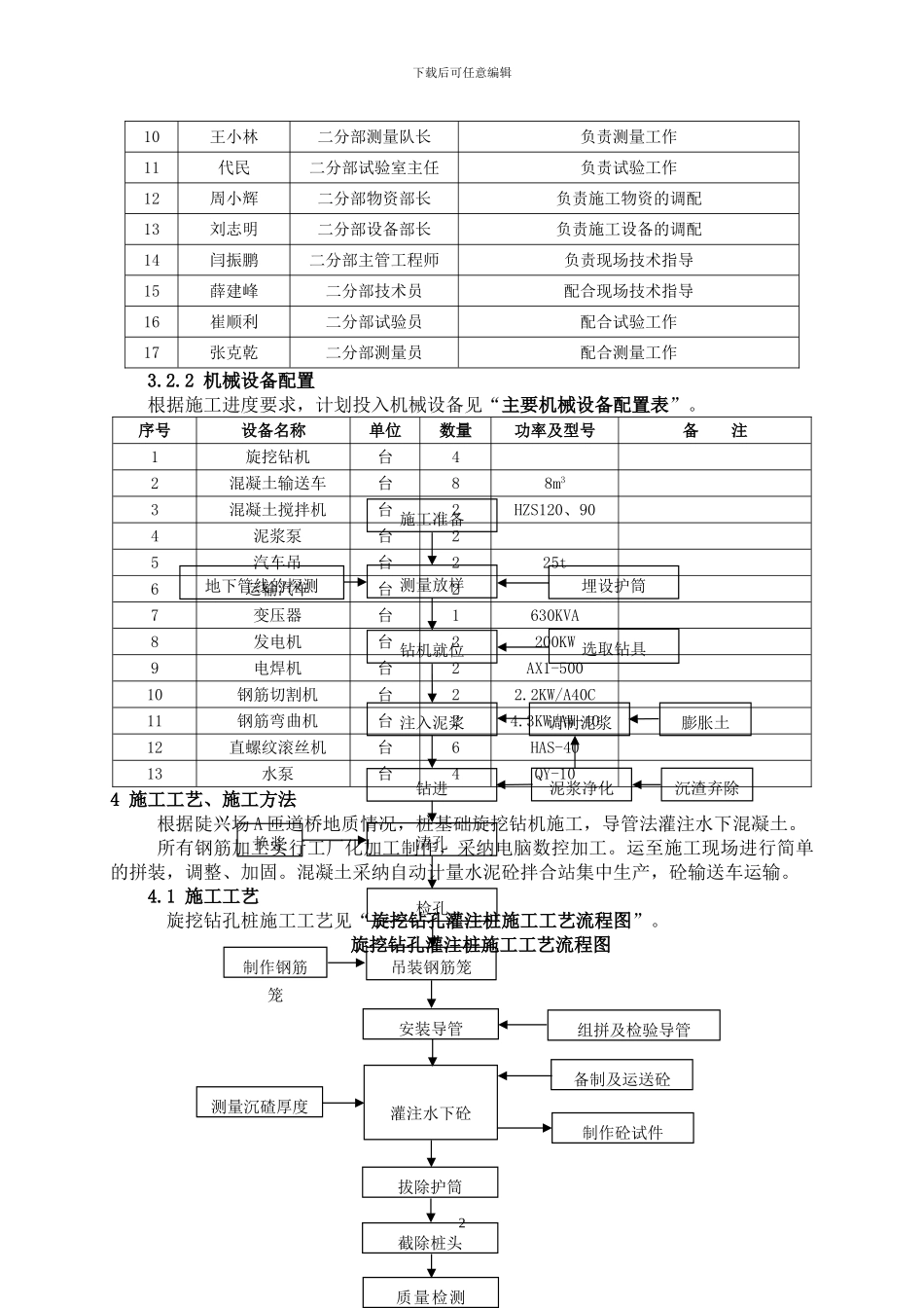
下载后可任意编辑目录陡兴场互通 A 匝道桥桩基施工方案1 工程概况12 施工进度计划13 施工组织14 施工工艺、施工方法24.1 施工工艺34.2 施工方法34.3 施工注意事项95 确保工程质量的措施116 确保安全的措施126.1 组织机构126.2 安全生产管理方针126.3 安全生产管理目标136.4 安全管理制度136.5 安全保证措施137 确保环境保护、水土保持、文明施工的措施147.1 施工期间环境保护措施147.2 水土保持措施157.3 文明施工措施168 冬季施工方案16I下载后可任意编辑陡兴场互通 AK1+022.5 匝道桥桩基施工方案1 工程概况陡兴场互通 A 匝道桥位于公安县狮子口镇陡兴场村境内,桥梁中心里程为AK1+022.5 , 起 讫 里 程 为 AK0+784.96 ~ AK1+260.04 , 桥 长 475.08m 。 该 桥 以 主 跨(28+48+28)m 连续梁跨越荆东高速及(3×25+40+2×25)m 连续梁跨陡兴场互通 B 匝道。陡兴场互通 A 匝道桥下部结构型式为:0#台采纳肋板式桥台,17#台采纳坐凳式桥台;1#~16#墩采纳桩基础,薄壁式桥墩。其中 0#台~17#台桩顶设置承台。陡兴场互通 A 匝道桥 0#台~17#台桩基础工程数量有:φ1.2m 桩基 200m/8 根,φ1.5 m 桩基 1040m/24 根,φ1.8m 桩基 360m/8 根,设计均为摩擦桩。其中 C25 混凝土2980.16m3,HPA235 钢筋 26013.92 kg,HRA335 钢筋 143527.86 kg。桥址地质情况从上至下依次为:素填土、种植土,粉质黏土,粉土,粉砂,卵石土。2 施工进度计划陡兴场互通 A 匝道桥 0#台~17#台桩基计划开工日期 2024 年 02 月 15 日,完工日期 2024 年 04 月 30 日,工期 76 天。详见“施工进度横道图”施工进度横道图进度项目开始日期结束日期工期(d)2024 年 2 月2024 年 3 月2024 年 4 月1~291~311~30桩基2024.2.152024.4.30763 施工组织3.1 施工管理组织机构设置及队伍安排为加强陡兴场互通 A 匝道桥桩基施工管理,确保按期完成桩基础施工,根据陡兴场互通 A 匝道桥桩基施工特点,安排架子一队桩基一工班负责本桥桩基施工任务。3.2 资源配置3.2.1 管理人员配置为了加强陡兴场互通 A 匝道桥的施工管理,确保施工安全、质量、工期,确实保护好生态环境,全面实现建设目标,针对陡兴场互通 A 匝道桥桩基施工特点,配备相应的管理人员,见“管理人员配置表”。管理人员配置表序号姓名职务备注1邓小青项目副经理负责现场施工管理2刘豪项目总工程师负责施...

1、当您付费下载文档后,您只拥有了使用权限,并不意味着购买了版权,文档只能用于自身使用,不得用于其他商业用途(如 [转卖]进行直接盈利或[编辑后售卖]进行间接盈利)。
2、本站所有内容均由合作方或网友上传,本站不对文档的完整性、权威性及其观点立场正确性做任何保证或承诺!文档内容仅供研究参考,付费前请自行鉴别。
3、如文档内容存在违规,或者侵犯商业秘密、侵犯著作权等,请点击“违规举报”。

碎片内容

A匝道桥桩基施工方案

您可能关注的文档

确认删除?
VIP
微信客服
  • 扫码咨询
会员Q群
  • 会员专属群点击这里加入QQ群
客服邮箱
回到顶部