电脑桌面
添加小米粒文库到电脑桌面
安装后可以在桌面快捷访问

F40--并行开发工程-市场驱动的快速产品开发VIP免费

F40--并行开发工程-市场驱动的快速产品开发_第1页
1/40
F40--并行开发工程-市场驱动的快速产品开发_第2页
2/40
F40--并行开发工程-市场驱动的快速产品开发_第3页
3/40
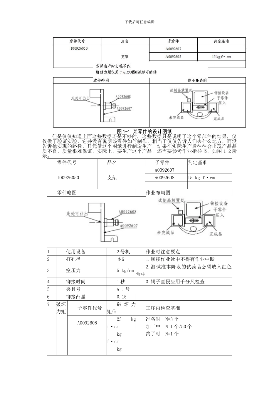
下载后可任意编辑第一讲 设计开发常见问题(上) 设计开发中常见的问题 (一)一般的常见问题 几乎所有的企业在设计开发时都会面临一些问题,常见的问题如下: 新产品品质问题很多由于新产品刚开始时稳定性不够,因此出现了很多品质问题,这是比较常见的。 开发时间长由于一些新产品项目技术含量很高,开发的时间就会很长,新产品开发的时间长,就会延迟它的推出时间,例如原定某新产品 1 年上市,结果时间到了仍迟迟不见踪影,甚至有的开发不出来,计划不得不宣告失败。 开发后设计变更多例如有的新产品在开发的过程中,原来的设计思路过时了或市场发生了变化,需要追加一些功能或在外观上有所变化;有时是因为前期的品质不稳定,在后期找到了解决办法因此要进行设计变更;还有由于客户要求变化临时改变设计方案等。总之,新产品在设计过程中遇到的变更很多,导致了时间的延迟。 新材料不能及时提供,频繁更换供应商由于设计时间的拖延,导致了新材料不能够及时提供给供应商,甚至出现频繁更换供应商的现象,例如设计初期选定了一个供应商,到批量生产时候又更换新的供应商,结果导致品质产生波动。 设计的产品成本高因为产品是新设计的,企业有些设备必须进行重新配套才能满足新产品生产的要求,同时企业要使得老客户认可新产品,就必须有一定的时间进行销售宣传,这些因素导致了新产品的成本比较高,使得利润不能够满足企业的要求,这也是一个让企业头疼的地方。 设计的产品制造起来非常困难有时企业设计出来的产品方案确实很好,但是制造起来却非常困难,这些方案不方便生产和制造,这对生产新产品的车间、制造部门以及供应商来说,是比较麻烦的。有的企业一推出新产品,该企业的生产任务就无法完成,造成了营业额的下降,就是因为该新产品的制造太复杂,只有新产品生产了一段时间以后,企业掌握了制造该产品的要点时,营业额才慢慢得以恢复。 设计错误多:图纸、BOM、工装在设计过程中往往会出现很多错误,例如图纸错误;物料消耗的清单 BOM 用量错误,应该用白色的写成黑色;工装错误,等等。 微小差异零部件太多生产一个新产品时,必定会产生很多物料,例如这个管道比那个长一厘米,那个零件比原来产品短 0.5 毫米等,虽然只差零点几毫米、一厘米,工厂不得不准备多个物料,这就造成了生产成本的上升和生产时间的延长,甚至会导致错误增多。 批量生产后,还因客户要求而频繁变更在新产品批量生产以后...

1、当您付费下载文档后,您只拥有了使用权限,并不意味着购买了版权,文档只能用于自身使用,不得用于其他商业用途(如 [转卖]进行直接盈利或[编辑后售卖]进行间接盈利)。
2、本站所有内容均由合作方或网友上传,本站不对文档的完整性、权威性及其观点立场正确性做任何保证或承诺!文档内容仅供研究参考,付费前请自行鉴别。
3、如文档内容存在违规,或者侵犯商业秘密、侵犯著作权等,请点击“违规举报”。

碎片内容

F40--并行开发工程-市场驱动的快速产品开发

确认删除?
VIP
微信客服
  • 扫码咨询
会员Q群
  • 会员专属群点击这里加入QQ群
客服邮箱
回到顶部