电脑桌面
添加小米粒文库到电脑桌面
安装后可以在桌面快捷访问

GE钢结构施工方案VIP免费

GE钢结构施工方案_第1页
1/10
GE钢结构施工方案_第2页
2/10
GE钢结构施工方案_第3页
3/10
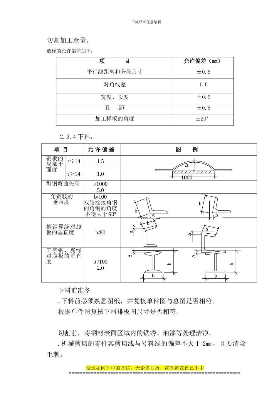
下载后可任意编辑钢结构施工方案1、工程概况通用电气有机硅(上海)有限公司改造工程钢结构:管廊、厂房(PA)共有约 120 吨,主要由槽钢、工字钢、钢板和角钢构成。以下将主要针对钢框架施工进行阐述。2、 施工程序图及加工措施2.1 施工程序图2.2 施工方法2.2.1 施工预制现场搭设防风防雨棚。2.2.2 材料的检验及矫正进入施工现场的材料必须有质保书。材料堆放整齐,并有明显的标志。施工人员下料前必须征得技术、材料专职人员同意方可下料。钢材表面锈蚀、麻点或划痕等缺陷,其深度不得大于该钢板厚度负偏差值的 1/2。矫正后的钢材表面,不应有明显的凹面或损伤,划痕深度不得大于 0.5mm。2.2.3 放样放样所用的钢尺、量具须经计量部门检验合格后方可使用。下料前,必须熟悉图纸,并核对单件图与总图是否相符。放样和号料应根据工艺要求预留制作和安装时的焊接收缩量及命运如同手中的掌纹,无论多曲折,终掌握在自己手中==============================================================施工准备焊接梁柱制作焊接预组装半成品检验运至安装现场分片在地面组装吊装安装连系梁成为独立单元体复 测检验 检验下料下载后可任意编辑切割加工余量。放样的允许偏差如下:项 目允许偏差(mm)平行线距离和分段尺寸±0.5对角线差1.0宽度、长度±0.5孔 距±0.5加工样板的角度±20′2.2.4 下料:下料前准备.下料前必须熟悉图纸,并复核单件图与总图是否相符。根据单件图复核下料排板图尺寸是否相符。切割前,将钢材表面区域内的铁锈、油漆等处理洁净。.机械剪切的零件其剪切线与号料线的偏差不大于 2mm,且要清除毛刺。命运如同手中的掌纹,无论多曲折,终掌握在自己手中==============================================================项 目 允 许 偏 差图 例钢板的局部平面度 t≤141.5Δ1000 t>141.0型钢弯曲矢高l/10005.0 角钢肢的垂直度b/100双肢栓接角钢的角钢的角度不得大于 900槽钢翼缘对腹板的垂直度b/80工字钢、翼缘对腹板的垂直度b /1002.0ΔΔΔΔbΔbΔbbbhbh下载后可任意编辑切割截面与钢材表面不垂直度应不大于钢材厚度的 10%,且不得大于 2mm。板材制作下料采纳半自动切割机下料,严禁使用手工切割,确保切割精度。气割后清除熔渣和飞溅物。气割下料后允许偏差如下:钢板的切割方法:在切割线上每隔 1 米留 40mm 不割,待全部切割完冷却后,再切余下的部分,如钢板从边缘开始号料,在边缘需留10mm 切割一次...

1、当您付费下载文档后,您只拥有了使用权限,并不意味着购买了版权,文档只能用于自身使用,不得用于其他商业用途(如 [转卖]进行直接盈利或[编辑后售卖]进行间接盈利)。
2、本站所有内容均由合作方或网友上传,本站不对文档的完整性、权威性及其观点立场正确性做任何保证或承诺!文档内容仅供研究参考,付费前请自行鉴别。
3、如文档内容存在违规,或者侵犯商业秘密、侵犯著作权等,请点击“违规举报”。

碎片内容

GE钢结构施工方案

您可能关注的文档

确认删除?
VIP
微信客服
  • 扫码咨询
会员Q群
  • 会员专属群点击这里加入QQ群
客服邮箱
回到顶部