电脑桌面
添加小米粒文库到电脑桌面
安装后可以在桌面快捷访问

sgbz-0501暖卫管道安装基本施工工艺标准-secretVIP专享VIP免费

sgbz-0501暖卫管道安装基本施工工艺标准-secret_第1页
1/14
sgbz-0501暖卫管道安装基本施工工艺标准-secret_第2页
2/14
sgbz-0501暖卫管道安装基本施工工艺标准-secret_第3页
3/14
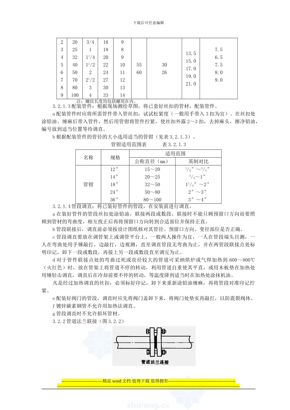
SGBZ-0501 暖卫管道安装基本施工工艺标准依据标准:《建筑工程施工质量验收统一标准》 GB50300-2001《建筑给水排水及采暖工程施工质量验收法律规范》 GB50242-20241、范围本工艺标准适用于民用及一般工业建筑室内、外采暖与卫生设备管道安装工程。2、施工准备2.1 材料、设备要求2.1.1 暖卫设备、钢材、管材、管件及附属制品等,在进场后使用前应仔细检查,必须符合国家或部颁标准有关质量、技术要求,并有产品出厂合格证明。2.1.2 各种连接管件不得有砂眼、裂纹、偏扣、乱扣、丝扣不全和角度不准等现象。2.1.3 各种阀门的外观要规矩无损伤,阀体严密性好,阀杆不得弯曲,安装前应按设计要求或施工法律规范、规定进行严密性试验。2.1.4 石棉橡胶垫、油麻、线麻、水泥、电、气焊条等质量都必须符合设计及法律规范要求。2.2 主要机具2.2.1 机具:套丝机、砂轮锯、煨弯机、砂轮机、电焊机、台钻、手电钻、电锤、电动水压泵等。2.2.2 工具:套丝板、圆丝板、管钳、链钳、活扳子、手锯、手锤、大锤、錾子、捻凿、麻钎、螺丝板、压力案、台虎钳、克丝钳、改锥、气焊工具等。2.2.3 量具:水平尺、钢卷尺、线坠、焊口检测器、卡尺、小线等。2.3 作业条件2.3.1 根据施工方案安排好适当的现场工作场地、工作棚、料具库,在管道层、地下室、地沟内操作时,要接通低压照明灯。2.3.2 配合土建施工进度做好各项预留孔洞、管槽。稳栽各种型钢托、吊卡架及预埋套管 ,浇注楼板孔洞、堵抹墙洞工作应在土建装修工程开始前完成。2.3.3 在各项预制加工项目进行前要根据安装测绘草图及材料计划,将需用材料、设备的规格型号、质量、数量确认合格并准备齐全,运到现场。3、操作工艺3.1 工艺流程:(见下页流程)下载后可任意编辑3.2 管道预制加工:3.2.1 管道丝扣联接:3.2.1.1 断管:根据现场测绘草图,在选好的管材上画线,按线断管。a 用砂轮锯断管,应将管材放在砂轮锯卡钳上,对准画线卡牢,进行断管。断管时压手柄用力要均匀,不要用力过猛,断管后要将管口断面的铁膜、毛刺清除洁净。b 用手锯断管,应将管材固定在压力案的压力钳内,将锯条对准画线,双手推锯,锯条要保持与管的轴线垂直,推拉锯用力要均匀,锯口要锯到底,不许扭断或折断,以防管口断面变形。3.2.1.2 套丝:将断好的管材,按管径尺寸分次套制丝扣,一般以管径 15~32mm 者套二次,40~50mm 者套三次,70mm 以上者套 3~4 次为宜。a 用套丝机套丝,将管材夹在套丝机...

1、当您付费下载文档后,您只拥有了使用权限,并不意味着购买了版权,文档只能用于自身使用,不得用于其他商业用途(如 [转卖]进行直接盈利或[编辑后售卖]进行间接盈利)。
2、本站所有内容均由合作方或网友上传,本站不对文档的完整性、权威性及其观点立场正确性做任何保证或承诺!文档内容仅供研究参考,付费前请自行鉴别。
3、如文档内容存在违规,或者侵犯商业秘密、侵犯著作权等,请点击“违规举报”。

碎片内容

sgbz-0501暖卫管道安装基本施工工艺标准-secret

确认删除?
VIP
微信客服
  • 扫码咨询
会员Q群
  • 会员专属群点击这里加入QQ群
客服邮箱
回到顶部