电脑桌面
添加小米粒文库到电脑桌面
安装后可以在桌面快捷访问

XXX工程污水处理厂池体水泥基渗透结晶型防水涂料施工方案VIP免费

XXX工程污水处理厂池体水泥基渗透结晶型防水涂料施工方案_第1页
1/16
XXX工程污水处理厂池体水泥基渗透结晶型防水涂料施工方案_第2页
2/16
XXX工程污水处理厂池体水泥基渗透结晶型防水涂料施工方案_第3页
3/16
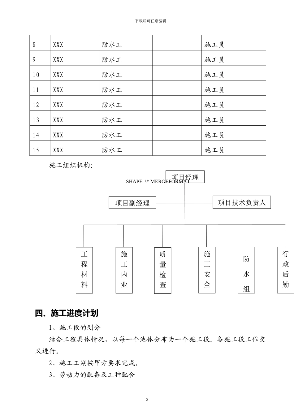
下载后可任意编辑目 录一、编制依据二、工程概况三、施工组织机构四、施工进度计划五、池体内、外防水工程施工方案六、成品保护七、保证工期措施八、质量保证措施九、安全文明施工措施一、编制依据1下载后可任意编辑(一)根据 GB50208-2024《地下室防水工程质量验收法律规范》(二)根据 GB50108-2024《地下室工程技术法律规范》(三)根据设计图纸、图集及业主对工程质量要求进行编制二、工程概况XXXXXXXXXXXXXXX 防水工程由 XXXXXXXXXXXXXXX 公司施工。池体内防水工程采纳 1.0mm 厚水泥基渗透结晶型防水材料,池体外防水工程采纳 0.5mm 厚水泥基渗透结晶型防水涂料,本池体为一个圆形池体;该工程工程量大、工期紧,应紧密配合土建施工单位的施工。三、施工组织机构我公司针对此工程的重要性,公司将该工程纳入一级目标管理,公司决定派施工经验丰富、具有国家二级项目经理资质的项目经理和技术管理水平高、责任心强的项目副经理及技术负责人组成项目经理部驻守施工现场,对关键部位和特别部位亲自把关,公司各职能部门定期到现场监督检查。项目部在公司的统一管理下完善各项管理制度,严格根据项目法进行本工程的施工和管理。项目经理部的成员相互间配合默契,保证在项目经理的直接领导下,做到有计划地施工和管理,确保工程项目的质量、工期和安全文明施工,达到建设方满意的效果,真正体现企业水平。施工班子人员配备表 序号姓名职务职称在工程中担任工作1XXX项目经理助理工程师项目经理2XXX技术负责人工程师技术负责人3XXX质检员质检员4XXX安全员安全员5XXX工程负责人工程负责人6XXX防水工班组长7XXX防水工施工员2下载后可任意编辑8XXX防水工施工员9XXX防水工施工员10XXX防水工施工员11XXX防水工施工员12XXX防水工施工员13XXX防水工施工员14XXX防水工施工员15XXX防水工施工员施工组织机构: SHAPE \* MERGEFORMAT 四、施工进度计划1、施工段的划分结合工程具体情况,以每一个池体分布为一个施工段。各施工段工作交叉进行。2、施工工期按甲方要求完成。3、劳动力的配备及工种配合3项目经理项目经理项目副经理项目副经理项目技术负责人项目技术负责人工程材料工程材料行政后勤行政后勤质量检查质量检查施工安全施工安全施工内业施工内业防水组防水组下载后可任意编辑此防水施工方法一般由防水专业人员操作,根据工作面大小配备人员,每 3000m2的施工配备一组人员,每组人员 6 人,二人清理浮灰,二人配料运料,二人涂抹防...

1、当您付费下载文档后,您只拥有了使用权限,并不意味着购买了版权,文档只能用于自身使用,不得用于其他商业用途(如 [转卖]进行直接盈利或[编辑后售卖]进行间接盈利)。
2、本站所有内容均由合作方或网友上传,本站不对文档的完整性、权威性及其观点立场正确性做任何保证或承诺!文档内容仅供研究参考,付费前请自行鉴别。
3、如文档内容存在违规,或者侵犯商业秘密、侵犯著作权等,请点击“违规举报”。

碎片内容

XXX工程污水处理厂池体水泥基渗透结晶型防水涂料施工方案

您可能关注的文档

确认删除?
VIP
微信客服
  • 扫码咨询
会员Q群
  • 会员专属群点击这里加入QQ群
客服邮箱
回到顶部