电脑桌面
添加小米粒文库到电脑桌面
安装后可以在桌面快捷访问

三都车站无砟道岔施工组织设计VIP免费

三都车站无砟道岔施工组织设计_第1页
1/50
三都车站无砟道岔施工组织设计_第2页
2/50
三都车站无砟道岔施工组织设计_第3页
3/50
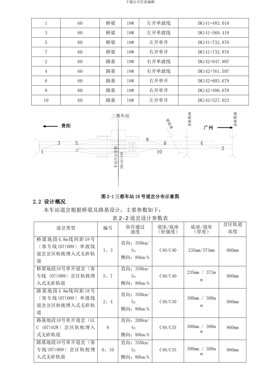
下载后可任意编辑第一章 编制依据及范围1.1 编制依据1.《简支梁及桥台、连续梁、路基地段CRTSⅠ型双块式无砟轨道结构设计图》(贵广贵贺施轨04-1、04-2、02)。2.《桥梁地段18号单开道岔〔客专线 (07)009〕岔区轨枕埋入式无砟轨道设计图》(贵广贵贺施轨05-02-01)。3.《桥梁地段4.8m线间距18号〔客专线(07)009〕单渡线道岔岔区轨枕埋入式无砟轨道设计图》(贵广贵贺施轨05-02-03)。4.《路基地段4.8m线间距18号〔客专线 (07)009〕单渡线道岔岔区轨枕埋入式无砟轨道设计图》(贵广贵贺施轨05-01-05)。5.《路基地段18号单开道岔〔客专线 (07)009〕岔区轨枕埋入式无砟轨道设计图》(贵广贵贺施轨05-01-01)。6.《路基地段18号单开道岔〔GLC (07)02W〕岔区轨枕埋入式无砟轨道设计图》(贵广贵贺施轨05-01-02)。7.《无砟道岔设计技术交底》(中铁二院 2024年4月)。8.中华人民共和国及原铁道部有关部门颁发的主要现行法规、规 范、标准及办法,主要有:《中华人民共和国安全生产法》(2024)《中华人民共和国水土保持法》(2024) 《中华人民共和国环境保护法》(1989)《客运专线道岔暂行技术条件》(2024)《高速铁路轨道工程施工技术指南》(铁建设[2024]241号)《高速铁路轨道工程施工质量验收标准》(TB10754-2024)《铁路混凝土施工质量验收标准》(GB10424-2024)《高速铁路工程测量法律规范》(TB10601-2024)《无砟轨道和高速道岔首件工程评估实施细则》(工管技〔2024〕35号)《关于做好贵广铁路无砟轨道先导段施工准备的通知》(贵广工管电〔2024〕49号)9.现场勘测调查资料。10.近年来铁路施工经验、方法、科技成果;国内外相关高速铁路的施工工艺及科研成果。11.我单位在同类铁路施工中所积累的丰富的施工经验。 1.2 编制范围适用于新建铁路贵阳至广州铁路工程三都车站无砟道岔铺设。含底座板、道床施工、道岔粗和精调、道岔安装等工作内容。第二章 工程概况及特点2.1 工程概况新建贵阳至广州铁路 2 标段 DK141+448.939~DK142+925.400 段三都车站位于三都县普安镇范围,车站中心里程为 DK142+220。站场范围内含 9 组 18 号长枕埋入式无砟道岔。道岔编号轨型 kg/m道岔类型岔心里程下载后可任意编辑160桥梁18#左开单渡线DK141+483.018360桥梁18#左开单渡线DK141+569.418560桥梁18#左开单开DK141+732.876760桥梁18#右开单开DK141+732.876260路基18#右开单渡线DK142+847.997460路基18#右开单渡线DK142+761.597660路基18#...

1、当您付费下载文档后,您只拥有了使用权限,并不意味着购买了版权,文档只能用于自身使用,不得用于其他商业用途(如 [转卖]进行直接盈利或[编辑后售卖]进行间接盈利)。
2、本站所有内容均由合作方或网友上传,本站不对文档的完整性、权威性及其观点立场正确性做任何保证或承诺!文档内容仅供研究参考,付费前请自行鉴别。
3、如文档内容存在违规,或者侵犯商业秘密、侵犯著作权等,请点击“违规举报”。

碎片内容

三都车站无砟道岔施工组织设计

确认删除?
VIP
微信客服
  • 扫码咨询
会员Q群
  • 会员专属群点击这里加入QQ群
客服邮箱
回到顶部