电脑桌面
添加小米粒文库到电脑桌面
安装后可以在桌面快捷访问

三露厂装修施工组织设计方案VIP免费

三露厂装修施工组织设计方案_第1页
1/28
三露厂装修施工组织设计方案_第2页
2/28
三露厂装修施工组织设计方案_第3页
3/28
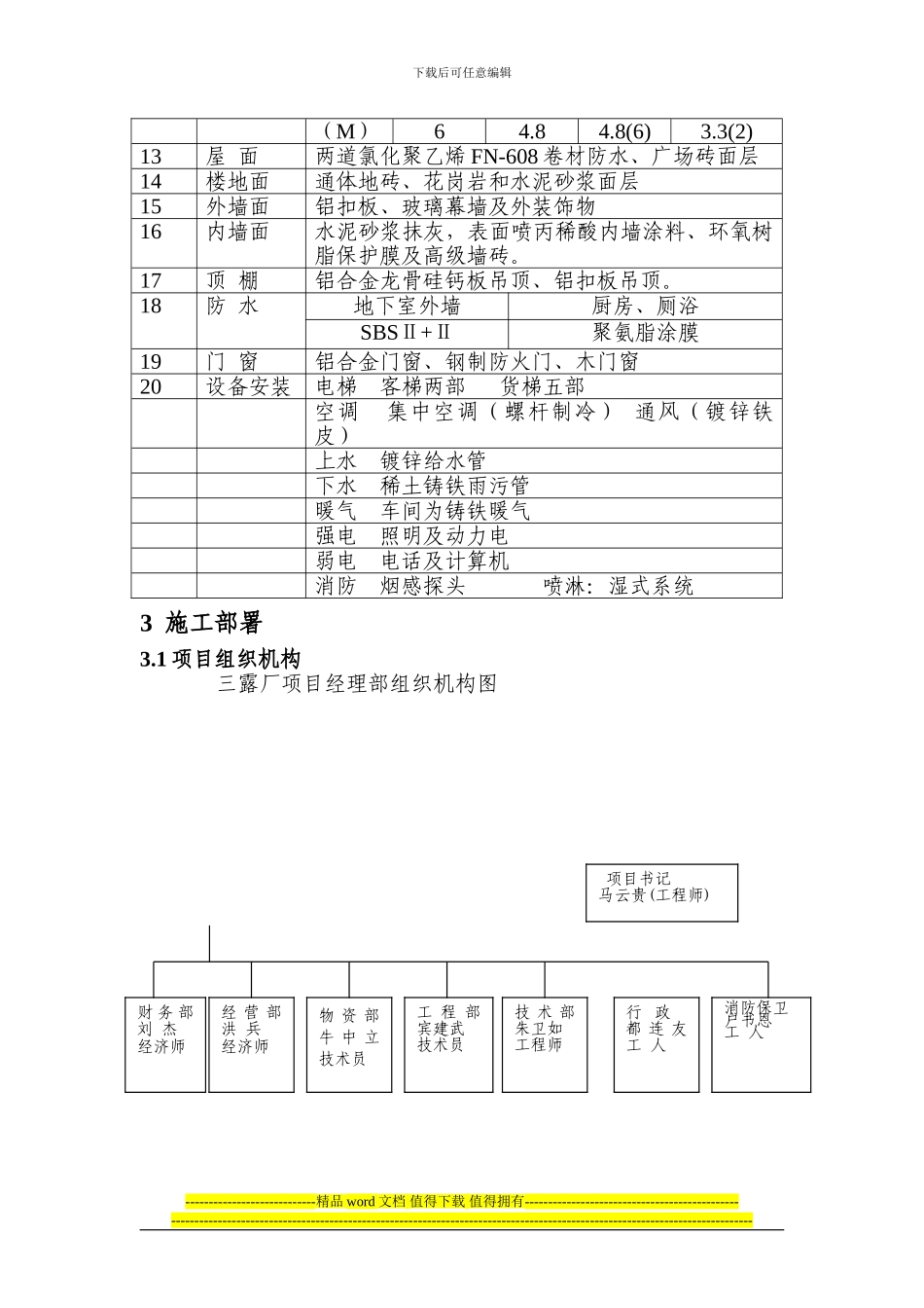
下载后可任意编辑 北京三露厂生产科研培训综合楼 装修施工组织设计1 编制依据1.1 施工合同1.2 轻工业部规划设计院图纸 Y206S3-1-M—351.3《现行建筑施工法律规范大全》1.4《屋面工程技术法律规范》(GB50207-94)1.5《建筑地面工程施工及验收法律规范》(GB50209-95)1.6《建筑装饰工程施工及验收法律规范》(JGJ73-91)1.7《玻璃幕墙工程技术法律规范》(JGJ102-96)1.8《建筑机械使用安全技术规程》(JGJ33-86)1.9《建筑现场临时用电安全技术规程》(JGJ46-88)1.10《建筑施工高空作业安全技术规程》(JGJ80-91)1.11《建筑安装分项工程施工工艺规程》(DBJ01-26-96)1.12《建筑构造通用图集 88J》系列1.13 我国现行的相关施工验收法律规范及操作规程1.14 我国现行和北京市的安全生产、文明施工、环保及消防等有关规定1.15《北京市建筑安装工程施工技术资料管理规定》(京建质[1996]418)1.16《中国建筑一局(集团)有限公司项目管理手册》(试行本)1.17 公司质量保证体系文件(版本号 05 版)2 工程概况2.1 工程简介序号 项 目 内 容1工程名称北京市三露厂生产、科研、培训综合楼2工程地址北京市亦庄经济技术开发区3建设单位北京市三露厂4设计单位轻工业部规划设计院5监理单位中国建筑科学讨论院北京凯勃建筑监理公司6监督单位北京市质量监督总站第四监督室7施工总包中建一局五公司8 分 包深圳西林幕墙公司9建筑功能办公、生产、科研、培训综合楼10合同工期99 年 7 月 14 日至 2001 年 5 月 1 日11质量目标结构:结构长城杯,竣工:北京市市优12建筑规模占地面积:25070m2,建筑面积:42848m2层 数地上:4/6 层地下:1 层层 高首 层标准层地 下其 它----------------------------精品 word 文档 值得下载 值得拥有---------------------------------------------------------------------------------------------------------------------------------------------------------------------------下载后可任意编辑(M)64.84.8(6)3.3(2)13屋 面两道氯化聚乙烯 FN-608 卷材防水、广场砖面层14楼地面通体地砖、花岗岩和水泥砂浆面层15外墙面铝扣板、玻璃幕墙及外装饰物16内墙面水泥砂浆抹灰,表面喷丙稀酸内墙涂料、环氧树脂保护膜及高级墙砖。17顶 棚铝合金龙骨硅钙板吊顶、铝扣板吊顶。18防 水地下室外墙厨房、厕浴SBSⅡ+Ⅱ聚氨脂涂膜19门 窗铝合金门窗、钢制防火门、木门窗20设备安装电梯...

1、当您付费下载文档后,您只拥有了使用权限,并不意味着购买了版权,文档只能用于自身使用,不得用于其他商业用途(如 [转卖]进行直接盈利或[编辑后售卖]进行间接盈利)。
2、本站所有内容均由合作方或网友上传,本站不对文档的完整性、权威性及其观点立场正确性做任何保证或承诺!文档内容仅供研究参考,付费前请自行鉴别。
3、如文档内容存在违规,或者侵犯商业秘密、侵犯著作权等,请点击“违规举报”。

碎片内容

三露厂装修施工组织设计方案

确认删除?
VIP
微信客服
  • 扫码咨询
会员Q群
  • 会员专属群点击这里加入QQ群
客服邮箱
回到顶部