电脑桌面
添加小米粒文库到电脑桌面
安装后可以在桌面快捷访问

交通运输建筑施工企业安全生产标准化达标考评指标VIP免费

交通运输建筑施工企业安全生产标准化达标考评指标_第1页
1/10
交通运输建筑施工企业安全生产标准化达标考评指标_第2页
2/10
交通运输建筑施工企业安全生产标准化达标考评指标_第3页
3/10
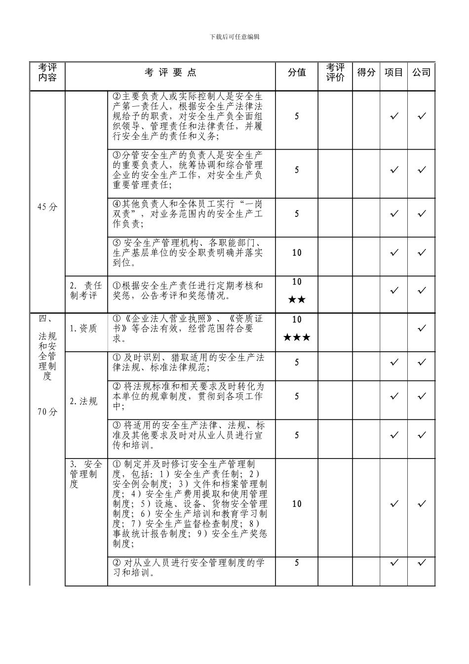
下载后可任意编辑交通运输建筑施工企业安全生产标准化达标考评指标考评内容考 评 要 点分值考评评价得分项目公司一、安全目标35 分1.安全工作方针与目标① 制定企业安全生产方针、目标和不低于上级下达的安全控制指标;5★★★√√② 制定实现安全工作方针与目标的措施。5√√2.中长期规划① 制订和实施企业安全生产中长期规划和跨年度专项工作方案。5★★√3.年度计划① 根据中长期规划,制定年度计划和年度专项活动方案,并严格执行。5√√4.目标考核① 将安全生产管理指标进行细化和分解,制定阶段性的安全生产控制指标;5√√② 制定安全生产目标考核与奖惩办法;5√√③定期考核年度安全生产目标完成情况,并奖惩兑现。5√√二、管理机构和人员35 分1.安全管理机构① 成立安全生产委员会(或领导小组),下属各分支机构分别成立相应的领导机构。安委会职责明确,实行主要领导负责制;5★★√√② 按规定设置独立的安全生产管理机构;10★★★√③定期召开安全生产委员会会议。安全生产管理机构和下属各分支机构每月至少召开一次安全工作例会。5√√2.管理人员配备① 按规定足额配备专职安全生产和应急管理人员;10★★★√√② 公司领导班子设置专职安全生产负责人。5★★√√三、安全责任体系1.健全责任制①企业主要负责人、分管领导、全体员工安全职责明确,制定并落实安全生产责任制,层层签订安全生产责任书,并落实到位;10★★★√√下载后可任意编辑考评内容考 评 要 点分值考评评价得分项目公司45 分②主要负责人或实际控制人是安全生产第一责任人,根据安全生产法律法规给予的职责,对安全生产负全面组织领导、管理责任和法律责任,并履行安全生产的责任和义务;5√√③分管安全生产的负责人是安全生产的重要负责人,统筹协调和综合管理企业的安全生产工作,对安全生产负重要管理责任;5√√④其他负责人和全体员工实行“一岗双责”,对业务范围内的安全生产工作负责;5√√⑤ 安全生产管理机构、各职能部门、生产基层单位的安全职责明确并落实到位。10√√2.责任制考评①根据安全生产责任进行定期考核和奖惩,公告考评和奖惩情况。10★★√√四、法规和安全管理制度70 分1.资质①《企业法人营业执照》、《资质证书》等合法有效,经营范围符合要求。10★★★√2.法规① 及时识别、猎取适用的安全生产法律法规、标准法律规范;5√√② 将法规标准和相关要求及时转化为本单位的规章制度,贯彻到各项工作中...

1、当您付费下载文档后,您只拥有了使用权限,并不意味着购买了版权,文档只能用于自身使用,不得用于其他商业用途(如 [转卖]进行直接盈利或[编辑后售卖]进行间接盈利)。
2、本站所有内容均由合作方或网友上传,本站不对文档的完整性、权威性及其观点立场正确性做任何保证或承诺!文档内容仅供研究参考,付费前请自行鉴别。
3、如文档内容存在违规,或者侵犯商业秘密、侵犯著作权等,请点击“违规举报”。

碎片内容

交通运输建筑施工企业安全生产标准化达标考评指标

您可能关注的文档

确认删除?
VIP
微信客服
  • 扫码咨询
会员Q群
  • 会员专属群点击这里加入QQ群
客服邮箱
回到顶部