电脑桌面
添加小米粒文库到电脑桌面
安装后可以在桌面快捷访问

供货计划、施工技术方案、质量保证措施VIP专享VIP免费

供货计划、施工技术方案、质量保证措施_第1页
1/4
供货计划、施工技术方案、质量保证措施_第2页
2/4
供货计划、施工技术方案、质量保证措施_第3页
3/4
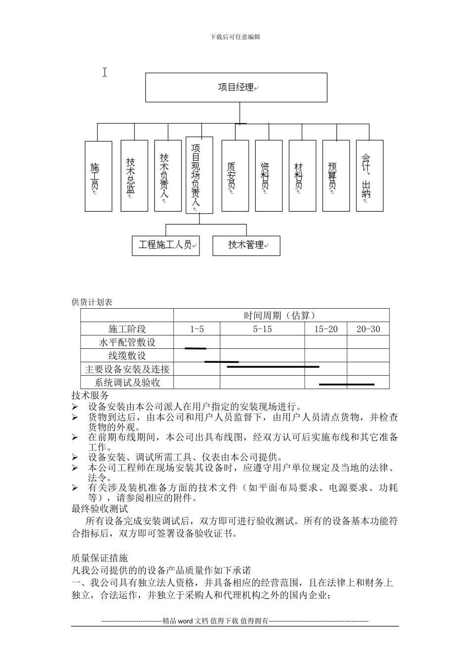
下载后可任意编辑供货计划、施工技术方案、质量保证措施根据 xxxxx 项目的要求,以视频会议系统为基础,设备部分主要包括相关设备的购置、安装、调试、验收等。交货期:合同签订后 30 日内安装调试完毕,并交付使用(特别情况以合同为准)。交货地点:天津市买方指定(特别情况以合同为准)。重要工序说明 施工准备 对所有参加施工人员进行工程的技术交底,并对每一个单项工程项目的具体施工人员进行施工工艺要求,质量要求,施工注意事项等进行交底,所有参加施工人员均应熟悉现场、图纸及法律规范、规程要求,作到人人心中有数,不盲目操作。 根据业主和法律规范要求,对所有施工工机具,检测仪器(表),清洗设备,劳保用品等作好检验、验收、储存、保护工作。 设备的检查,包括以下内容: A. 检验设备的外观 B. 确认设备的技术参数、动作状态 C. 检查设备的安装精度 D. 测绘设备间的相互位置,操作位置,画出相关图 E. 设备的加工精度以现场就地生产的工件为准,以后该样品工件随机装箱和发运。 以上检查要作出详细的记录,并交双方现场代表签字,作为安装依据。 设备安装方案 (一)单台设备的安装施工程序图: (二)单台设备安装工艺 设备从存放地至安装位置的随箱起吊、运输、开箱、清点、查验、移交; 地基基础检查、清理及安装器材准备; 设备吊装、就位、一次找正; 线路连接: 管路连接; 控制柜、操作柜的安装; 电气仪表及控制系统安装、配线及桥架铺设; 设备擦洗、现场清理; 配合系统设备试机、综合检查、整改、安装阶段验收、配合使用最终验收; 系统清理、设备擦洗、综合检查; (三)设备安装通用技术要求 施工前必须首先提交安装施工进度表,以此作为施工质量进度的约束性文件加以贯彻实施; 施工单位进入施工作业区必须遵守《设备安装施工现场管理标准》; ----------------------------精品 word 文档 值得下载 值得拥有----------------------------------------------下载后可任意编辑施工单位必须仔细填写施工记录,调试及验收报告,竣工时随竣工图纸、资料一同提供; 安装准备阶段首先必须对设备基础进行现场勘验,并进行干净处理,去除杂质和油迹; 施工时,乙方必须对现场预埋件、标高等进行复核,如不合要求,必须以甲方的变更签证为准。 非标件加工或现场制作质量、外购件的质量确认等应由甲方认可。 通用安装内容技术精度可按有关标准或拆迁设备原精度执行。单台设备安...

1、当您付费下载文档后,您只拥有了使用权限,并不意味着购买了版权,文档只能用于自身使用,不得用于其他商业用途(如 [转卖]进行直接盈利或[编辑后售卖]进行间接盈利)。
2、本站所有内容均由合作方或网友上传,本站不对文档的完整性、权威性及其观点立场正确性做任何保证或承诺!文档内容仅供研究参考,付费前请自行鉴别。
3、如文档内容存在违规,或者侵犯商业秘密、侵犯著作权等,请点击“违规举报”。

碎片内容

供货计划、施工技术方案、质量保证措施

确认删除?
VIP
微信客服
  • 扫码咨询
会员Q群
  • 会员专属群点击这里加入QQ群
客服邮箱
回到顶部