电脑桌面
添加小米粒文库到电脑桌面
安装后可以在桌面快捷访问

催化管道施工手册VIP免费

催化管道施工手册_第1页
1/28
催化管道施工手册_第2页
2/28
催化管道施工手册_第3页
3/28
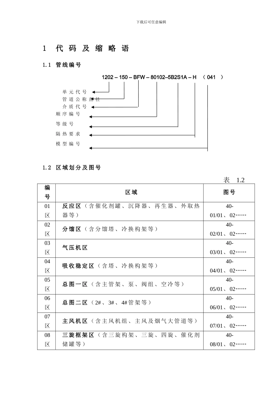
下载后可任意编辑 中 国 石 油 化 工 股 份 有 限 公 司 茂 名 分 公司油 品 质 量 升 级 改 造 工 程220万 吨 / 年 催 化 裂 化 装 置 工艺管道施工手册编 制: 黎洪忠审 核: 张 辉审 批: 扈 拔中国石化集团第十建设公司茂 名 石 化 工 程 项 目 部2024 年 3 月目 次1 代码及缩略语................................................................................................11.1 管线编号............................................................................................11.2 区域划分及图号................................................................................11.3 隔热类别............................................................................................21.4 管道介质代号....................................................................................21.5 管道布置基本线型............................................................................21.6 管段图的识图方法............................................................................31.7 常用缩略语........................................................................................32 管道等级........................................................................................................52.1 热处理要求........................................................................................52.2 管道材料............................................................................................5下载后可任意编辑3 材料编码........................................................................................................53.1 管子....................................................................................................63.2 管件....................................................................................................73.3 法兰....................................................................................................83.4 盲板........................................................................

1、当您付费下载文档后,您只拥有了使用权限,并不意味着购买了版权,文档只能用于自身使用,不得用于其他商业用途(如 [转卖]进行直接盈利或[编辑后售卖]进行间接盈利)。
2、本站所有内容均由合作方或网友上传,本站不对文档的完整性、权威性及其观点立场正确性做任何保证或承诺!文档内容仅供研究参考,付费前请自行鉴别。
3、如文档内容存在违规,或者侵犯商业秘密、侵犯著作权等,请点击“违规举报”。

碎片内容

催化管道施工手册

您可能关注的文档

确认删除?
VIP
微信客服
  • 扫码咨询
会员Q群
  • 会员专属群点击这里加入QQ群
客服邮箱
回到顶部