电脑桌面
添加小米粒文库到电脑桌面
安装后可以在桌面快捷访问

危险化学品建设项目安全设施竣工验收---广州市安全生产监督管理局VIP免费

危险化学品建设项目安全设施竣工验收---广州市安全生产监督管理局_第1页
1/6
危险化学品建设项目安全设施竣工验收---广州市安全生产监督管理局_第2页
2/6
危险化学品建设项目安全设施竣工验收---广州市安全生产监督管理局_第3页
3/6
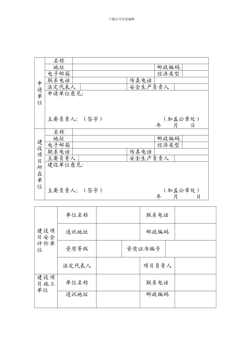
下载后可任意编辑危险化学品建设项目安全设施竣工验收申请书 项目名称 申请单位 经 办 人 联系电话 填写日期 下载后可任意编辑申请单位名称地址邮政编码电子邮箱经济类型联系电话传真电话法定代表人安全生产负责人申请单位意见:主要负责人:(签字) (加盖公章处) 年 月 日建设项目所在单位名称地址邮政编码电子邮箱经济类型联系电话传真电话主要负责人安全生产负责人建设单位意见:主要负责人:(签字) (加盖公章处) 年 月 日建设项目安全评价单位单位名称联系电话通讯地址邮政编码资质等级资质证书编号法定代表人项目负责人建设项目施工单位单位名称联系电话通讯地址邮政编码下载后可任意编辑资质等级资质证书编号承担主要任务法定代表人项目负责人建设项目监理单位单位名称联系电话通讯地址邮政编码资质等级资质证书编号承担主要任务法定代表人项目负责人项目类型建设地址总投资万元安全投资 万元危险化学品建设项目安全条件审查意见书文号危险化学品建设项目安全设施设计审查意见书文号建设项目试生产(使用)备案告知书文号申请文件、材料清单(在“□”中用“√”勾选 ):□建设项目安全设施竣工验收申请书及文件;□建设项目安全设施施工、监理情况报告;□建设项目安全验收评价报告;□试生产(使用)期间是否发生事故、实行的防范措施以及整改情况报告;□为从业人员缴纳工伤保险费的证明材料(复制件);□危险化学品事故应急预案备案登记表(复制件);□构成危险化学品重大危险源的建设项目,危险化学品重大危险源备案证明文件(复制件)。下载后可任意编辑安全设施设计审查时提出的对策、措施、建议的落实情况:设计、施工变更情况:安全设施设计审查通过后,建设项目生产、储存区周边状况变化情况:建设项目试生产(使用)及安全设施投用情况:下载后可任意编辑危险化学品建设项目安全设施竣工验收申请书填写说明一、本申请书可以用钢笔、签字笔填写,字迹要清楚、工整;也可以用打印机打印四号字文本,但“负责人签字”必须由负责人本人用钢笔、签字笔签署姓名。二、本申请书“申请单位”是指《危险化学品建设项目安全监督管理办法》(国家安全监管总局令第 45 号)规定的建设单位,“建设项目所在单位”是指“申请单位”依法设立的分支机构。三、本申请书封面中,“项目名称”栏,填写需要政府或者投资主管部门审批或者核准、备案的建设项目名称;“申请单位”栏,填写申请单位“企业法人营业执照”或...

1、当您付费下载文档后,您只拥有了使用权限,并不意味着购买了版权,文档只能用于自身使用,不得用于其他商业用途(如 [转卖]进行直接盈利或[编辑后售卖]进行间接盈利)。
2、本站所有内容均由合作方或网友上传,本站不对文档的完整性、权威性及其观点立场正确性做任何保证或承诺!文档内容仅供研究参考,付费前请自行鉴别。
3、如文档内容存在违规,或者侵犯商业秘密、侵犯著作权等,请点击“违规举报”。

碎片内容

危险化学品建设项目安全设施竣工验收---广州市安全生产监督管理局

您可能关注的文档

确认删除?
VIP
微信客服
  • 扫码咨询
会员Q群
  • 会员专属群点击这里加入QQ群
客服邮箱
回到顶部