电脑桌面
添加小米粒文库到电脑桌面
安装后可以在桌面快捷访问

压力钢管安装施工措施VIP免费

压力钢管安装施工措施_第1页
1/16
压力钢管安装施工措施_第2页
2/16
压力钢管安装施工措施_第3页
3/16
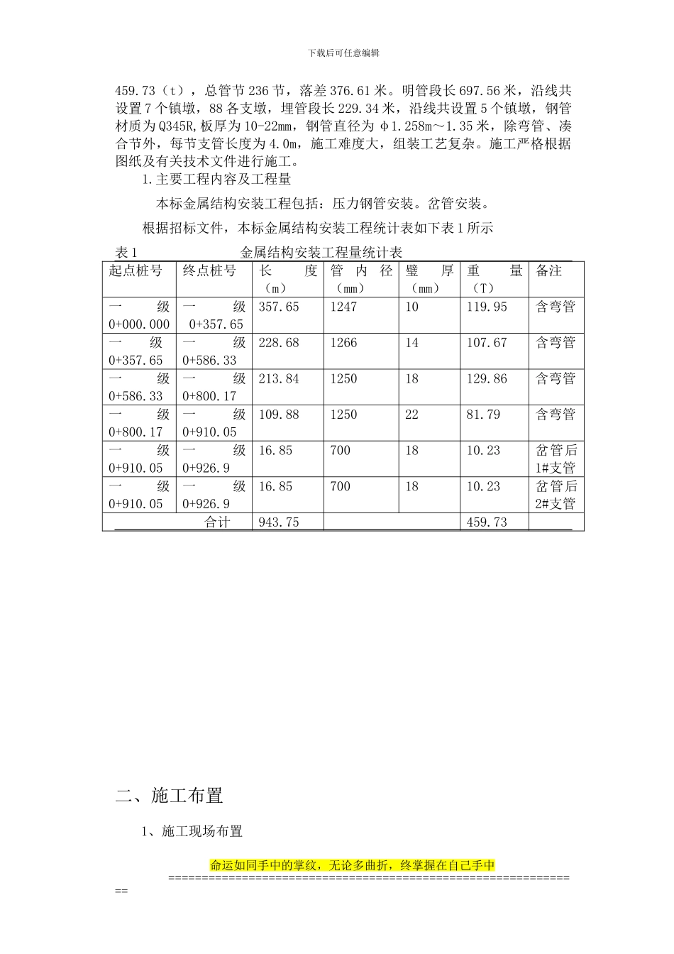
云南省腾冲县永兴河梯级水电站压力钢管安装施工方案编制: 将 南校核:韩正秀批准:卢金海长委陆水枢纽工程局永兴河电站项目部二〇一四年二月二十五日一、工程概况永兴河梯级电站位于腾冲县猴桥镇永兴村永兴河(又名松山河),属槟榔江左岸一级支流,采纳引水式开发。一级站采纳引水式压力钢管,钢管全长 943.75 米,,沿(管)0+000.000~(管)0+926.9 桩号布置,总重约下载后可任意编辑459.73(t),总管节 236 节,落差 376.61 米。明管段长 697.56 米,沿线共设置 7 个镇墩,88 各支墩,埋管段长 229.34 米,沿线共设置 5 个镇墩,钢管材质为 Q345R,板厚为 10-22mm,钢管直径为 φ1.258m~1.35 米,除弯管、凑合节外,每节支管长度为 4.0m,施工难度大,组装工艺复杂。施工严格根据图纸及有关技术文件进行施工。1.主要工程内容及工程量本标金属结构安装工程包括:压力钢管安装。岔管安装。根据招标文件,本标金属结构安装工程统计表如下表 1 所示表 1 金属结构安装工程量统计表起点桩号终点桩号长度(m)管内径(mm)璧厚(mm)重量(T)备注一级0+000.000一级0+357.65357.65124710119.95含弯管一 级0+357.65一级0+586.33228.68126614107.67含弯管一级0+586.33一级0+800.17213.84125018129.86含弯管一级0+800.17一级0+910.05109.8812502281.79含弯管一级0+910.05一级0+926.916.857001810.23岔管后1#支管一级0+910.05一级0+926.916.857001810.23岔管后2#支管合计943.75459.73二、施工布置1、施工现场布置命运如同手中的掌纹,无论多曲折,终掌握在自己手中==============================================================下载后可任意编辑钢管安装前,从甲方指定钢管堆放区将钢管运输至前池钢管堆放区进行钢管临时存放。在一级站压力前池 B-B 段附近利用板房、型钢、铁皮、篷布及竹夹板等材料共布置生活营地,占地面积月 100m2;主要用于施工人员居住及设备工器具存放。2、钢管运输吊装布置在堆放场内布置 1 辆 25t 挖掘机用于钢管装卸车、1 辆 3t 载重运输汽车用于钢管二次倒运及施工材料运输。埋管段桩号(管)0+000.00~(管)0+229.34 钢管运输吊装由场内一辆 25T 挖掘机用于 5#镇墩至 1#镇墩进行水平运输和吊装。明管段桩号(管)0+229.34~(管)0+910.05 钢管用钢管装卸车运输至 5#镇墩处,5#镇墩至 12 镇墩安装钢管运输轨道,钢管运输轨道沿安装轴线布置,间距 0.7 米,运输轨道安装顺...

1、当您付费下载文档后,您只拥有了使用权限,并不意味着购买了版权,文档只能用于自身使用,不得用于其他商业用途(如 [转卖]进行直接盈利或[编辑后售卖]进行间接盈利)。
2、本站所有内容均由合作方或网友上传,本站不对文档的完整性、权威性及其观点立场正确性做任何保证或承诺!文档内容仅供研究参考,付费前请自行鉴别。
3、如文档内容存在违规,或者侵犯商业秘密、侵犯著作权等,请点击“违规举报”。

碎片内容

压力钢管安装施工措施

您可能关注的文档

确认删除?
VIP
微信客服
  • 扫码咨询
会员Q群
  • 会员专属群点击这里加入QQ群
客服邮箱
回到顶部