电脑桌面
添加小米粒文库到电脑桌面
安装后可以在桌面快捷访问

各种灌注桩施工工艺流程图VIP免费

各种灌注桩施工工艺流程图_第1页
1/5
各种灌注桩施工工艺流程图_第2页
2/5
各种灌注桩施工工艺流程图_第3页
3/5
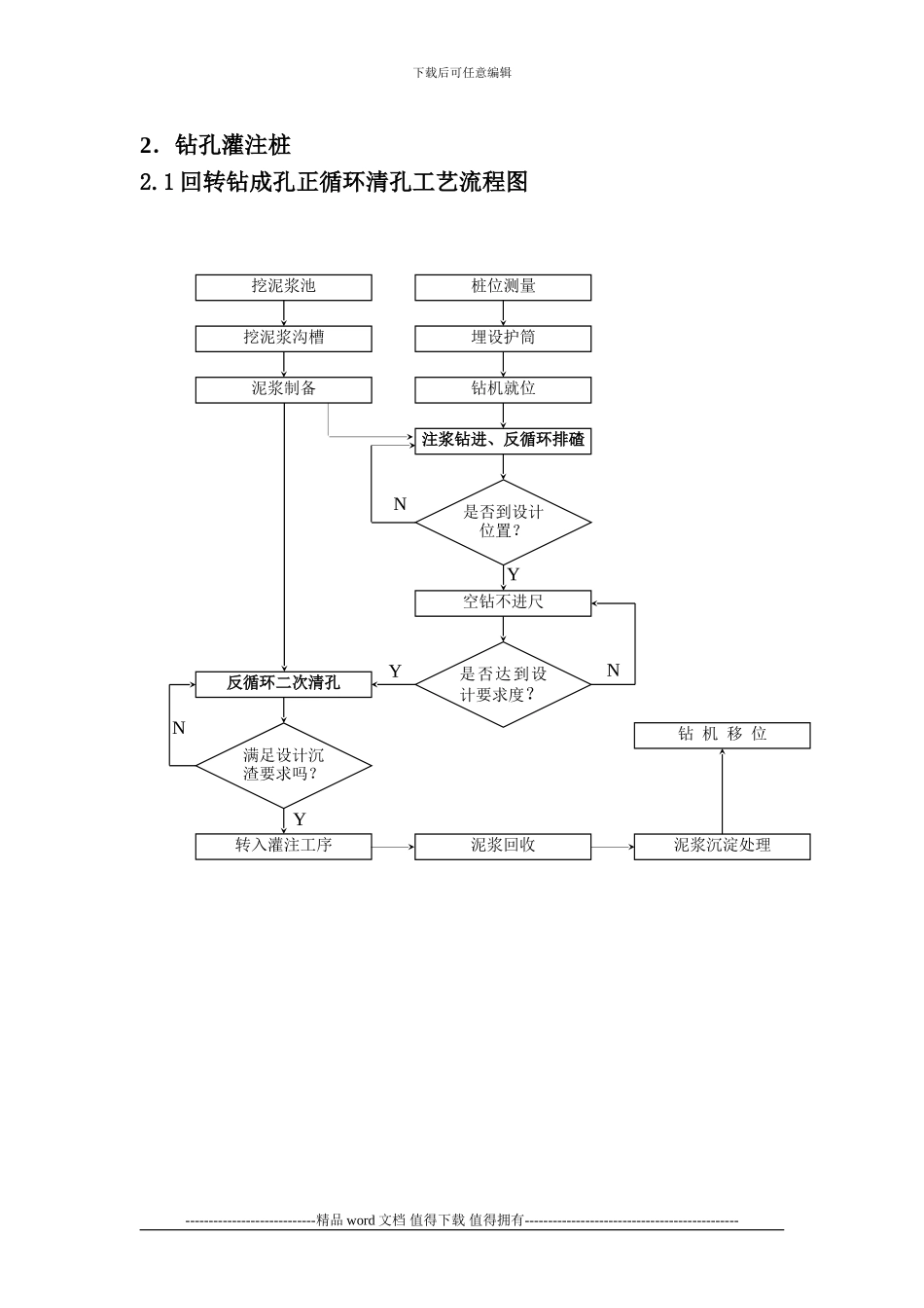
下载后可任意编辑1. 挖孔桩1.1 人工挖孔灌注桩施工工艺流程图----------------------------精品 word 文档 值得下载 值得拥有----------------------------------------------施工准备钢筋进场桩位测放材料试验、焊接试验桩位复测、标高检查钢筋加工护筒施工钢筋笼制作成型自检甲方、监理验收甲方、监理验收挖孔、护壁按设计要求扩底成孔自检甲方、监理验收吊放钢筋笼钢筋笼位置检查灌注砼、振捣成桩桩孔土方清运浇注封底砼不合格不合格不合格不合格砂、石、水泥检验砼配合比确定计量投料混凝土搅拌试块、坍落度检验合格合格下载后可任意编辑2.钻孔灌注桩2.1 回转钻成孔正循环清孔工艺流程图----------------------------精品 word 文档 值得下载 值得拥有----------------------------------------------桩位测量钻机就位注浆钻进、反循环排碴埋设护筒是否到设计位置?YN空钻不进尺是否达到设计要求度?满足设计沉渣要求吗?反循环二次清孔转入灌注工序YNY泥浆回收N钻 机 移 位泥浆沉淀处理挖泥浆池挖泥浆沟槽泥浆制备下载后可任意编辑3. 沉管灌注桩3.1 沉管灌注桩施工工艺流程图----------------------------精品 word 文档 值得下载 值得拥有----------------------------------------------桩位测放桩尖笼加工高程测量定孔深桩位复测放置桩尖桩机就位沉管静压灌封底混凝土振动沉管达到设计要求深度下放钢筋笼振动拔管灌注混凝土砂、石、水泥检验钢筋检验混凝土配合比确定计量投料混凝土搅拌坍落度检验成桩桩机移位桩 体 养 护焊接试验桩尖笼成型钢筋笼加工支模钢筋笼成型灌注混凝土质量合格?混凝土振捣拆模养护否否否合格否合格下载后可任意编辑5. 预制桩5.1 预制桩锤击沉桩法施工工艺----------------------------精品 word 文档 值得下载 值得拥有----------------------------------------------复核测量控制网测放桩位桩位复核桩机就位插 桩打下节桩接桩打上节桩桩桩位验收送桩桩顶标高监测桩预制桩运输桩进场验收桩身检查及标识桩 起 吊监理验收监理验收桩身垂直度检查记 录第二节桩起吊桩机移位接头验收桩身垂直度检查不满足满足下载后可任意编辑5.2 预制桩静压法施工工艺流程----------------------------精品 word 文档 值得下载 值得拥有----------------------------------------------桩位复核桩机就位吊桩就位压 桩吊桩就位焊接接桩压 桩压桩至地面送桩至设计要求桩机组装调试验收观测垂直度观测垂直度检查验收桩机移动铺设滤管铺设密封膜、设备安装回填沟筑埝试抽气检查分析观测记录抽气结束挖密封沟正式抽气膜上覆水卸载

1、当您付费下载文档后,您只拥有了使用权限,并不意味着购买了版权,文档只能用于自身使用,不得用于其他商业用途(如 [转卖]进行直接盈利或[编辑后售卖]进行间接盈利)。
2、本站所有内容均由合作方或网友上传,本站不对文档的完整性、权威性及其观点立场正确性做任何保证或承诺!文档内容仅供研究参考,付费前请自行鉴别。
3、如文档内容存在违规,或者侵犯商业秘密、侵犯著作权等,请点击“违规举报”。

碎片内容

各种灌注桩施工工艺流程图

您可能关注的文档

确认删除?
VIP
微信客服
  • 扫码咨询
会员Q群
  • 会员专属群点击这里加入QQ群
客服邮箱
回到顶部