电脑桌面
添加小米粒文库到电脑桌面
安装后可以在桌面快捷访问

吊桥专项施工方案VIP免费

吊桥专项施工方案_第1页
1/22
吊桥专项施工方案_第2页
2/22
吊桥专项施工方案_第3页
3/22
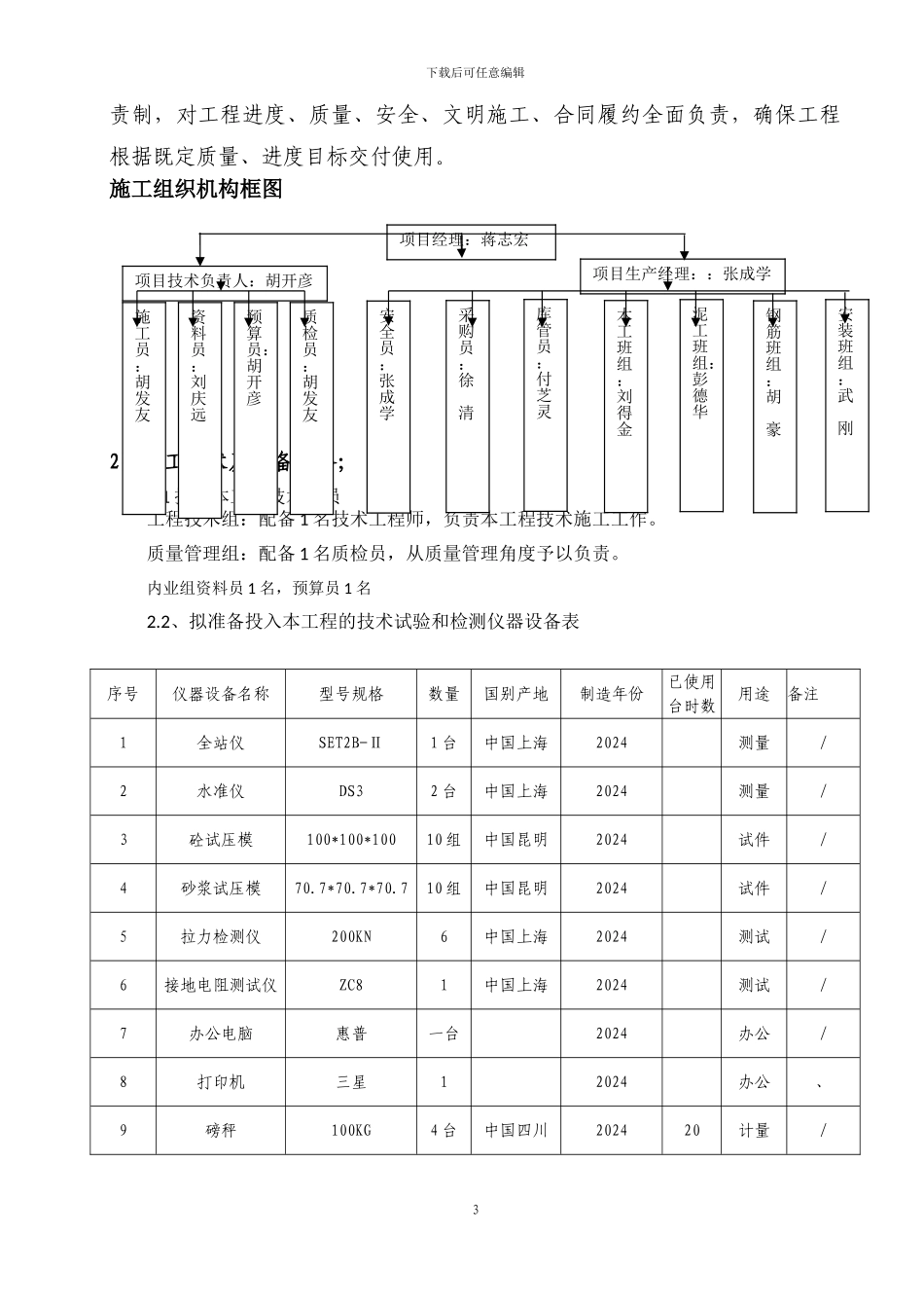
下载后可任意编辑 第一章、工程基本情况一、工程概述 渡口煤气管道过江吊桥修建于上世纪六十年代初期,至今已经有四十七年,是攀枝花市最早建成的一座跨江吊桥。1966 年该桥封闭交通,改为煤气过江管道专用吊桥。于 1991 年和 2024 年分别对该桥进行维修养护,2024 年对该桥进行了交完整的检测和维护。二、工程内容1、本工程为:煤气过江吊桥维修工程2、 建设地点:攀枝花市东区大渡口。3、 建设规模及内容: (1)、对缆风系统进行维护、紧固; (2)、对桥面系钢结构进行除锈、防腐、更换, (3)、对旧桥索塔进行维护及加固处理 (4)、桥南、北分别增设重力式锚锭 (5)、对旧桥主索进行围护处理; (6)、在旧桥两侧主索内侧 89 厘米处各增设 7 根强度为 1870MPA 的φ40(6×37+1WR)优质钢芯钢丝绳,主索施工完成后增设新的吊环、吊杆; (7)、根据设计和施工需要,拆除和恢复场地内部分构筑物和建筑物。4、特别要求:本桥梁跨度为 180.067 米,桥上已敷设有正在供气的 φ529×8 钢管一条,在整个施工过程中必须保证不间断供气及保证供气安全。5、计划工期: 2024 年 11 月 9 日--2024 年 8 月 31 日6、质量标准:符合国家强制性标准,达到施工验收法律规范要求。第二章、 编制依据我们编制的原则是:在确保工程质量合格的前提下,安全、快速、低造价、操作性强”,同时保证施工现场周边有良好环境。1、攀枝花市吊桥维修工程施工图设计文件;2、设计交底文件;3、施工 现场踏勘情况;4、投标文件和招标文件5、四川省交通厅公路工程局第一工程处一工程队,1965 年 3 月编制的《大渡口轻型吊桥竣工图》;6、国家现行的相关技术法律规范1下载后可任意编辑1、本工程各项专项施工方案是严格根据本工程的施工组织设计要求进行策划后编制的,在人员、机械、材料供应、平衡调配、施工方案、质量要求、进度安排、资金计划等方面统一进行部署下完成。本着对建设单位负责和资金的合理使用、对工程质量的高度责任感,并针对本工程设计特点和功能要求,我公司高度重视本工程专项施工方案的编制工作,特邀请曾经从事过类似工程的技术专家、有关负责人攻克本工程的重点、难点及特别部位的施工技术,力求各专项方案重点突出,具有针对性和可操作性。第三章 、施工准备情况 一、准备工作内容 1、项目管理机构的组建; 2、施工技术及设备准备; 3、施工机具设备准备; 4、班组人员准备; 5、临时设施准备1、...

1、当您付费下载文档后,您只拥有了使用权限,并不意味着购买了版权,文档只能用于自身使用,不得用于其他商业用途(如 [转卖]进行直接盈利或[编辑后售卖]进行间接盈利)。
2、本站所有内容均由合作方或网友上传,本站不对文档的完整性、权威性及其观点立场正确性做任何保证或承诺!文档内容仅供研究参考,付费前请自行鉴别。
3、如文档内容存在违规,或者侵犯商业秘密、侵犯著作权等,请点击“违规举报”。

碎片内容

吊桥专项施工方案

确认删除?
VIP
微信客服
  • 扫码咨询
会员Q群
  • 会员专属群点击这里加入QQ群
客服邮箱
回到顶部